EasyManua.ls Logo

Philips FM24 - Page 41

Philips FM24
122 pages
Print Icon
To Next Page IconTo Next Page
To Next Page IconTo Next Page
To Previous Page IconTo Previous Page
To Previous Page IconTo Previous Page
Loading...
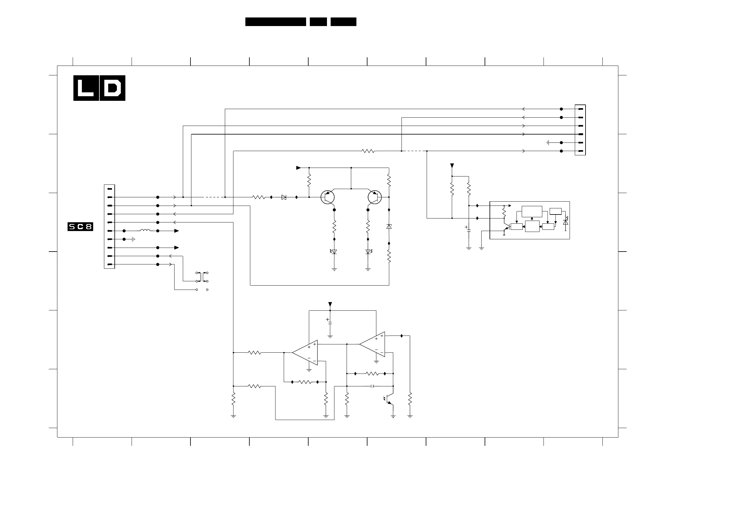
Electrical Diagrams and PWB Layouts
41FM24 7.
LED/Switch Panel
DEM
BAND
PASS
CTRL
CIRCUIT
AGC
INP
PIN
F106 C1
F107 C1
F108 C2
F109 D2
F110 C5
F111 C6
F112 D2
F115 A9
F116 A9
F119 B9
F120 B9
I102 B4
456789
A
B
C
D
E
F
A
B
C
D
ICONN
for
ITV only
RC RECIEVER
GREEN
SWITCH
LIGHT SENSOR
RED
6105 C6
6127 F6
7103 B5
7105 B5
7107 C9
7120-A E6
7120-B E4
F101 C2
F102 C2
F103 C2
F104 C2
F105 C2
3107 B6
3108 B7
3109 B7
3120 E4
3121 F4
3122 F3
3123 F4
3124 F5
3125 F5
3126 F6
3127 F6
4101 C3
4107 B6
6101 C4
6103-A C5
6103-B D5
ON / OFF
LED/SWITCH PANEL
FROM
CONTROLE
FUNCTIONS
0320
123456789
123
I103 B4
I104 C5
I105 C5
I106 C6
I107 C6
I109 C7
I111 C7
I120 F4
I123 F5
I125 E5
I126 E6
I127 E6
E
F
0317 A9
0320 B1
1101 D3
2107 C7
2120 E5
2126 F6
3100 C2
3101 C4
3102 B4
3103 C5
3104 B6
3105 C5
3106 D6
3127
470K
F106
6105
BZX384-C3V9
F107
3122
1K
I120 I123
3101
150R
F110
F112
8
4
F120
7120-A
LM358D
3
2
1
F115
I127
+5V_STBY_SW
F116
I103
F119
I102
2120
10u
100K
3102
2126
220n
I111
I106
100R
3109
1K
3124
3106
150R
BC857BW
+8V6
BC857BW
7105
7120-B
LM358D
5
6
7
8
4
7103
TSOP2236
7107
GND
3
1
OUT
2
VS
25
14
36
4101
1
2
3
4
5
6
1101
F105
0317
95009
1
10
2
3
4
5
6
7
8
9
PH-S
0320
I104
+8V6
+5V_STBY_SW
3103
220R
I109
3105
330R
F111
100u
2107
F103
6127
TEMD5000
F104
3126
470K
3121
4K7
3120
4K7
100MHZ
5100
3123
10K
F101
F108
F109
I105
4107
100K
3104
I107
+5V_STBY_SW
3108
10K
F102
I125
TLMV3100
6103-B
3
4
I126
TLMV3100
6103-A
21
BZX384-C3V9
6101
3107
470R
IR_RX
3125
3K3
RC_IN
RED_LED
RED_LED
GREEN_LED
GREEN_LED
LIGHT_SENSOR_IN
+5V_STBY_SW
IR_TX
LED_DISPLAY
+9V_STBY
+9V_STBY_SW
CL 16532099_038.EPS
280901
www.freeservicemanuals.info
31/8/2014
Digitized in Heiloo, Holland

Related product manuals