EasyManua.ls Logo

Philips FM24 - Page 46

Philips FM24
122 pages
Print Icon
To Next Page IconTo Next Page
To Next Page IconTo Next Page
To Previous Page IconTo Previous Page
To Previous Page IconTo Previous Page
Loading...
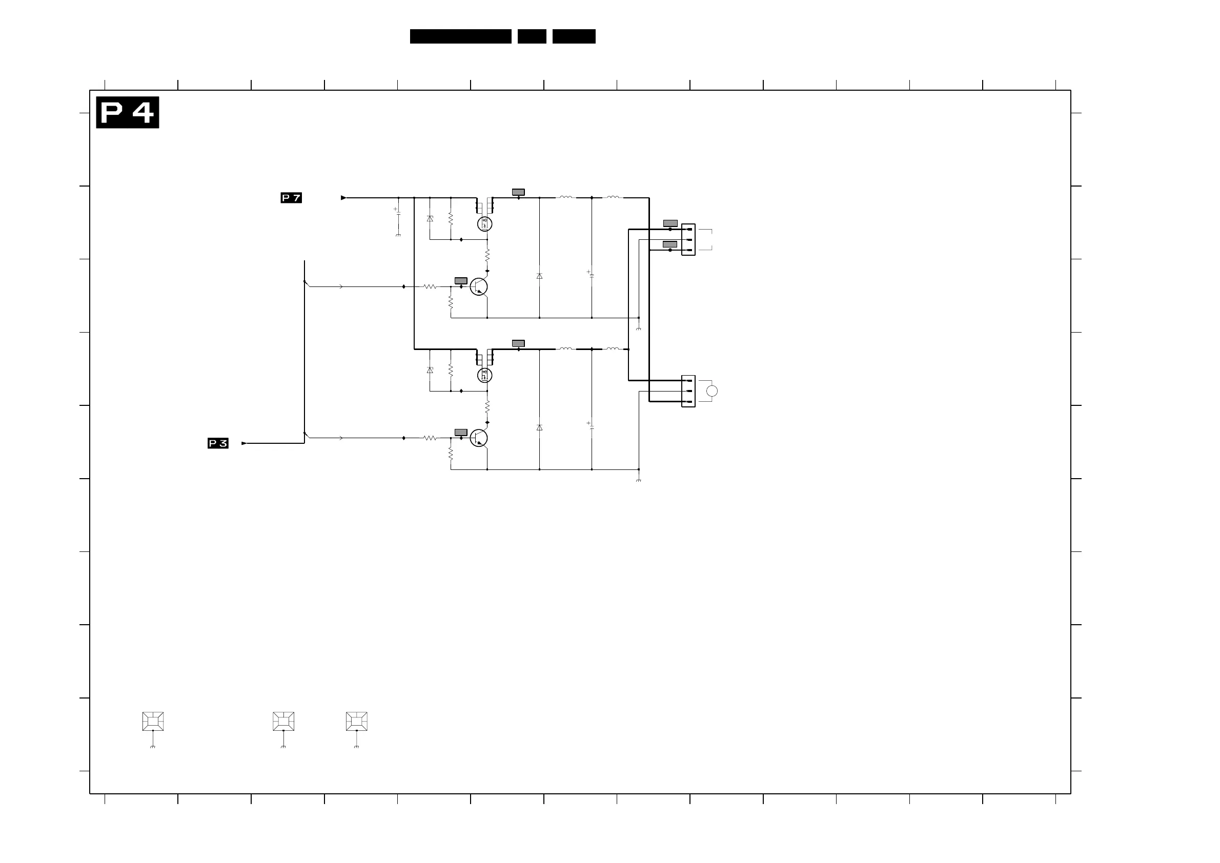
46FM24 7.
Electrical Diagrams and PWB Layouts
Power Supply Panel: Fan Control
I700 = 0V
F700 = 0V
F701 = 0V
I704 = 0V
I705 = 0V
I709 = 0V
CL 26532055_004.eps
010502
F701 B8
I700 B6
I701 B5
I703 C5
I704 C5
I705 D6
I706 D5
I708 E5
I709 E5
I710 B7
I711 C6
I712 D7
I713 E6
M
OPTIONAL
D
E
F
G
H
I
A
B
C
D
E
F
FROM
FAN_SUPPLY_2
D
G
FANCONTROL
FROM
S
FAN_SUPPLY_1
S
OPTIONAL
6706 D5
6709 E6
7700 B6
7701 C6
7706 D6
7707 E6
F700 B8
13
12345678910111213
A
B
C
123456789101112
3702 C5
3703 B6
3706 D5
3707 E5
3708 E5
3709 E6
5703 B7
5704 B7
5709 D7
5710 D7
6700 B5
6703 C6
PROTECTION
AUX_SUPPLY
D
FAN
FAN
G
M
G
H
I
0389 B8
0390 D8
1702 I3
1703 I4
1704 I1
2700 B4
2703 C7
2709 E7
3700 B5
3701 C5
1703
SHIELDING 3.3
100MHZ
5710
SHIELDING 3.3
1702
3709
1K0
SHIELDING 3.3
1704
BZX384-C18
6706
2K2
3707
3708
2K2
6700
BZX384-C18
I711
5709
1m
330R
3706
1K0
3703
I710
I712
2703
470u
16
BC847BW
7701
I704
3700
330R
PRLL5819
6703
7700
SI9433DY
16
470u
2700
2K2
3702
6709
5704
100MHZ
I713
PRLL5819
I708
BC847BW
7707
1
2
3
2K2
3701
I709
0389
EH-B
2
3
470u
16
2709
EH-B
0390
1
I703
SI9433DY
7706
I700
+12V
I701
I706
F700
F701
I705
FAN_SP1
FAN_SP2
1m
5703
www.freeservicemanuals.info
31/8/2014
Digitized in Heiloo, Holland

Related product manuals