EasyManua.ls Logo

Philips FM24 - Page 62

Philips FM24
122 pages
Print Icon
To Next Page IconTo Next Page
To Next Page IconTo Next Page
To Previous Page IconTo Previous Page
To Previous Page IconTo Previous Page
Loading...
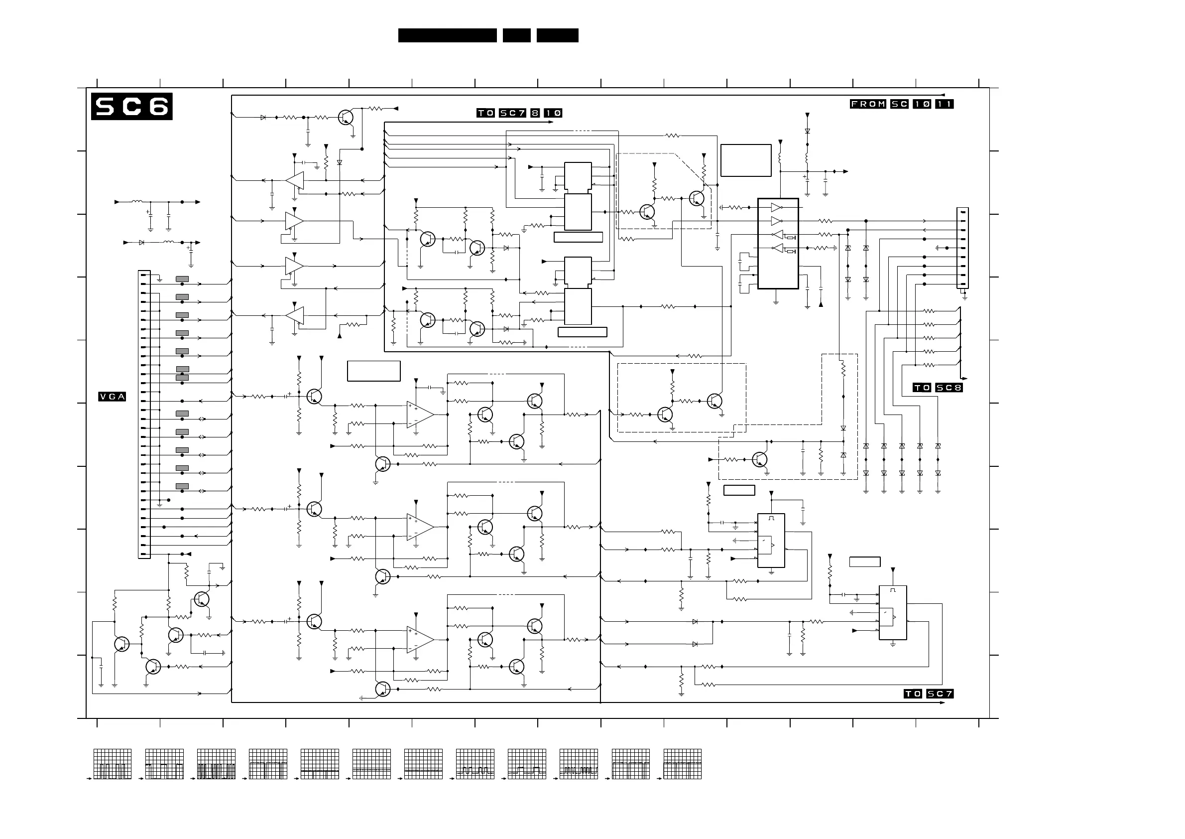
62FM24 7.
Electrical Diagrams and PWB Layouts
SCAVIO Panel: VGA Input
R
1
>
RCX
CX
R
1
>
RCX
CX
G4
1
0
3
2
1
0
MDX
G4
1
0
3
2
1
0
MDX
6324 G14
6353 A12
6354 C12
6355 C13
6356 D12
6357 D13
RES
RES
6365 F12
6366 F12
6378 I10
6379 I10
3V3
2V7
6311 B4
6315 F13
6316 G13
6317 F13
2V3
1V6
2V2
1V6
RES
RES
RES
RES
RES
2V0
2V0
2V3
1V6
6318 G13
6319 F13
6320 G13
6321 F13
6322 G13
6323 F14
5300 B1
5302 B2
5350 B12
5352 B11
6302 B1
6310 A3
4V8
4V8
2V0
0V
0V6
RES
0V
1V6
1V6
4V5
4V5
3V3
0V1
0V
0V
4V3
9V9
0V7
0V
0V
9V9
5V1
4:1 SWITCH
RS232
0V7
4V6
3908 B4
3909 H10
3910 A4
3911 A4
3912 A5
3913 C9
0V6
0V7
0V
0V
5V1
0V
3914 C7
3915 D7
3917 B4
3918 J10
3919 I11
3920 G10
3922 D8
3923 D5
3924 D14
3925 D14
3926 D14
3927 E14
3928 E14
4008 E8
4011 A8
4315 E7
4316 D5
4325 G7
4335 I7
4898 C5
3378 J10
3379 J10
3900 I1
3901 D7
3902 E6
3903 G6
0V
RES
RES
4V6
0V1
4V5
0V4
4V6
RES
3904 I6
3905 F4
3906 G4
3907 I4
3370 G10
3371 H10
3372 D5
3373 I10
3374 H11
3375 H12
RES
RES
RES
RES
3376 I12
3377 I12
3350 D10
3351 I8
3352 B11
3353 C12
3354 C12
3355 C12
RES
RES
RES
3356 F6
3357 F7
3358 F8
3359 F8
3360 F9
3361 E10
3362 E10
3363 H2
3364 F11
3365 F12
3366 E12
3367 I6
3368 J7
3369 I8
3332 I5
3333 J5
3334 J6
3335 I6
3336 I2
3337 I1
RES
3338 I2
3339 J2
3340 C7
3341 B9
3342 B9
3343 B10
3344 B10
3345 A10
3346 D7
3347 E10
3348 C7
3349 C7
3309 E4
3310 F4
3311 E5
3312 F5
3313 F5
3314 F6
4V5
RES
RES
4V8
RES
3315 E6
3316 H5
3317 D6
3318 G3
3319 G4
3320 H4
3321 G5
3322 H5
3323 H5
3324 H6
3325 G6
3326 C6
3327 C6
3328 I3
3329 I4
3330 I4
3331 I5
2341 C6
2343 C10
2345 D6
2351 C11
2352 D11
2353 B12
RES
BUFFERS
4:1 SWITCH
2354 B12
2355 D12
2356 D12
2365 F12
2370 G10
2372 G12
2375 H12
2376 I11
3294 D6
3295 D6
3296 D7
3297 F6
3298 H6
3299 J6
3300 F5
3301 H6
3302 H7
3303 H8
3304 G8
3305 I2
3306 J5
3307 C6
3308 E3
13 14
A
B
C
D
1 SHOT
RES
VGA OUTPUT
4V8
3V2
4V8
0V
0V
0V6
0V6
0V
0V
RS232 INPUT
2305 B3
2306 D3
2308 E3
2310 A4
2311 E6
2318 G3
2328 I3
2335 H10
2336 H2
2337 I2
2338 J1
2340 B8
11 12 13 14
12
3V7
4V3
0V1
3V3
1V6
1V6
1V6
1V6
0318
TO
2V0
1V9
3456789101112
E
F
G
H
I
J
A
B
C
D
E
F
G
H
I
J
0318 C1
0376 B14
2300 B1
2301 B2
2302 B2
2304 B4
12345678910
7309 F5
7310 A4
7311-A E6
7311-B G6
7311-C I6
7315 C6
7316 C7
7318 G4
7319 H5
7320 I1
7321 J1
7322 I2
7323 I2
7325 D6
7326 D7
7328 I4
7333 J5
7340-A B8
7340-B C8
7341 B9
7343 B10
7352 B11
1 SHOT
CONVERTER
DOWN-
RES
VGA INPUT
CONNECTOR
VGA PANEL
OUTPUT
7370-B G11
F300 B2
F301 B2
F303 D2
F304 D2
F305 D2
F306 D2
F307 E2
F308 E2
F309 E2
F310 E2
F311 F2
F312 F2
F313 F2
F314 G2
F315 G2
F316 G2
F317 G2
F318 G2
F319 H2
F320 C12
F321 C14
6380 C7
6381 D7
7303-A B4
7303-B B3
7303-C D4
7303-D C4
7305 G7
7306 H7
7307 G8
7308 E4
I218 C7
I219 E8
I220 A3
I221 A12
I222 B12
I223 B10
I224 B4
I225 B10
I226 B9
I227 B11
I228 B8
I229 C8
I230 C6
I231 C7
I232 C6
I233 C12
I234 C12
I235 C13
I236 D9
I237 D10
I238 D8
I239 D6
7356 F7
7357 F7
7358 E8
7360 F10
7362 E10
7364 F11
7365 I7
7366 I7
7367 I8
7370-A H13
I250 F6
I251 F7
I252 F9
I253 F6
I254 F5
I255 F7
I256 F11
I257 F11
I258 F5
I259 G7
I260 G4
I261 G3
I262 G4
I263 G5
I264 G10
I265 G6
I266 G7
I267 G6
I268 H5
I269 H9
I270 H10
I271 H7
F322 C13
F323 H2
F324 G2
F325 A4
F326 B5
F327 C14
F328 C14
F329 C14
F330 C14
F331 D14
I280 I3
I281 I10
I282 I4
I283 I5
I284 I2
I285 I6
I286 I7
I287 I6
I288 I5
I289 I1
I290 J2
I291 J7
I292 J9
I293 J10
I294 J5
I295 C6
I296 D5
I297 F13
I298 F13
I299 F13
I300 F14
I301 F14
I240 D7
I241 D6
I242 E7
I243 E4
I244 E3
I245 E10
I246 E12
I247 E4
I248 E5
I249 E10
I272 H5
I273 H9
I274 H11
I275 H12
I276 I7
I277 I1
I278 I4
I279 I2
1K0
3926
3925
1K0
6324
BZM55-C33
I301
6323
BZM55-C33
7328
BC847BW
I219
I218
I282
I288
I283
I278
I279
I280
4011
2337
100p
2338
I296
I295
I290
I277
I284
I294
I285
3928
F327
1K0
3927
1K0
8
74HCT4538
7370-A
1
3
4
57
62
16
74HCT4538
15
13
12
11 9
1014
16
8
+5S
10K
3355
7370-B
3909
10K
4K7
2335
4008
3923
I230
I249
I231
I246
I256
I245
BAT254
6381
I233
2345
2341
1K
3922
1K
3919
1K
4316
3918
3917
4K7
I272
2336
I263
I265
I268
I260
I262
I257
+5V_STBY_SW
I264
I275
I281
I258
I254
I248
I243
I247
I267
6353
BAT254
470R
470R
3902
470R
3903
3904
6380
3307
4K7
BC847BW
BAT254
1K
3326
7315
3327
7316
BC847BW
I255
10K
I251
33K
BC847BW
7325
3349
4898
4K7
3317
3915
3914
100R
10K
3298
3901
33K
3913
7319
7333
BC847BW
BC847BW
10K
3299
I252
F323
10K
3336
31
32
4
5
6
7
8
9
17
18
19
2
20
21
22
23
24
25
26
27
28
29
3
30
0318
1
10
11
12
13
14
15
16
10K
3906
I244
I271
I259
I266
7367
BC847BW
3369
4K7
BC847BW
7365
3351
68R
3367
10K
10K
3368
+8B
+3V3_STBY_SW
BC847BW
7307
7321
7305
BC847BW
I270
BC847BW
I293I292
I273 I274
I269
I250
I242
15K
3306
I253
470R
3300
15K
470R
3315
3335
1K
3325
470R
7326
3294
470K
3295
10K
BC847BW
7309
3296
F309
BC847BW
F305
F307
F304
F306
2311
100n
7323
BC847BW
10K
3356
100n
2372
BZM55-C33
4315
470K
3348
6357
3910
1K
3911
47K
10K
10K
3908
3907
10K
3905
4K7
3303
+8B
+8B
+8B
10K
3301
10K
3302
BC847BW
7357
3357
10K
+5S
100MHZ
5302
+5V_STBY_SW
3373
2K2
+5S
100R
3377
3376
7306
BC847BW
3366
1K
4K7
+5V
10K
3364
+8B
7366
BC847BW
5300
100MHZ
7343
BC847BW
7362
BC847BW
+5R
7360
BC847BW
10K
3337
4K7
3305
33K
3338
+8B
+5V
10K
3297
270R
3308
3309
27K
2308
22u
12
13
14
4
11
1K
3310
F303
TSH93
7311-C
3319
27K
+8B
7318
BC847BW
2318
22u
2352
100n
2355
100n
3363
4K7
+8B
10K
3333
3332
+8B
1K8
3334
7358
1K8
3358
4K7
BC847BW
3359
7356
BC847BW
11
13
+5S
+5S
68R
74HC4052D
68
GND
10
9
16
VCC
7
VEE
12
14
15
2
4
3
2305
7340-B
7340-A
6
GND
8
10
9
VCC
16
VEE
7
1
5
100R
3347
74HC4052D
3365
470K
3345
3344
4K7
+5R
3341
33K
2343
7322
BC847BW
3900
BC847BW
7320
10K
3339
4K7
4335
4325
+8B
2301
100n
+5V_STBY_SW
5350
100MHZ
1K
3311
15K
3316
7311-A
TSH93
5
6
7
4
11
+5S
+5S
+5S
5352
100MHZ
2365
100n
2302
10u
+5R
9
7308
BC847BW
10
11
1
2
3
4
5
6
7
8
V-
6
16
VCC
3354
100R
0376
1
C1+
3
C1-
4
C2+
5
C2-
15
GND
13
REC1I
12
REC1O
REC2I
89
REC2O
11
TR1I TR1O
14
10
TR2I
7
TR2O
2
V+
100R
3353
ST3232E
7352
11
7303-C
74HCT125D
9
10
14
7
8
3331
74HCT125D
7303-D
12
13
14
7
5
4
14
7
6
1K
10u
2353
74HCT125D
7303-B
2306
+5R
3362
10K
7364
BC847BW
3361
4K7
100n
3360
10K
+8B
2354
100n
2356
100n
3329
27K
2376
2351
F320
3378
I237
I224
I228
I236
100n
2370
3340
10K
470K
3370
I232
+5S
F325
6311
BC847BW
7310
6310
BAT254
BAT254
3912
100n
2310
+5R
4K7
I291
I276
I286
I287
3346
10K
3352
3374
10K
2304
100n
2340
100n
1K
3342
I225
I220
100u
2300
+8V6
33K
3343
F318
F301
+8B
F324
3324
1K8
+5R
9
8
4
11
1K
3321
+5S
TSH93
7311-B
10
1
14
7
3
74HCT125D
7303-A
2
6302
BAT254
270R
3318
+8B
1K
3320
+8B
3322
1K8
3323
10K
F328
270R
3328
BZM55-C33
6322
2328
22u
3924
1K
3330
2375
1K0
100K
3375
+5S
100n
I238
F315
I240I239
I241
+5S
F308
6365
BZM55-C6V8
6366
MCL4148
MCL4148
6378
3371
100R
I261
6379
+8B
3314
1K8
3312
1K8
I222
I235
+5V_STBY_SW
I234
I229
I221
I227
F321
BZM55-C33
6318
6356
BZM55-C33
I289
2K2
3379
F322
F317
F300
F319
3372
10K
+5V
F326
I298
BZM55-C33
6317
6316
BZM55-C33
I297
6315
BZM55-C33
F331
F316
3304
68R
F314
F330
F329
F312
F311
F313
100R
I223
F310
7341
3350
BZM55-C33
+5R
BC847BW
6355
BZM55-C33
6354
I226
+8B
10K
3313
3920
+5V_STBY_SW
6321
I300
BZM55-C33
6319
BZM55-C33
6320
BZM55-C33
I299
VGA1_H
VGA1_B
VGA1_G
VGA1_R
GL_ICN
LD_ICN
IR_TX
IR_RX
RL_ICN
{RL_ICN,GL_ICN,LD_ICN,IR_TX,IR_RX}
VGA2_TXD
VGA1_RXD
VGA1_TXD
VGA1_R
VGA1_G
VGA1_B
VGA2_RXD
VGA2_TXD
VGA2_V
VGA2_H
VGA2_B
VGA2_G
VGA2_R
VGA1_RXD
VGA1_TXD
VGA1_V
UART_ACT
VGA1_V
VGA1_H
VGA1_RXD
RXD_2
RXD_OTC
SELECT_4
TXD_2
SELECT_1
TXD_PW
TXD_OTC
TXD_OTC
TXD_2
SELECT_2
SELECT_3
VGA2_RXD
RC_VGA1
RC_OUT
VGA2_B
VGA2_G
VGA2_R
VGA2_OUTN
VGA2_OUTN
VGA2_OUTN
RC_CNTL
RC
SYNC_ACT
SELECT_4
RS_232_ACT
RXD_PW
RXD_O
VGA1_RXD
RC_OUT
TV_MODE
RXD_2
RXD_P
RXD_O
VGA2_OUTN
RC_VGA1
CL 26532038_040.eps
030502
F303
200mV / div DC
5µs / div
F304
200mV / div DC
5µs / div
F305
200mV / div DC
5µs / div
F312
2V / div DC
10µs / div
F313
1V / div DC
5µs / div
F314
1V / div DC
5µs / div
F315
1V / div DC
5ms / div
F311
1V / div DC
5µs / div
F306
1V / div DC
5µs / div
F307
2V / div DC
5ms / div
F308
2V / div DC
2µs / div
F309
2V / div DC
200µs / div
(BASIC & ENHANCED
VERSION)
www.freeservicemanuals.info
31/8/2014
Digitized in Heiloo, Holland

Related product manuals