EasyManua.ls Logo

Philips FM24 - Page 68

Philips FM24
122 pages
Print Icon
To Next Page IconTo Next Page
To Next Page IconTo Next Page
To Previous Page IconTo Previous Page
To Previous Page IconTo Previous Page
Loading...
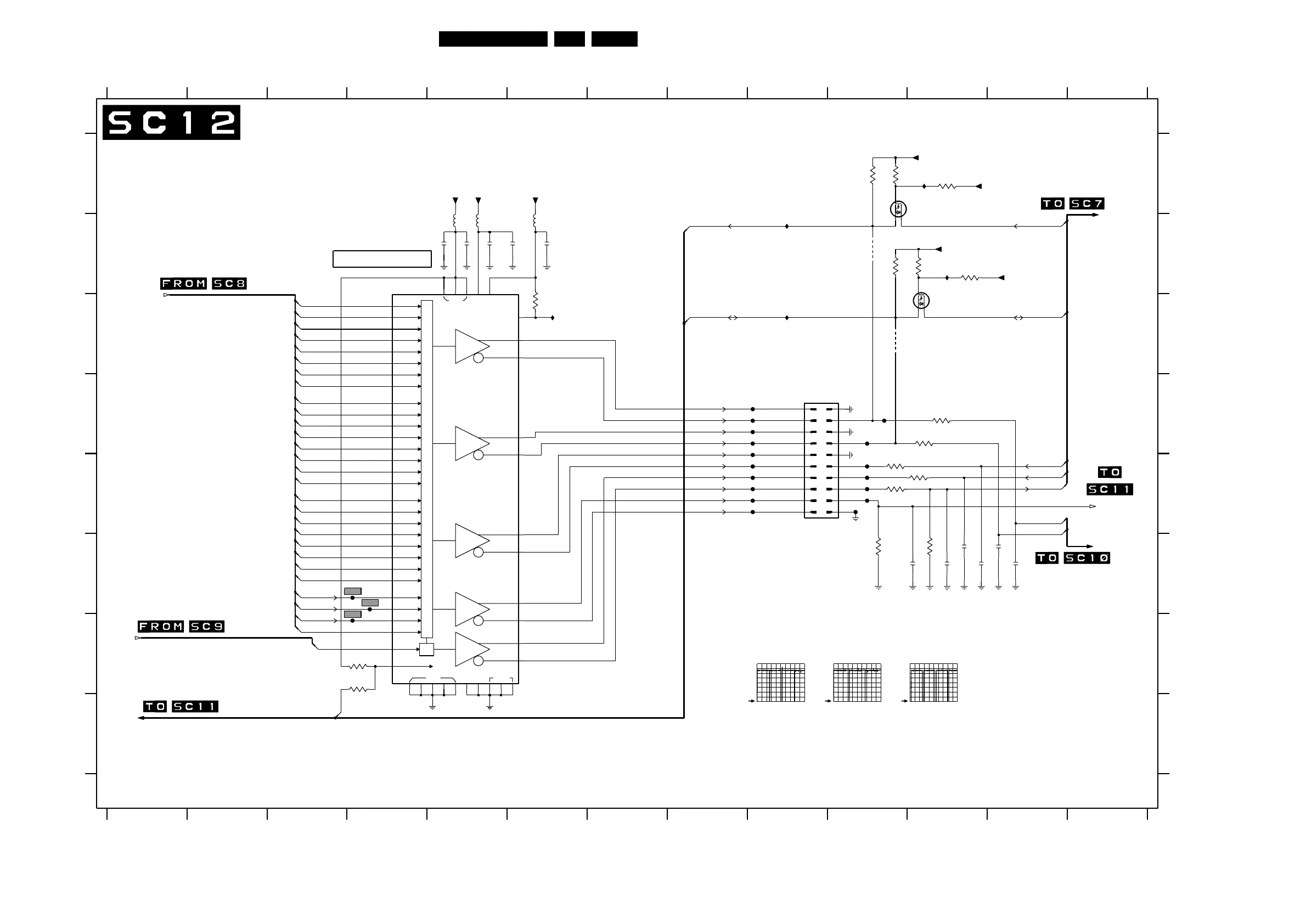
68FM24 7.
Electrical Diagrams and PWB Layouts
SCAVIO Panel: Back-End LVDS Output
GND
TTL PARALLEL-TO-LVDS
PLL
GND
VCC
LSVD
GND
PLL
TTL PARALLEL-TO-LVDS
F673 D9
F674 D9
F675 E9
F676 E9
F677 E9
F678 E9
F679 E9
F680 D10
F681 D10
F682 E10
F683 E10
F684 E10
F685 E10
F686 E10
F690 F4
F691 F4
F692 G4
I680 A11
I681 B11
I682 B9
I683 C9
I685 C6
5670 B5
5672 B5
5673 B6
7670 B4
7675 A11
7676 B11
F670 D9
F671 D9
F672 D9
3687 F11
3688 A11
3689 B11
4680 C10
4684 B10
RES
RES
3673 C6
3674 E10
3675 G4
3676 E11
3677 E10
RES
S01
RES
CONNECTOR
PDP INTERFACE
RES
3679 G4
3681 B10
3682 B11
3685 A10
3686 A10
D
E
F
G
H
BACK-END-LVDS-OUTPUT
3V3
LVDS ENCODER
RES
2672 B5
2673 B6
2674 B6
2694 F11
2695 F11
2696 F11
2697 F11
2698 F12
2699 F12
3670 F10
3671 D11
3672 D11
2 3 4 5 6 7 8 9 10111213
A
B
C
E
F
G
H
0301 E9
2670 B5
2671 B5
12345678910111213
1
A
B
C
D
37
TXOUT3- 38
2691
F676
TXIN2630
TXIN2750
TXIN355
TXIN456
TXIN52
TXIN63
TXIN74
TXIN86
TXIN97
TXOUT0+ 47
TXOUT0- 48
TXOUT1+ 45
TXOUT1- 46
TXOUT2+ 41
TXOUT2- 42
TXOUT3+
10
TXIN1211
TXIN1312
TXIN1414
TXIN1515
TXIN1616
TXIN1718
TXIN1819
TXIN1920
TXIN254
TXIN2022
TXIN2123
TXIN2224
TXIN2325
TXIN2427
TXIN2528
53 36 43 49
LVDSVCC
44
35 33
PLLVCC
34
PWRDWN_32
17R-FB
31 TXCLKIN
TXCLKOUT+ 39
TXCLKOUT- 40
TXIN051
TXIN152
TXIN108
TXIN11
7670
DS90C385MTD
5 132129
F670
F680
I681
I683
7675
BSH103
F671
3K3
3681
F682
3687
3679
100R
1p
2698
470R
3682
BSH103
7676
I680
F691
I682
F675
100MHZ
5673
+3V3_PW
4684
2674
100n
F678
100R
3676
F692
F684
F681
100n
2672
+5V_STBY_SW
3689
F672
4680
+3V3_STBY_SW
100MHZ
5670
1p
2695
3671
3688
+5V_STBY_SW
2673
100n
+3V3_PW
+3V3_PW
2697
1p
3686
470R
2696
1p
3685
3K3
F677
10K
3673
5672
100MHZ
100R
3674
F686
3675
10K
F679
F673
2671
100n
F690
3672
100R
3677
F685
1p
2694
100n
2670
I685
F683
8
9
13 14
15 16
17 18
19
2
20
34
56
7
DF13
0301
1
10
11 12
+3V3_STBY_SW
F674
1p
2699
3670
SCL_1
SCL_1_3V3
SDA_1_3V3
SDA_1
PW_SDA
PW_SCL
PWRDWN_LVDS
PDP_GO
IRQ_PDP
DCLK
CPU_GO
TxOut3_m
TxCLKOut_p
TxCLKOut_m
TxOut2_p
TxOut2_m
TxOut1_p
TxOut1_m
TxOut0_p
TxOut0_m
TxOut3_p
POWER_DOWN_EPLD
R_OUT(0)
R_OUT(1)
G_OUT(6)
G_OUT(7)
G_OUT(3)
G_OUT(4)
G_OUT(5)
B_OUT(0)
B_OUT(6)
B_OUT(7)
B_OUT(1)
B_OUT(2)
R_OUT(2)
B_OUT(3)
B_OUT(4)
B_OUT(5)
PARITY_OUT
H_SYNC_OUT
V_SYNC_OUT
BLANK_OUT
R_OUT(6)
R_OUT(3)
R_OUT(4)
R_OUT(7)
R_OUT(5)
G_OUT(0)
G_OUT(1)
G_OUT(2)
CL 26532038_046.eps
030502
F690
500mV /div DC
10µs / div
F691
500mV /div DC
5ms / div
F692
500mV /div DC
10µs / div
(BASIC & ENHANCED VERSION)
www.freeservicemanuals.info
31/8/2014
Digitized in Heiloo, Holland

Related product manuals