EasyManua.ls Logo

Philips FM24 - Page 82

Philips FM24
122 pages
Print Icon
To Next Page IconTo Next Page
To Next Page IconTo Next Page
To Previous Page IconTo Previous Page
To Previous Page IconTo Previous Page
Loading...
82FM24 7.
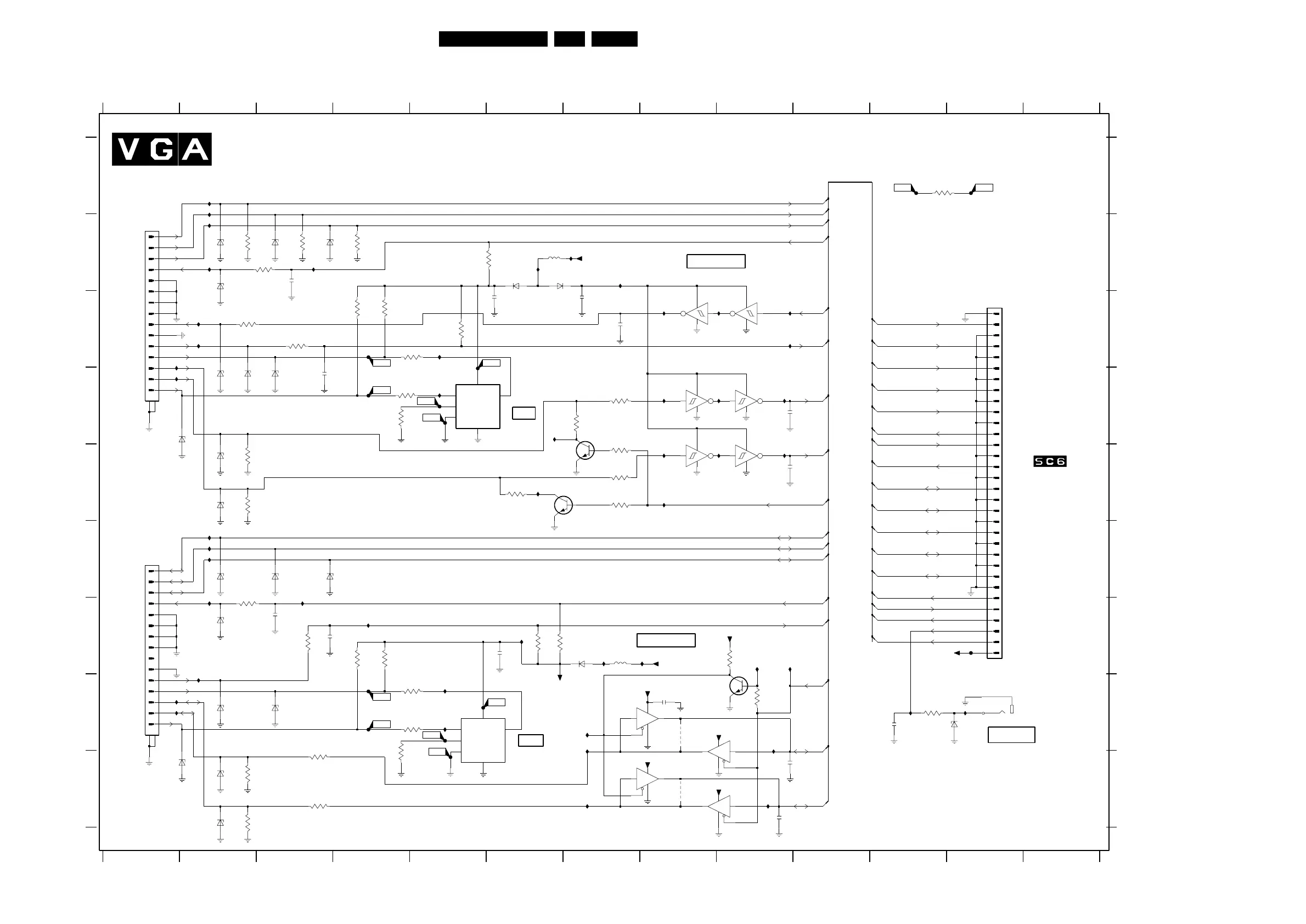
Electrical Diagrams and PWB Layouts
VGA Connector Panel
RES
3916 G3
3917 G4
3918 G4
3919 H5
2904 D3
2905 D9
2906 E9
6904 B6
5901 G7
5900 B6
6900 B2
6901 B3
6902 B3
6903 B2
3929 G6
3930 G6
3934 G9
3935 H9
3937 D6
3938 E7
3939 E7
3940 E6
3999 A12
4910 H8
4911 I8
I919 D5
I920 B6
I922 C8
RES
I921 B7
RES
6907 D2
6908 D3
6909 D1
6910 E2
6911 E2
6912 F2
6913 F3
6914 F3
I930 C9
I929 C9
I928 E9
I927 E9
I926 D9
I925 D9
I924 E8
I923 D8
I931 B7
I932 C9
RES
RES
RES
RES
7915 H9
7937 E6
7940 E6
F900 G12
F905 A11
F906 A12
F911 C4
F912 D4
I933 D6
I935 F2
I936 F2
I937 F2
I938 G2
I939 G3
I940 H2
I941 H1
I942 H1
I943 G4
I944 H5
I945 H5
I946 G7
I947 H6
I948 I6
RES
NVM
TO
SCAVIO
RES
I958 G9
I957 G9
I956 H7
I955 G8
I954 G6
I952 H12
I951 H12
I950 I9
I949 H9
VGA2
IN / OUT
IN
7910-C I7
7910-D I9
I918 C5
RES
3920 H5
3921 I5
3922 I3
RES
3923 I2
3924 I3
3925 I2
3926 H12
3927 B5
3928 C5
F913 D5
F914 D5
F915 D5
F941 H4
F942 H4
F943 H5
F944 I5
F945 H5
I905 A2
I906 A2
I907 B2
I908 B2
I913 C2
I914 C2
I915 C1
I916 D1
I917 B3
I960 E6
I962 E8
4 x BUFFER
RC_OUT
RES
RES
VGA1
4 x BUFFER
NVM
RC-OUT
0318
6905 B6
6906 D2
RES
10 11 12
RES
RES
2907 G3
2908 G3
2909 G6
2910 H8
2911 I9
6915 G2
6916 G7
6918 H2
6920 H3
6921 I1
6922 I2
6923 I2
6925 H12
7900-A D8
7900-B D9
7900-C C8
7900-D C9
7900-E D9
7900-F D8
7904 D5
7907 H5
7910-A H7
7910-B H9
6789
RES
VGA CONNECTOR
13
A
B
C
D
E
F
G
2912 I9
2925 H11
3900 B2
3901 B3
3902 B4
3903 B3
3904 C4
3905 C4
3906 C2
3907 C3
3908 C5
3909 D5
3910 D5
3911 D7
3912 E2
3913 E7
3914 E2
3915 G2
D
E
F
G
H
I
0318 C13
0371 B1
0372 F1
0374 H13
2900 B3
2901 C6
2902 C7
2903 C7
12345678910111213
12345
H
I
A
B
C
100n
2900
I915
3906
I930
100R
7910-D
74HCT125D
12
13
14
7
11
2910
100n
7910-C
74HCT125D
9
10
14
7
8
7910-B
74HCT125D
5
4
14
7
6
I919
I948
I923
I931
I918
7900-A
74HCT14D
12
14
7
F944
100R
3903
F945
F914
I935
I927
BZM55-C33
I924
6914
BZM55-C33
6913
14
7
3
100n
2901
13 12
14
7
7910-A
74HCT125D
2
1
5900
100MHZ
74HCT14D
7900-F
BZM55-C33
6912
BZM55-C33
69116915
3916
100R
BZM55-C33
I921
2908
100n
I908
BZM55-C33
6922
100R
3924
7
8
9
3907
100R
1617
1
10
11
12
13
14
15
2
3
4
5
6
748390
0371
I954
6907
BZM55-C33
I925
3927
4K7
I913
3900
75R
3999
F905
4911
3919
100R
6921
BZM55-C33
6918
BZM55-C33
I949
I932
100n
F915
2912
+5V_STBY_SW
6909
BZM55-C33
BZM55-C33
6910
100R
3911
I917
I922
100n
I947
VCC
8
7
VCLK
VSS
4
10K
3921
2909
ST24FC21
7907
DU
3
NC1
1
NC2
2
SCL
6
SDA
5
I905
I907
I906
F941
3909
100R
100n
100R
3915
3925
1K
2907
100R
3908
3920
+5V
3912
1K
100R
I929
I940
I950
2905
100n
BAT254
6916
3910
10K
7937
BC847BW
BC847BW
7940
I926
BZM55-C33
6901
6900
BZM55-C33
3901
75R
100R
3922
2911
100n
BZM55-C33
6908
I945
100n
2906
I942
BZM55-C33
6902
I944
I941
100n
2925
+5V
+5V
100n
2902
I946
I916
+5V_STBY_SW
75R
3926
100R
F912
3902
3905
2904
100n
10K
I943
5
VCC
8
VCLK
7
VSS
4
BZM55-C33
6923
14
7
ST24FC21
7904
DU
3
NC1
1
NC2
2
SCL
6
SDA
7900-E
74HCT14D
11 10
I958
3934
10K
3935
33K
1K
6920
BZM55-C33
I920
3923
I914
F906
F911
F913
7915
BC847BW
+5V
98
14
7
100R
7900-D
74HCT14D
74HCT14D
7900-B
34
14
7
3913
0374
YKB11-0482
1
2
6903
BZM55-C33
I951
3914
1K
14
7
BZM55-C33
6925
+5V
+5V
7900-C
74HCT14D
56
3918
10K
3
4
5
6
7
8
9
5901
100MHZ
748390
0372
1617
1
10
11
12
13
14
15
2
3917
10K
2903
100n
I928
I952
3904
10K
4910
32
4
5
6
7
8
9
6906
BZM55-C33
19
2
20
21
22
23
24
25
26
27
28
29
3
30
31
1
10
11
12
13
14
15
16
17
18
+5V_STBY_SW
0318
I957
I955
I956
4K7
3930
4K7
3928
3929
4K7
BAT254
6904
F942
6905
BAT254
F943
I960
I938
I962
I939
I933
I936
F900
3940
3937
75R
75R
3938
4K7
3939
4K7
I937
VGA1_TXD
VGA2_RXD
VGA2_TXD
VGA_OUTN
VGA2_H
VGA2_V
VGA_OUTN
EBOX_PRESENT
EBOX_PRESENT
VGA1_R
DDC_SCL_2
VGA1_G
VGA1_B
VGA2_R
VGA2_G
VGA2_B
DDC_SCL_1
VGA1_RXD
DDC_SDA_1
DDC_SDA_2
VGA1_R
VGA1_TXD
VGA1_RXD
RC_VGA1
VGA2_R
VGA2_G
VGA2_B
VGA2_H
VGA2_V
VGA2_TXD
VGA1_G
VGA1_B
VGA1_H
VGA1_V
VGA1_H
VGA1_V
RC_VGA1
VGA2_RXD
CL 26532038_052.eps
150402
www.freeservicemanuals.info
31/8/2014
Digitized in Heiloo, Holland

Related product manuals