EasyManua.ls Logo

Philips FW-C355 - Circuit Diagram - Karaoke Part; Simple Karaoke; VCD

Philips FW-C355
72 pages
Print Icon
To Next Page IconTo Next Page
To Next Page IconTo Next Page
To Previous Page IconTo Previous Page
To Previous Page IconTo Previous Page
Loading...
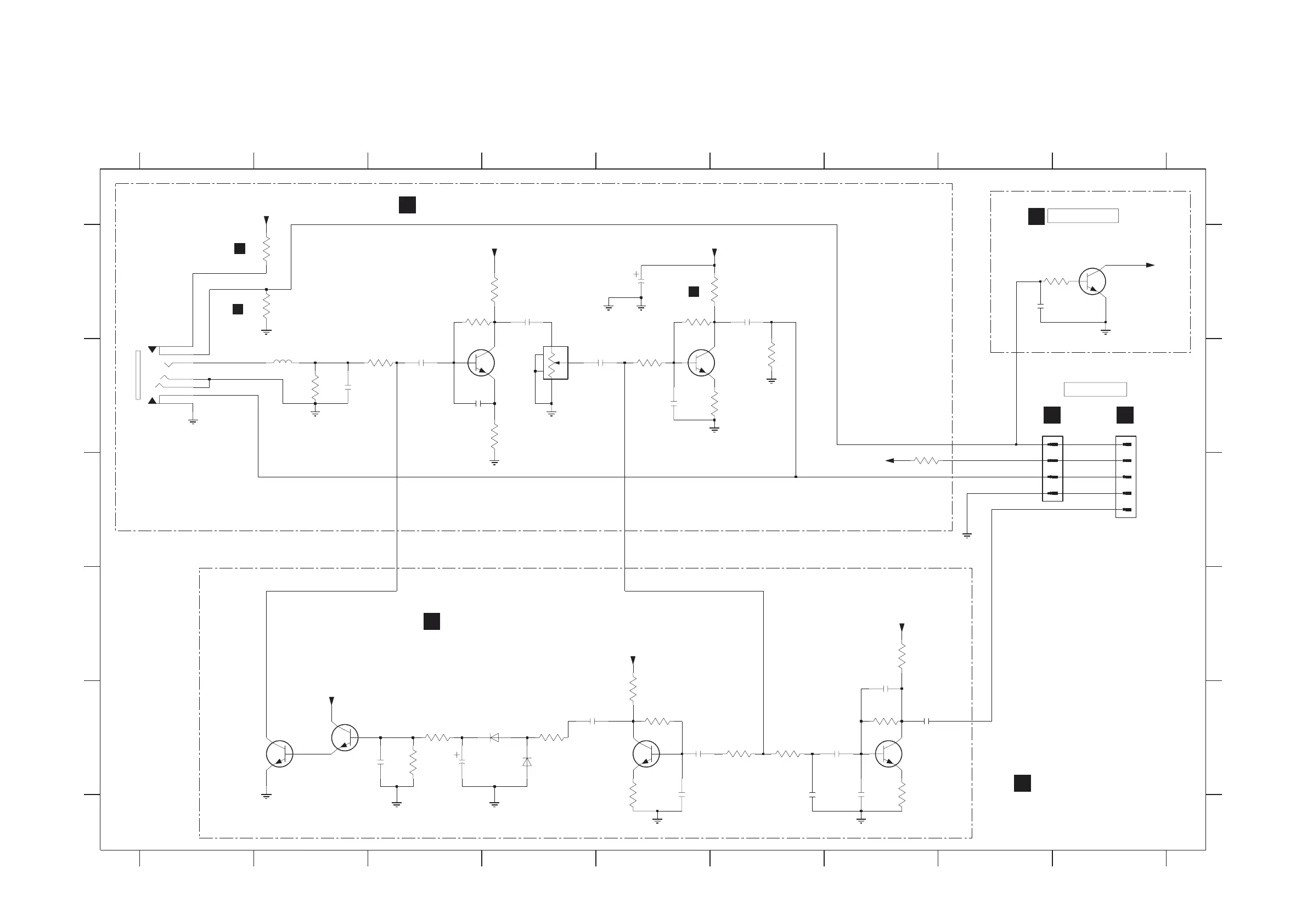
CIRCUIT DIAGRAM - KARAOKE PART
6-3 6-3
MIC_SK
D
E
1800 A1
1801 B9
1802 B8
2428 A8
2801 B2
2802 B3
2803 B3
2804 A4
2805 B5
2806 B5
2807 A5
2808 A6
2809 E3
2810 E3
2811 E4
2812 E5
2813 E5
2814 E6
2815 E7
2816 E7
2817 E7
2818 E7
3423 A9
3800 A2
3801 A2
3802 B2
3803 B3
3804 A4
MIC DETECT
+12V_A
123456789
123456789
A
B
C
D
E
A
B
C
3805 A3
3806 B4
3807 B4
3808 B5
3809 A5
3810 A5
3811 B5
3812 B6
3813 C7
3814 E3
3815 E3
3816 E4
3817 E5
3818 E5
3819 E5
3820 E6
3821 E6
3822 E7
3823 D7
3824 E7
5800 B2
6800 E4
6801 E4
7411 A9
7800 B4
7801 B6
7802 E2
0.7V
7.8V
SEE VARIANTS TABLE
6.6V
0V
1.2V
4.5V
0V
VCD
MIC_DET
GND A
MIC_VCD
7803 E2
7804 E5
7805 E7
7.8V
11.9V
0V
SIMPLE KARAOKE
TO COMBI
3814
1M
2808
1u
6K8
10K
3803
3817
1
2
3
4
5
GND_A
2801
4n7
BC847B
7805
10K
3423
(TO SH 130-1)
+KAR
+KAR
+KAR
+KAR
+KAR
+KAR
MicDet
+KAR
2813
1n
2804
470n
GND_A
BC847B
7803
100n
2818
3811
330R
3816
6800
1u
2428
3824
220R
GND_A
12K
2809
100n
2810
10u
3823
680p
2816
1u
2815
7801
3810
1M
3809
560R
BC847B
2806
680p
D
3813
470R
3821
10K
MIC
GND_A
10K
7800
BC847B
1n
3801
6K8
3802
7411
BC847B
2803
3
4
5
2805
470n
1
2
3
4
TC38
1800
6
7
1
2
5800
GND_A
FE-ST-VK-N
1802
2K7
3804
22u
2814
100n
GND_A
BC847B
7802
GND_A
GND_A
1801
FE-ST-VK-N
10K
3820
2807
47u
MIC
2811
100n
100R
3819
470R
3808
2802
100n
MIC
3818
1M
4K7
3800
3807
20K
RK09D
1N4148
6801
1K
BC847B
7804
33R
1M
3805
2812
1u
3806
2817
680p
10K
3812
GND_A
GND_A
GND_A
150K
3815
MIC
1N4148
3822
1M
0.7V
2.3V
0V
0.7V
1.2V
5.2V
0.1V

Table of Contents

Other manuals for Philips FW-C355

Related product manuals