EasyManua.ls Logo

Philips FW-C355 - Cenelec Tuner Circuit

Philips FW-C355
72 pages
Print Icon
To Next Page IconTo Next Page
To Next Page IconTo Next Page
To Previous Page IconTo Previous Page
To Previous Page IconTo Previous Page
Loading...
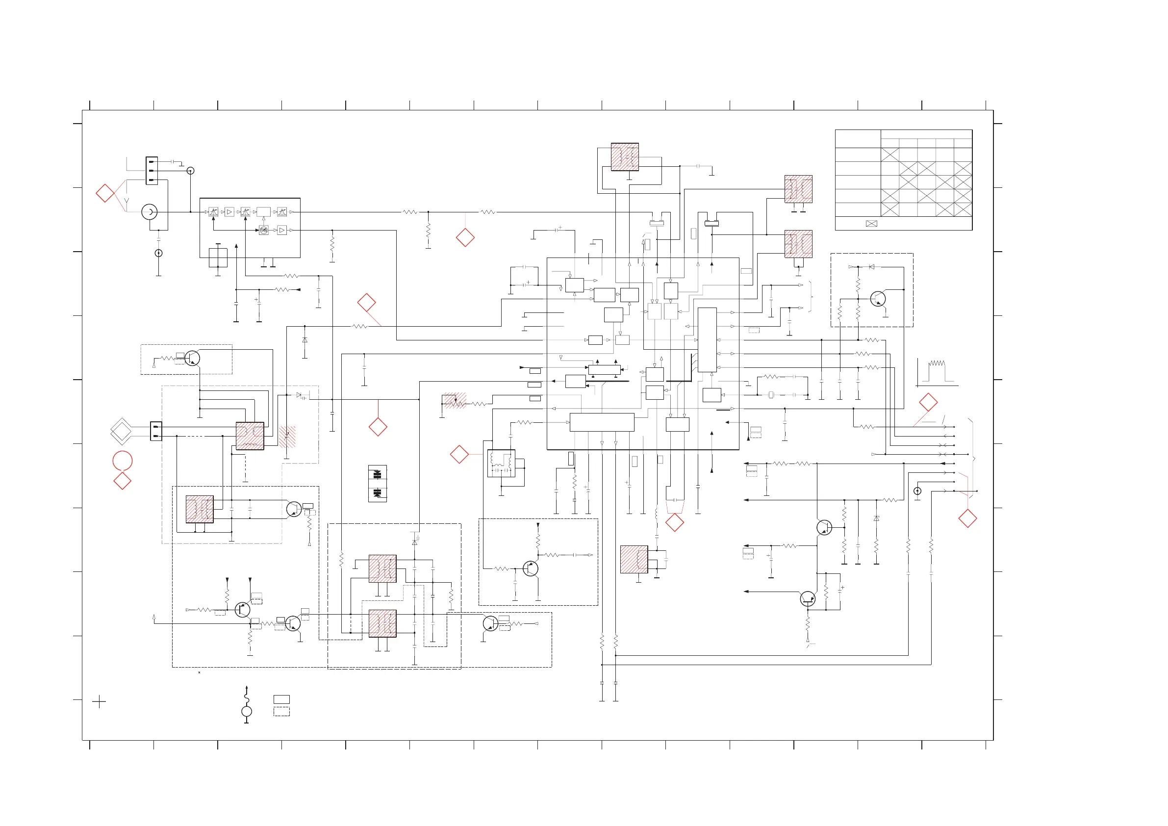
CENELEC TUNER CIRCUIT
11-11 11-11
MIXER
varicap
FM FRONTEND
GND
PRE-
SCALER
MULTI-
PLEXER
VSTABA
AM-IF
MONO/
XTAL
AGC
CONTROL
OSC
AM DET
AM
OSC
AGC
VCC2
AGC
PUMP
AM
MIXER
DECODER
CHARGE
FM
IF1
FRONTEND
AM
VSTABB
DET
FM
CONTROL
FILTER
AM
IF
AM
DET
STEREO
STEREO
FM
IF2
RIPPLE
AGC
STABILIZER
AFC
VDD
CTRL
AGC
mono
7.5V
RDS only
MPX
BUFFER
1.3V
0V
0.8V
(10-14V)
AM-IF1
2V
VCO
8.3V
DATA
CLOCK
TUNER BOARD ECO6
STEREO
8.2V
RIGHT
ENABLE/MPX
E
F
G
H
I
AM G13
FM G13
1101 A2
1102 B1
1103 E2
1110 B2
AM-AFC
BIRDY FILTER
0.7V
450kHz
MW/LW-RF
from
2169
0V
8.2V
2V
0.2V
0V
AM-OSCILLATOR
LW=HIGH
LW
8
1V
LW
MW
8.2V
0V
1234567891011
FM-IF2
to/from
0.7V
1.4V
1.1V
0V
stereo
0.2V
152 kHz, 50mVpp
kHz
HN1V02H
6105
component mounted
12 13 14
123456789
0.1V
1.1V
0V
0V
PROGR.
1V
1-8V
OUTPUT PORTS
1.4V
AM-IF2
GND
7.8V
/00 /02 FM/MW/LW
1.4V
10 11 12 13 14
A
B
C
D
E
F
G
H
I
A
B
C
D
7.8V
mono 4.8V
0V
0V
/00 /02 FM/MW
7111
FM 75 OHM
1
marked components not for LW version
from
DISCRIMINATOR
8.3V
1130 A2
1131 C1
1132 F13
2102 B2
2105 A2
2106 E3
2107 E4
2108 G3
2109 G3
2118 G6
2119 H6
2120 G6
2122 I6
2123 H6
2124 H6
2125 H6
2127 E7
2128 B8
7.5V
12V
/14 FM-OIRT/MW
/17 FM/AM
/ SYSTEMS-CENELEC
LW only
AM FRAME AERIAL
VERSION
stereo 0.4V
7101/39
1.2V
450kHz
0V
11V
8.2V
0.1V
9.6V
7.5V
7.4V
2129 C7
2130 F11
2131 F8
2132 F8
2133 F8
2134 I8
2135 I9
2136 H14
2137 H13
LW =HIGH
0V
stereo
AMPLIFIER
8.2V
8.9V
8.2V
VERSION PROGRAMMING COMPONENTS
0.1V
stereo 0.2V
2138 F9
2139 G9
2140 G9
2141 F10
2143 G12
2144 G11
2145 E11
2146 E12
2147 E12
2148 E12
2149 H7
2150 A10
2159 D5
2161 C11
2162 H12
2163 D11
2164 F10
2165 C7
2166 D12
2167 E12
2169 G8
7
6
VCC
VERSION DETECTION
1.3V
0.7V
mono 4.8V
54
3
2180 C4
2190 C3
2191 C3
3105 D5
3108 D2
3109 G4
3123 H3
3125 H2
3128 H3
3130 I8
3131 I9
3132 G4
3134 H6
3135 E7
3137 H7
3141 E7
3142 E6
3143 G7
3144 G8
3145 F8
3146 G13
MW=HIGH
1.4V
MW
0V
3150 H12
3151 H12
3152 G14
3153 G13
3154 F13
3155 G11
3156 C12
3157 C12
3158 E13
3159 D13
3160 D13
3161 D13
3167 F12
3168 F11
3169 D11
3170 C12
3171 G12
3172 G12
3176 G7
3180 I3
3190 B6
3191 B7
3192 B6
3193 B4
3194 C4
3195 C4
4101 E2
4102 F3
0.7V
0.7V
0V
9V
0.7V
0V
2
3170
8V
4104 H5
5102 E3
5103 F2
5109 B9
5110 B10
5111 A9
5112 A11
5114 B11
5115 F7
5118 G9
5119 G9
5121 E11
5122 H5
5123 G5
6105-1 E4
6105-2 G6
6106 D4
6107 G13
6120 C13
7101 B8
7103 G8
7104 D2
7105 F4
1V
11V
0.6V
to 1120
pin 5
0.8V
0V
7.2V
0V
8.3V
7109 H3
7110 H12
7111 C13
7112 G12
7122 H4
7124 H7
TU_+12V F14
TU_CLK E14
TU_DATA E14
TU_EN F14
TU_EN1 F14
TU_GND F14
TU_LEFT F14
TU_LEFT1 F14
TU_RIGHT F14
TU_ST E14
6.7V
1.2V
MW=HIGH
FM-IF1
1.2V
0.7V
6120 3156
8.9V
3157
1.4V
0.7V
450kHz
/01 FM/MW
5V
1.1V
0.7V
LW only
0.1V
1.4V
0V
0.15V
1.6-8V
1.4V
0V
0V
7.5V
0.1V
12Vtyp
7.5V
0V
1.6-8V
LEFT
0.6V
0.4V
5109
2
G
1
I
3
O
2159
33p
5112
7P
2127
220n
7112
BC547C
10K
3180
7122
BC847C
22p_LW
18p
BC857B
7109
2165
1130
C-PAD
1101
USA
YKD21
1
2
3
2118
2p2
3123
3125
10K
RF-GND2
15
RIGHT
RIPPLE
1
7
VCC1
22
VCC2
9
VCO
23
VDD
38
VSTABA
VSTABB
34
29
WRITE-EN
25
2K2
3128
10u
2128
1132
C-PAD
TU_LEFT
TU_GND
VCC1
MPX
2105
USA
2143
220n
3161
22K
470R
3152
2144
1u
47K
3171
220n
2136
2130
22n
3153
470R
470n
2164
2140
82p
BAS216
6120
120R
3167
2106
11p
20p_LW
2169
2n2
BC337-40
7105
2133
56K
3141
1u
100u
2129
2K2
3145
2124
10n
*
2137
220n
2u2
2138
2139
15p
2n2
2148
2147
220p
2145
220p
150K
3169
2167
12p
1K
3144
3142
100K
22K
3143
220R
3105
2102
100n
100n
2
34
6
78
2191
100u
5111
1
150R
3155
7104
BC337-40
2107
1u
3194
2K2
22n_USA
2141
100n
6
78
2134
15n
5119
1
2
34
7111
BC847C
1102
YKD31-0432
1
2
5110
G
2
I
1
O
3
100K
3170
p
2119
10p
1
2
34
6
78
2123
390p
470R
3158
5122
2132
470n
8
470n
2131
8
5102
7KL
1
2
34
5
6
7
5115
123
46
7
15n
2135
22n_USA
22K
3137
220p
2146
5118
0u10
2125
560p
BC847C
7124
3190
120R
2109
10p
120R
3191
3
4
6
78
100n
2163
5103
1
2
LW
3109
4K7
22R
3146
2K2
3108
3157
100K
22u
2162
3172
5K6
10K
3150
TU_LEFT1
4101
*
4102
*
4104
*
34
6
78
BAS216
6106
5123
1
2
3159
470R
470R
3160
330R
3154
5
3
6
DT-381
5121
75
22K
3134
HN1V02H
6105-2
21202122
3n3
4K7
p
33
FM-IF2-IN
FM-OSC
5
8
I-TUNE
17
IF-GND
14
LEFT
12
LPF
24
11
MPX-IN
13
MUTE
43
NC
30
P0
31
P1
16
PILOT
4
RF-GND1
42
AGC
32
AM-AFC
41
AM-IF1-IN
36
AM-IF2
40
AM-MIXOUT
6
AM-OSC
2
AM-RF
39
AM|FM
27
CLOCK
28
DATA
26
DIG-GND
21
FIELDSTR-IND
18
FM-DEMOD
3
FM-GND
37
FM-IF1-IN
35
FM-IF2
7101
TEA5762
10
AF-OUT
20
AFC+
19
AFC-
44
10
8
OSC-OUT
V
5
VCC
6
p
2190
100n
78
FE450
1110
ANT
1
2
34
IF-OUT
7
9
5114
7P
1
2
34
6
47R
3132
1103
XH-S
1
2
2108
100p
2161
100n
p
2150
100n
7110
BC857B
BC857C
7103
3135
1K
100K
3156
330R
3192
3130
820R
820R
3131
TU_+12V
TU_RIGHT
TU_DATA
TU_EN
TU_CLK
TU_ST
C-PAD
TU_EN1
1131
33K
3176
2149
33p
100R
3195
330R
3193
BZX284-C11
6107
1
2
34
6
7
8
2166
1n
HN1V02H
6105-1
1
2
7
100n
68K
3151
3168
120R
2180
10n
P1
P0
P0
P01
VCC1
MPX
VCC2
VDD
VCC1
VDD
VCC2
P1
+FM
AM_FM
+FM
AM_FM
VDDVDD
P0
P01
P0
3139 118 55160 ...91660 dd wk203
PLEASE REFER TO 3103 308 6424
NOTE : ORIGINAL SCHEMATIC FROM ICAP VIENNA
p ...for provision only
* ... only assembled in FM/AM-version
USA ... for USA version only
LW ... for LW version only
LEGEND
...V MW mode
transmitter
...V LW mode
voltages measured while
V
EVM
set is tuned to a strong
...V FM mode stereo
B
D
3
2
4
C
A
5
1

Table of Contents

Other manuals for Philips FW-C355

Related product manuals