EasyManua.ls Logo

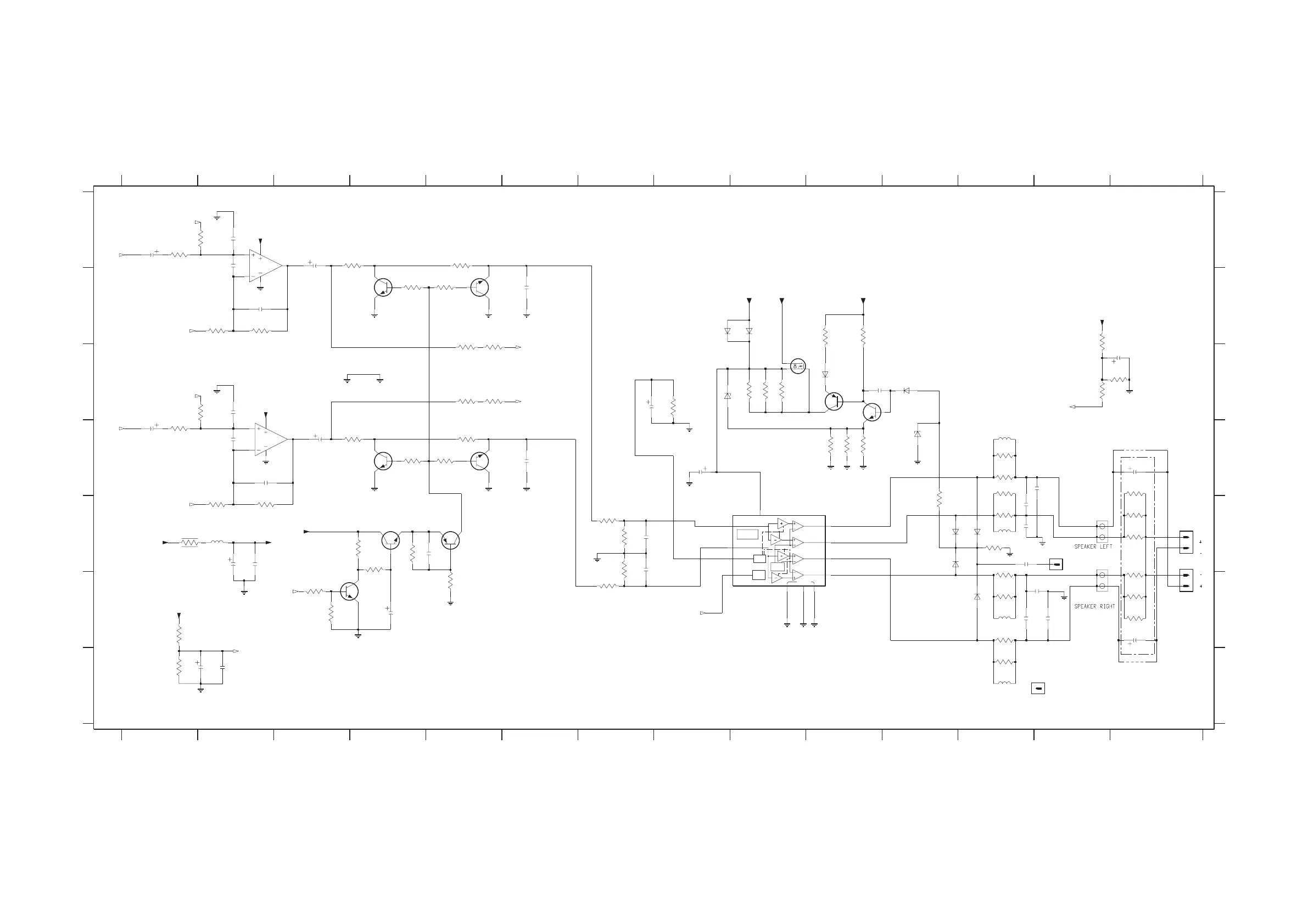
Philips FW-C355 - Pre- & Power Amplifier Circuit

Philips FW-C355
72 pages
Print Icon
To Next Page IconTo Next Page
To Next Page IconTo Next Page
To Previous Page IconTo Previous Page
To Previous Page IconTo Previous Page
Loading...
PRE- & POWER AMPLIFIER CIRCUIT
11-6
11-6
STBY
CIRC
MUTE
TSD PROT
CIRCUIT
REF
GND
A
B
C
D
E
F
G
0888 E13
0889 G13
1300-A F13
1300-B E13
1322 E14
1323 E14
2351 D14
2352 F14
2361 E7
2362 E7
2365 E12
2366 F12
2367 D12
2368 F13
2369 E12
2370 F13
2371 C7
2372 D8
2373 C10
2377 C14
2378 E12
2604 C2
2605 A2
2606 D2
12345678910111213 14
12345678910111213 14
A
B
220n
2369
C
D
E
F
G
47n
2607 B2
2608 D2
2609 A3
2610 D3
2611 B6
2612 D6
2613 G1
2614 G2
2615 E2
2616 E2
2617 F4
2618 E4
2662 A1
2663 D1
2664 A2
3355 D14
3356 E14
AV00
TO HEATSINK SCREW
3357 E14
3358 F14
3359 E14
3360 F14
3361 E7
3362 F7
3363 E7
3364 E7
3365 D12
3366 F12
3367 D12
3368 G12
3369 D12
3370 F12
3371 E12
3372 E12
3373 E12
3374 E11
3376 C9
3377 B10
+6V
3378 B10
3379 D10
3384 B13
3385 C14
3386 C13
3387 D10
3388 D10
3389 C9
3390 C9
AQ00
3392 C8
3608 E2
3609 A4
3610 D4
3611 B4
3612 D4
3613 B5
3614 D5
3615 A5
3616 D5
3617 B5
3618 C5
3619 B5
3620 C5
3621 F1
3622 G1
3623 E1
3624 F3
3625 F3
3626 E4
3627 E4
3628 E4
3629 F5
3630 A1
3631 C1
3632 A1
3633 D1
3634 B2
3635 B2
3636 E2
TU
5301 D12
5302 G12
5303 E12
5304 F12
5601 E2
6371 B9
6372 B8
6373 C8
6374 C10
6375 C11
6376 E11
6377 E11
6378 F12
6379 E12
6380 D11
7301 E9
7302 C9
7303 C10
7304 C10
7600-A A2
7600-B D3
7602 D4
7603 B5
7604 D5
7605 F4
7606 E4
7607 E5
7608 B4
9508 G14
9510 D14
AR
2361
680p
D
AL
1K
3612
1K
+50V
330R
3358
G
470p
2605
3370
4R7
3
2
1
7600-A
NJM4556AM
3387
10K
BC817-25
7603
10R
3623
GND_A
4K7
3373
4K7
3621
4R7
3636
6K8
9508
3372
47R
3619
220u
2352
2365
470R
3374
3365
4R7
G
2613
100u
12K
3376
8
4
22n
2616
10R
3632
3363
5301
1u
8K2
27K
3634
330R
3377
100p
2604
22u
2377
2378
220p
6374
3390
12K
G
1N4148
680p
2362
5304
1u
3378
2K2
3622
4K7
2664
100p
STP16NE06
7302
6379
1N4003
3629
4K7
7304
220p
2608
7303
BC856B
BC847B
2615
47u
7602
BC817-25
2u2
5601
3386
100R
GND_A
100p
2618
2351
220u
6372
1N5392
1N5392
6371
2373
47p
3368
4R7
3366
3618
33R
4R7
3610
1K
3371
2662
2u2
GND_PA
4R7
12K
3630
220n
2370
BC847B
7606
3627
5K6
6
7
8
4
4K7
3628
7600-B
NJM4556AM
5
100p
2611
10K
3388
1N4148
6377
1N4003
4u7
2371
AL
6375
4R7
3369
GND_PA
AP
GND_A
BC817-25
7608
3367
4R7
1u
5303
G
0888
2612
100p
GND_PA
2606
470p
3389
+C
22n
2614
1K
3392
12K
3608
27K
3626
1K
1K
3611
GND_A
3631
12K
EH-S
1
2
AR
220n
2367
1322
2
1
10u
2617
AP
1300-A
3625
GND_A
150K
3385
GND_PA
10K
6376
1N4003
6378
1N4003
3620
47R
9510
G
82K
3362 330R
3356
3384
1K5
10K
3379
GND_PA
BZX79-B3V9
6373
GND_PA
1K
3614
3616
1K
G
2607
220p
3624
10K
2372
G
330R
3359
330R
3360
4u7
1K
3615
G
3355
330R
GND_PA
D
33R
3617
+H
2609
22u
BZX79-B22
6380
220n
2368
2366
3633
10R
2u2
2663
3361
82K
3364
8K2
EH-S
1323
1
2
GND_A
BC847B
7605
BC857B
7607
3609
1K
GND_A
1300-B
3
4
3635
6K8
330R
3357
CH1-O- 4
CH2-IN8
CH2-O+ 12
CH2-O- 10
3117
MUTE9
STBY5
VCC
1
5302
1u
7301
AN17830A
CH1-IN6 CH1-O+ 2
7604
BC817-25
22u
2610
3613
AMP_ON
B_REF3
HPREF
HPREF
AMP_IC
AMP_IC
B_REF3
HPREF
HP_RIGHT
HP_LEFT
HPREF
+12V_A
B_REF3
HPREF
+12V_A
VOL_RIGHT
VOL_LEFT
+5V6
MUTE
3139 118 55160 ...90280 sh 4 dd wk203
HEATSINK SCREW HOLE
0889
47n
+17.5V
+16.7V
+16.7V
+16.7V
+54.2V
+35.8V
+53.8V
+54.2V
+7.2V
+13.8V
+16.7V
4.7V
5V
+3.64V
+16.7V
+7.8V
+3.64V
0V
0V
0V
0V
+7.8V
+7.8V
+7.8V
0V0V
+12V
+6V
+6V
+6V
+12V
+6V
+6V
+6V
+4.3V
0.6V
+5.6V
0.1V
+6V
+5V
+5V
+5V
0V
Matrix Surround only
pt2
pt2 For point 2 pc board only

Table of Contents

Other manuals for Philips FW-C355

Related product manuals