EasyManua.ls Logo

Philips FWD39 - System Block Diagrams; Overall System Block Diagram; Switch Mode Power Block Diagram

Philips FWD39
51 pages
Print Icon
To Next Page IconTo Next Page
To Next Page IconTo Next Page
To Previous Page IconTo Previous Page
To Previous Page IconTo Previous Page
Loading...
4-1
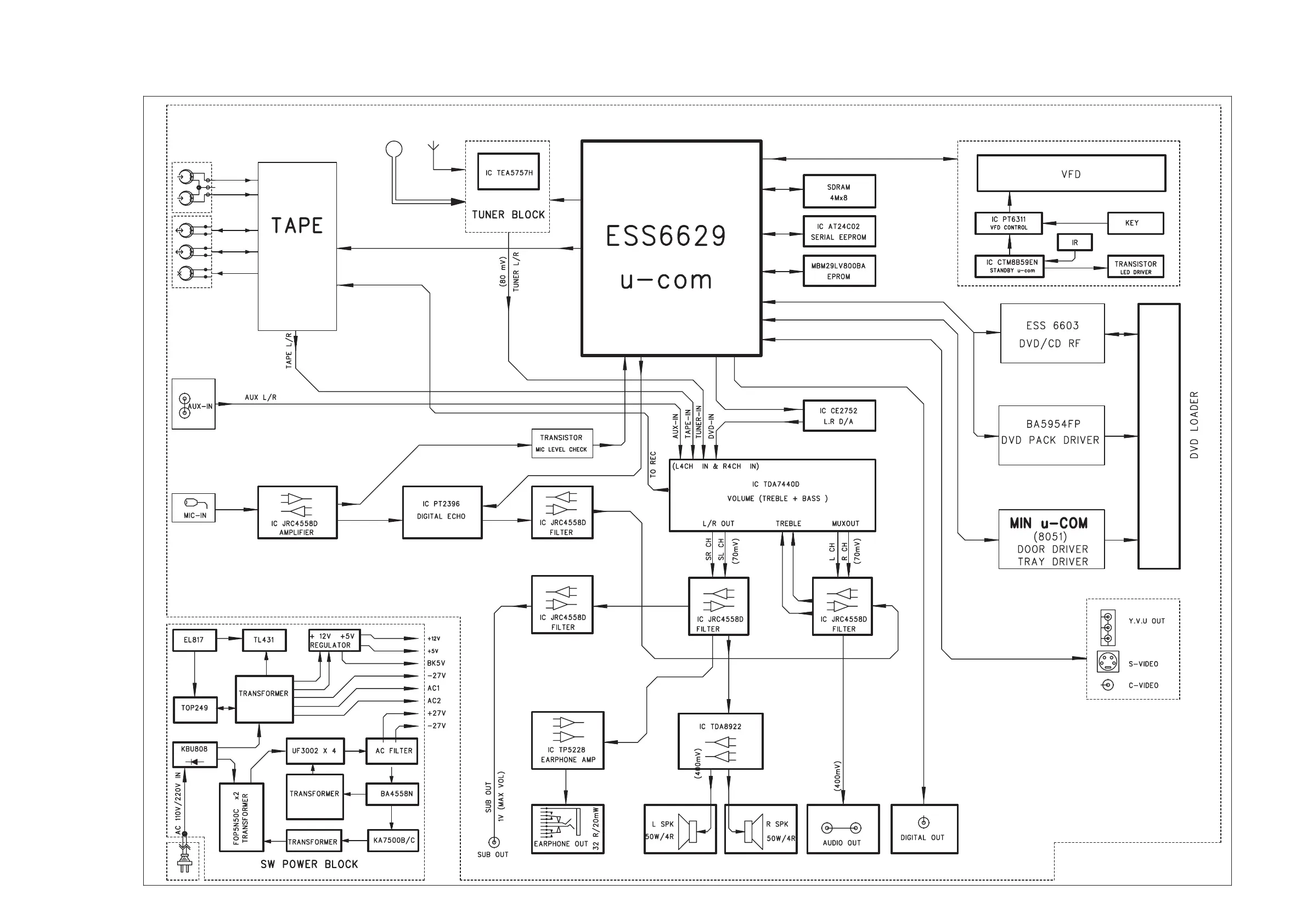
BLOCK DIAGRAM
4-1

Other manuals for Philips FWD39

Related product manuals