EasyManua.ls Logo

Philips FWD39 - Power Board IC Block Diagrams; KA5 M02659 RN Power Controller IC Diagram; KA7500 C Switching Controller IC Diagram

Philips FWD39
51 pages
Print Icon
To Next Page IconTo Next Page
To Next Page IconTo Next Page
To Previous Page IconTo Previous Page
To Previous Page IconTo Previous Page
Loading...
POWER BOARD
TABLE OF CONTENTS
IC INTERNAL BLOCK DIAGRAM ....................................... 8-1
Circuit Diagram .................................................................... 8-2
PCB Layout ..........................................................................8-3
Electrical Parts List .............................................................. 8-4
8-1
8-1
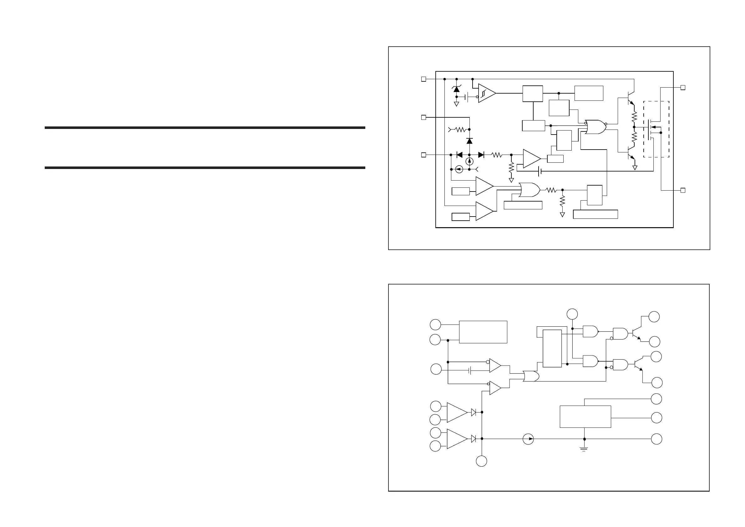
KA5M02659RN INTERNAL BLOCK DIAGRAM
OSCILLATOR
+
1
-
+
2
3
-
7
14
12
10
11
9
8
C1
E1
C2
E2
V
CC
R
T
C
T
V
REF
GND
13
1
6
5
4
2
16
15
BAND GAP
REFERENCE
OUTPUT CONTROL
DEAD
TIME
CONTROL
EA(+)
EA(-)
EA(+)
EA(-)
PWM
COMP
COMP INPUT
0.7MA
1.2V
D
Q
Q
CK
5V
uA
V
CC
32V
5
A
5V
2.5R
1R
1mA
0.1V
+
OVER VOLTAGE S/D
+
7.5V
27V
Thermal S/D
S
R
Q
Power on reset
+
L.E.B
S
R
Q
OSC
5V
Vref
Internal
bias
Good
logic
SFET
DRAIN
GND
FB
Soft Start
9V
*
KA7500C INTERNAL BLOCK DIAGRAM

Other manuals for Philips FWD39

Related product manuals