EasyManua.ls Logo

Philips HTS-3510 - DVD System Block Diagrams

Philips HTS-3510
60 pages
Print Icon
To Next Page IconTo Next Page
To Next Page IconTo Next Page
To Previous Page IconTo Previous Page
To Previous Page IconTo Previous Page
Loading...
- 3-9 -
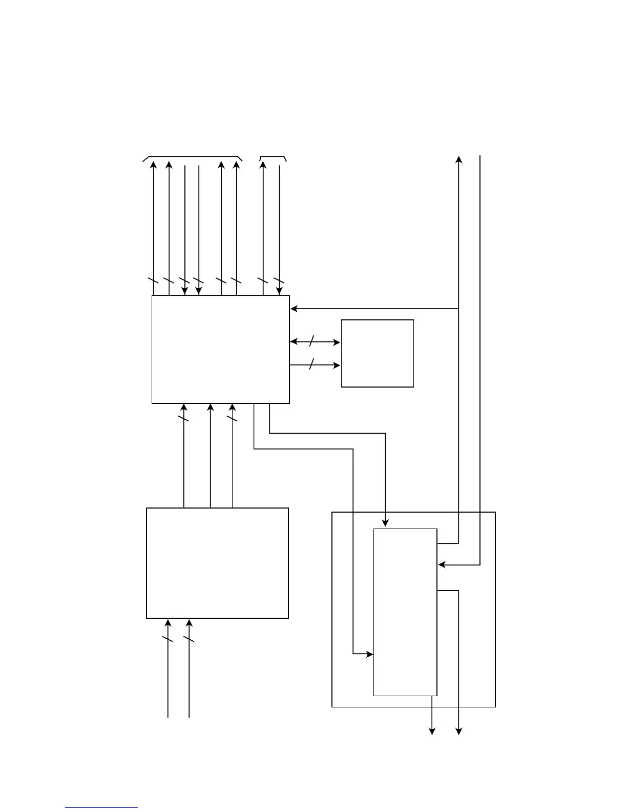
BLOCK DIAGRAMS
1. RF/CD DSP/DVD DSP/DVD SERVO Block Diagram
IC2A1
33P3721
RF Signal
Processdr
IC206
DVDSP-3301
CD/DVD DSP
DVD SERVO
DRAM
256K x 16bit
IC2M1
KA3032
SpindleMotor,LoadingMotor,
Actuator Driver
PICK
UP
DVD:A,B,C,D,
FE,TE,PI,SBADD
SENS,FOK,SLD_FG,
MSDATO,DEFECT,DSP_SENSE
SQSO,SQCK,SCOR
XLAT,S_CLK,S_DA
TA
DSP_CS,/WR,/RD
DO[0:7]
AO[0:5]
DVD_DATA[0:7]
MCK
UCOM
I/F
MPEG
I/F
UCOM
I/F
M/D
DVD/CD RF
MIRR,TZC
ICADDR[0:8]
ICDATA[00:15]
MON,MDP
FDO,TDO,FMO
Spindle
focus,tracking,loading,sled
SPINDLE_FG
Load open/close(loading control)
CD:A,B,C,D/E,F
4
4
5
3
3
3
8
6
8
8
2
4
9
16

Related product manuals