EasyManua.ls Logo

Philips L03.2L AA - CRT Panel

Philips L03.2L AA
43 pages
Print Icon
To Next Page IconTo Next Page
To Next Page IconTo Next Page
To Previous Page IconTo Previous Page
To Previous Page IconTo Previous Page
Loading...
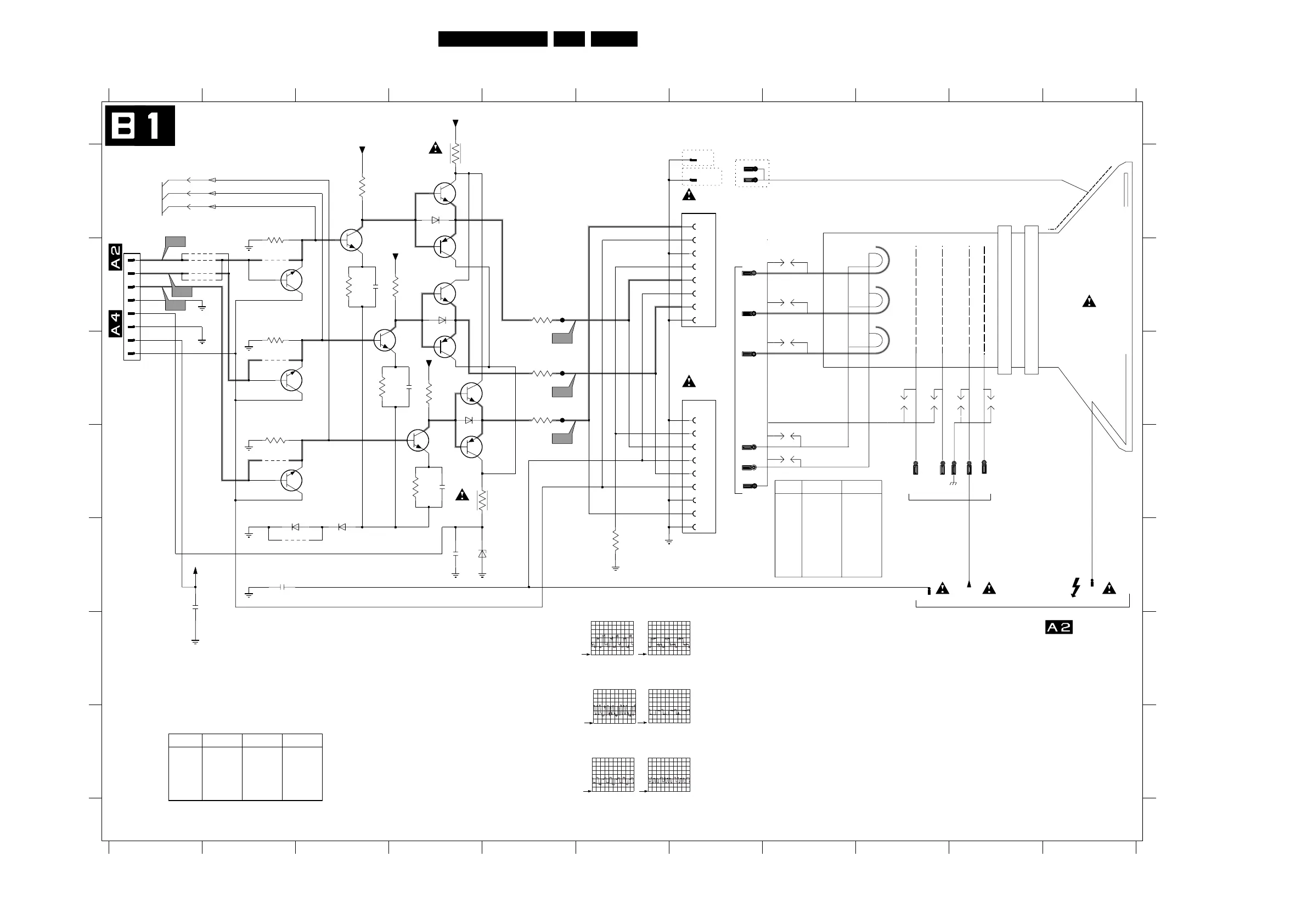
Circuit Diagrams and PWB Layouts
EN 25L03.2L AA 7.
CRT Panel
R
G
B
Blue
Green
Red
*
*
*
Item
109V0
E
F
G
A
B
C
D
E
F
G
VG2 E9
1300 B1
1301-1 A7
1302-A C7
1303 A7
1304 A7
2300 B3
2301 C4
2302 D4
2303 E2
2304 E1
2318 E4
3300 A3
3301 B5
3302 A2
Heater
107V6
3V1
TO CRT SOCKET
Pin 6
1234567891011
1234567891011
A
B
C
D
Aquadag
Green
Red
RES
FROM MAIN CHASSIS TO LOT
120V0
TO CRT SOCKET
FOCUS
R
7V7
3303 B3
3304 B4
3305 C5
3306 C2
3307 C3
3308 C4
3309 C5
3310 D2
3311 D4
3313 A4
3318 D4
3319 E6
4300 B2
4301 C2
4302 D2
4303 B1
Ground
3V0
G
Heater
9 Pin
168V7
168V8
106V0
B
2V7
RES
CRT
4304 B1
4305 B1
4306 B1
4307 E2
6301 E3
6307 E2
6313 A4
6316 B4
6317 C4
6318 E4
7307 B3
7308 B3
7309 C3
7310 B3
7311 D3
7312 D4
7313 A4
7314 B4
7315 B4
RES
Pin 8
Blue
Red
Pin 5
2V6
RES
7316 C4
7317 C4
7318 D5
Pin 7
168V7
Pin 3
418V0
H1
9
7311
33K
3308
1K5
3319
GND
12
3313
68R
GND_CRT
P1
1301-1
1
BF422
7310
1K5
3305
220R
3318
7
P7
680p
7V7
109V0
7V7
BAS321
Heater
Heater
VG2
Pin 5
Green Pin 9
6V3
3V0
JUMP
JUMP
NO
123V0
EHT
VG2
CRT
TO 1622 OF
RES
170V0
Pin 11
3V0
170V0
170V0
3V0
3V0
6V3
6V3
Pin 8
3V0
4305
330R
13v/19v
JUMP
JUMP
NO
Pin 7
2V6
4306
3311
4303
4304
170V0
VG1
3V3
104V0
CRT PANEL
3V2
122V0
12 Pin
GND Pin 1 Pin 1 & 12
VG1
BAS321
Pin 9
AND 1400 OF
Blue
Pin 10Pin 4
170V0
BF422
7312
BAS321
108V0
Pin 6
G3
1302-A
1
G1
4300
3304
33K
P8
8
G2
10
GND_CRT1
GND_CRT
180p
2302
3
GND_CRT
6
CG
220R
3303
6317
4301
3301
1K5
*
NO
20v
390R
JUMP
NO
NO
JUMP
14RF
330R
NO
*
7313
BF422
1300
GND_CRT
BF423
7316
5
220R
3311
4302
4304
180p
2300
CB
11
GND_CRT
1304
5
7314
BF423
220R
3307
P5
6307
7317
BF422
BAS316
4306
6
180p
2301
BF422
7315
4
P6
V12
GND_CRT1
P4
GND_CRT1
1303
7307
4303
220R
3306
V17
6316
EH-B
1
2
3
4
5
6
7
8
P3
6313
1n
2318
1K5
3309
4307
GND_CRT1
7318
BF423
7309
33K
3300
P9
9
GND_CRT GND_CRT
3310
220R
VG2
7308
BF422
7
CR
8
6301
BAS316
4305
H2
GND_CRT
47n
2304
220R
3302
6318
BZX284-C8V2
2303
Filament
V16
V15
GREEN
BLUE
RED
V13
V14
3139 123 5800.1
E_14560_010.eps
150304
V15
50V / div DC
20µs / div.
V16
50V / div DC
20µs / div.
V17
50V / div DC
20µs / div.
V12
1V / div DC
20µs / div.
V13
1V / div DC
20µs / div.
V14
1V / div DC
20µs / div.

Related product manuals