EasyManua.ls Logo

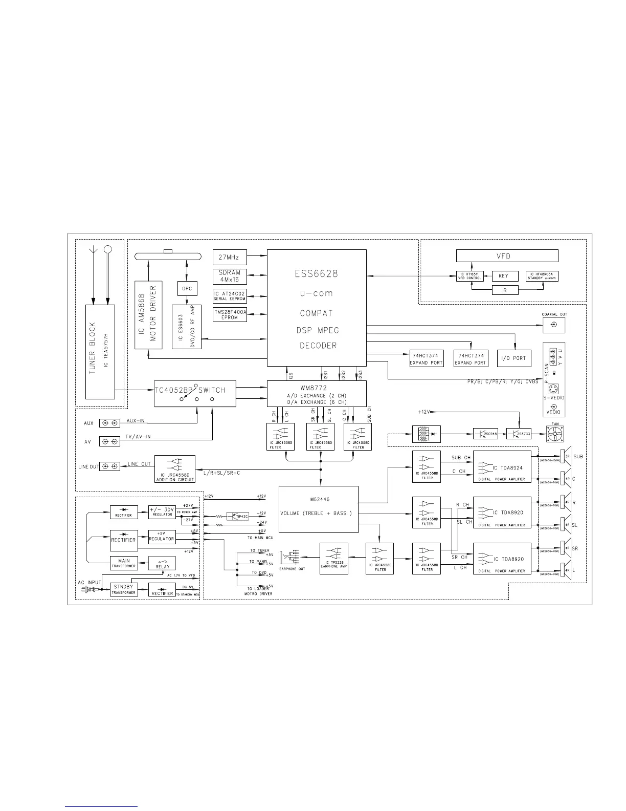
Philips MX2500/01 - Block Diagram

Philips MX2500/01
37 pages
Print Icon
To Next Page IconTo Next Page
To Next Page IconTo Next Page
To Previous Page IconTo Previous Page
To Previous Page IconTo Previous Page
Loading...
4-1
BLOCK DIAGRAM
4-1

Other manuals for Philips MX2500/01

Related product manuals