EasyManua.ls Logo

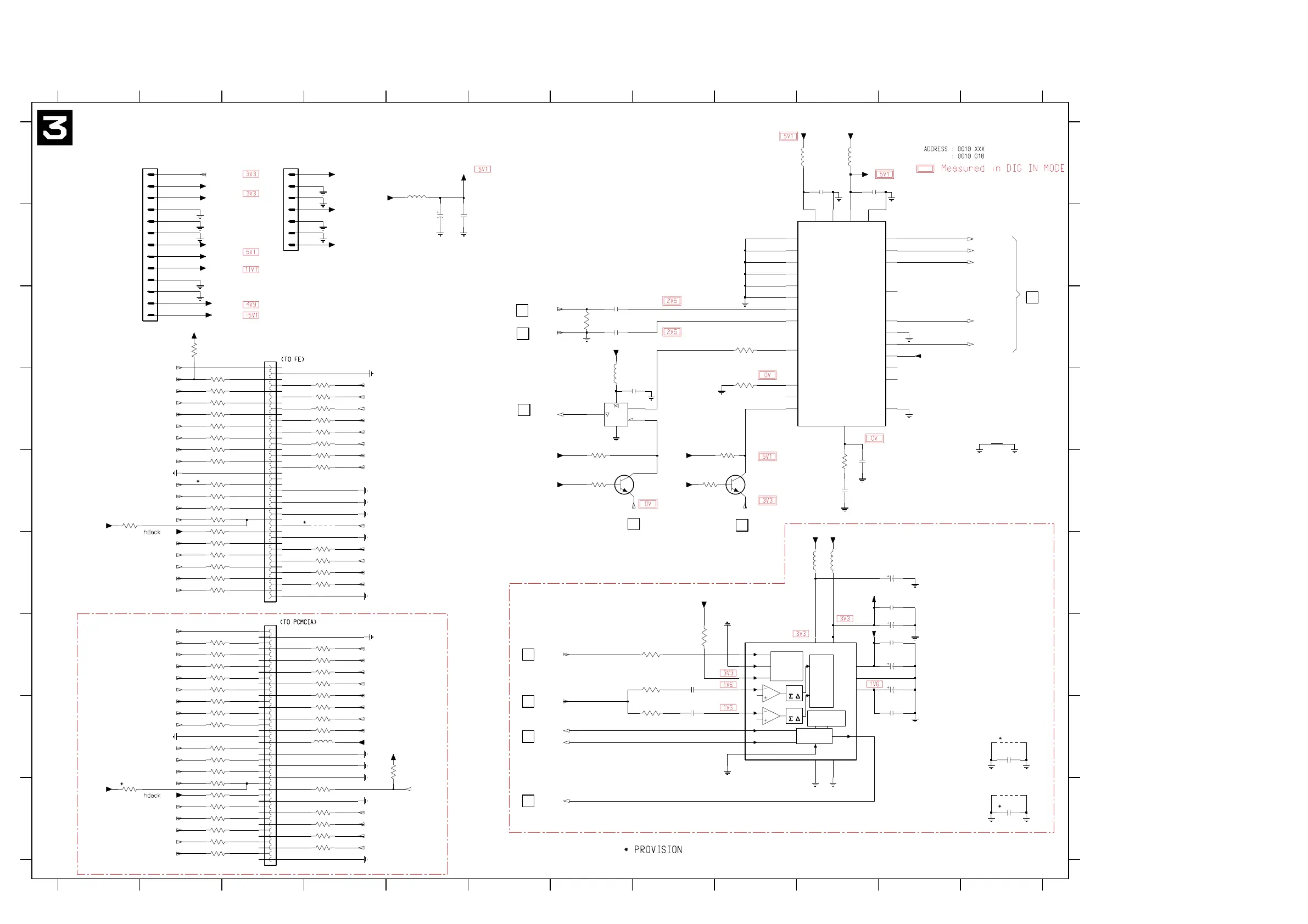
Philips MX3900D - Circuit Diagram 3

Philips MX3900D
128 pages
Print Icon
To Next Page IconTo Next Page
To Next Page IconTo Next Page
To Previous Page IconTo Previous Page
To Previous Page IconTo Previous Page
Loading...
12-6
12-6
CIRCUIT DIAGRAM 3
ADC
CLOCK
CONTROL
ADC
DIGITAL
INTERFACE
DECIMATION
FILTER
DC-CANCEL
FILTER
EN
H
I
A
B
C
D
E
F
G
H
I
1501 A2
1503 A3
1504 F3
1505 G3
2501 A10
2502 A10
2503 C7
2504 C7
2505 B5
2506 B5
2507 E10
2508 G8
2509 H8
2510 F11
2511 F11
2512 G11
2513 G11
2514 G11
1
123456789101112
123456789101112
A
B
C
D
E
F
G
2
2515 G11
2516 H11
2517 I12
2518 E10
2519 D8
2520 H12
3500 D9
3501 C7
3502 C9
3503 E8
3505 E10
3508 G8
3509 G8
3510 G8
3511 H8
3512 E9
3513 E7
3514 E7
3521 D2
3522 D2
3523 D2
3524 D2
3525 D2
3526 D2
3527 D2
3528 E2
3529 E2
3530 E2
1
3531 E2
3532 E2
3533 E1
3534 E2
3535 F2
3536 F2
3537 F2
3538 F2
3539 F2
3540 D4
3541 D4
3542 D4
3543 D4
3544 D4
3545 D4
3546 E4
3547 E4
3548 F4
3549 F4
3550 F4
3551 F4
3561 G2
3562 G2
3563 G2
3564 G2
3565 G2
3566 H2
3567 H2
3568 H2
1
2
2
3569 H2
3570 H2
3571 H2
3572 I2
3573 I1
3574 I2
3575 I2
3576 I2
3577 I2
3578 I2
3579 I2
3580 G4
3581 G4
1
1
SPDIF CONVERTER & ADC
3582 G4
3583 G4
3584 G4
3585 H4
3586 H4
3587 H4
3588 I4
3589 I4
3590 I4
3591 I4
3592 I4
3593 C2
3594 H5
4521 E4
4522 H12
4523 I12
5501 A5
5502 A10
5503 A10
5504 F10
5505 F10
5506 D7
5507 H4
7501 C10
7502 G9
7503 D7
7504 E8
7505 E9
2
1
3566
22R
2506
1u0
5504
22R
3592
+3V3
+3V3
5502
c_det
HD7
HD7
22R
adc
D
DD
+5D
adc
D
M
2510
100u
D
+5V
MIC_GND
D
22R
3590
4522
3593
10K
3570
22R
7505
BC847BW
+3V3
D
100n
3509
47R
2
3
4
5
6
7
8
9
5503
+12V
5501
+5D
4523
+5D
+5D
+5D
4K7
3533
100n
2507
1u0
2509
22R
3527
SDA|CDOUT
1
SDA|CDOUT
SDOUT
18
SDOUT
UU
20
VA+
VA+
623
VD+
VD+
RXP1
12
RXP1
RXP2
13
RXP2
RXP3RXP3
14
RXP4RXP4
15
RXP5RXP5
25
RXP6
26
RXP6
SCL|CCLK
28
SCL|CCLK
OLRCKOLRCK
17
OMCKOMCK
21
OSCLK
16
OSCLK
RERRRERR
11
RMCK
10
RMCK
9
RST_
RXN0
5
RXN0
RXP0
4
RXP0
2
AD0|CS_
AD1|CDINAD1|CDIN
27
AGND
AGND
7
DGND
22
DGND
3
EMPH_
FILT
8
FILT
24
H|S_
INT
19
INT
D
CS8415A
7501
2520
100n
D
+5D
22R
3575
3594
22R
3569
10K
D
5505
2517
adc
D
M
3586
5
6
7
22R
1503
FMN
1
2
3
4
3573
4K7
+5D
M
M
+12V
D
D
5506
100n
2511
22R
3568
adc
3567
22R
D
22R
3565
3564
22R
2508
1u0
AGND
D
10K
3512
+5VS
3525
22R
2512
6.3V
47u
D
4K7
4
40
5
6
7
8
9
3503
3
30
31
32
33
34
35
36
37
38
39
20
21
22
23
24
25
26
27
28
29
10
11
12
13
14
15
16
17
18
19
2
1505
FLT
1
3587
22R
22R
3591
3584
22R
22R
3583
3582
22R
4K7
D
22R
3572
3574
MIC_GND
2504
100n
2519
100n
75R
3501
47R
3508
3513
10K
3514
4K7
2514
D
47u
3502
47R
3545
22R
100n
2503
+5V
AGND
+3V3+3V3
3540
22R
3562
+5D
22R
22R
3563
3532
22R
22R
3531
VREFN
5VREFP
15
VSSA
10
VSSD
12 WS
22R
3530
11 BCK
13DATA O
14 FSEL
7PWON
6 SFOR
8 SYSCLK
16
VDDA
9
VDDD
1 VINL
3 VINR
2VREF
4
22R
3547
UDA1361TS
7502
3589
22R
+5D
22R
3524
3523
22R
1501
FMN
1
10
11
12
13
22R
3585
AGND
AGND
+5V_v
2518
4n7
22R
3544
3543
22R
3571
22R
2502
100n
+5VS
D
D
12K
3510
2505
10u 25V
7
8
9
35
36
37
38
39
4
40
5
6
25
26
27
28
29
3
30
31
32
33
34
15
16
17
18
19
2
20
21
22
23
24
1
10
11
12
13
14
+5D
FLT
1504
22R
D
3551
3550
22R
D
BC847BW
7504
D
adc
3536
22R
3535
22R
4K7
3534
22R
3526
+5V
22R
3541
+5VS
+5D
MIC_GND
3578
22R
3561
22R
22R
3579
7503
74HC1G125
2
3
1
5
4
D
3529
22R
D
adc
22R
3580
2516
100n
100n
2501
2513
100n
3576
3577
22R
22R
D
D
D
22R
3542
3511
12K
+3V3_ADC
47u
2515
5507
22R
3549
22R
3548
3546
22R
3539
22R
22R
3538
22R
3537
3505
1K2
3500
10K
-5V_v
D
22R
+3V3
MIC_GND
3528
D
+3V3
3588
22R
+5D
22R
3521
3522
4521
D
3581
22R
HD13
HD14
HD15
HD0
HD1
HD2
HD3
HD4
HD5
HD6
HCS3
hpdiag
p28_1
hdasp
hdrq
MCLK
HD10
HD11
HD12
HD13
HD14
HCS16
hpdiag
HA2
HCS3
HD15
MIC_IN
MCLK
RWS
RBCLK
IDE_RST
HRD
HWR
HIORDY
HCS16
HCS1
HIRQ
HA0
HA1
HA2
HD8
HD9
HD10
HD11
HD12
HWR
SP_EN
HD8
HD9
TDMCLK
TDMFS
+5VS
DIG_IN_1
DIG_IN_2
SP_RST
HRD
IDE_RST
HCS1
HA1
HD0
HD2
HD6
HD5
HD4
HD3
HD1
HIORDY
HIRQ
HA0
hdasp
CARD_ON
RSD
+3V3_SENSE
+3V3_ADC
+3V3_ADC
TDMDR
I2C_DATA_AD
I2C_CLK_AD
To AV Board
To FE Board
FOR KARAOKE VERSION ONLY
FOR PCMCIA VERSION ONLY

Other manuals for Philips MX3900D

Related product manuals