EasyManua.ls Logo

Philips MX3900D - Page 47

Philips MX3900D
128 pages
Print Icon
To Next Page IconTo Next Page
To Next Page IconTo Next Page
To Previous Page IconTo Previous Page
To Previous Page IconTo Previous Page
Loading...
8-4a
8-4a
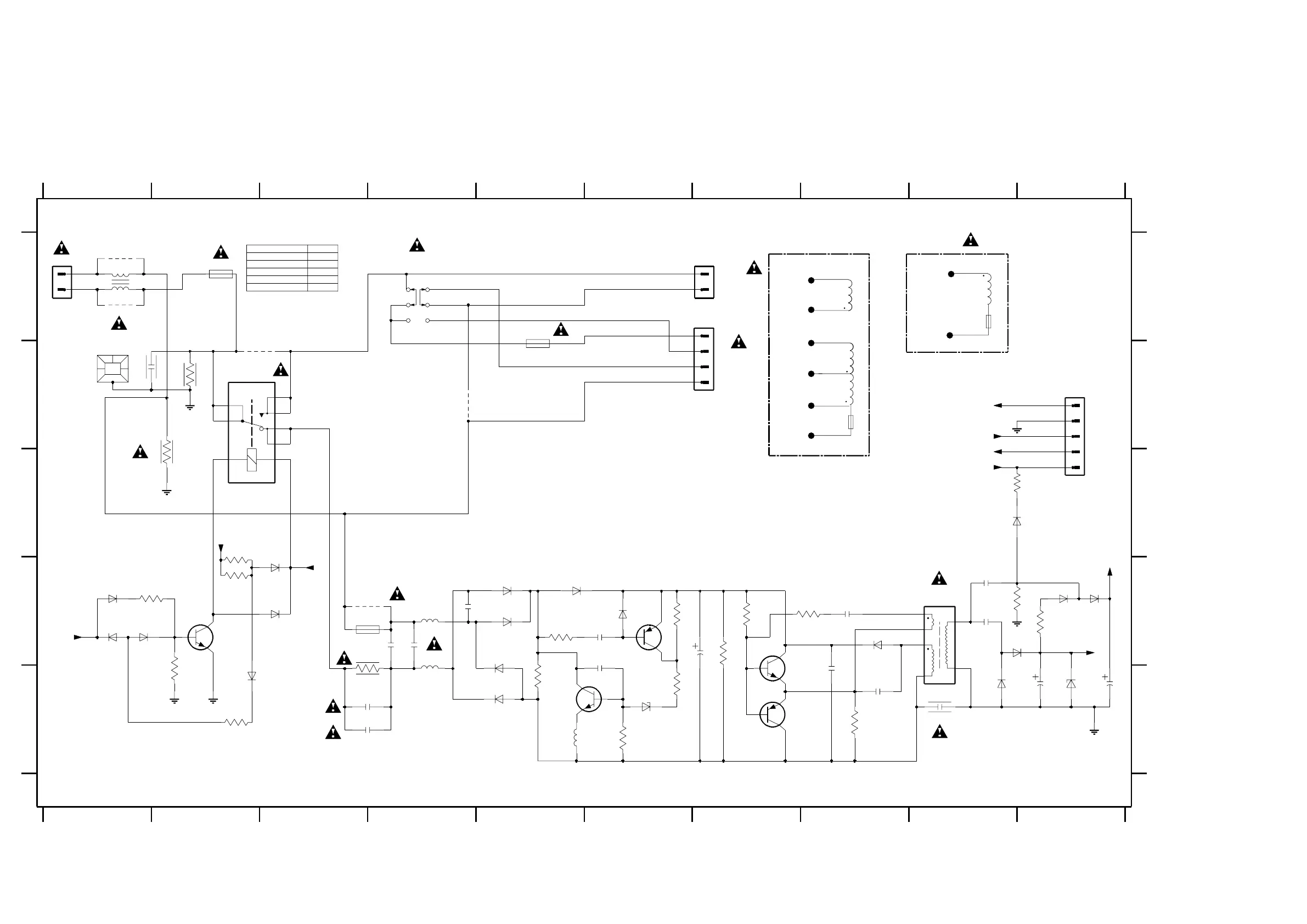
MAINS & ECO STBY BOARD - CIRCUIT DIAGRAM (For pcb layout ... 93438)
75W /21 Twin SW
75W /22
75W /37
100W /21 Twin SW
100W /22 Twin SW
T2A
T4A
WHITE
/37, /22 ONLY
22n 250V
E
0090 B1
1901 A1
1905 A2
1906 D3
1907 A7
1908 B10
1909 A7
1910 B2
1911 A4
1912 A5
2901 D9
2902 D4
7905
BC327-40
RED
1234
Transformer
Mains Transformer Primary Winding
#
Transformer
To Mains
To Mains
#
#
T2.0A IEC
T3.15A
T3.15A
For /21 only
For /21 only
5678910
12345678
BROWN
12V
12V
BLACK
BLUE
910
A
B
C
D
E
A
B
C
D
For /21 and /37
N
2903 D8
2904 D9
2905 D6
2906 D4
2907 D6
2908 E3
2909 D6
2910 E8
2911 E10
2912 E10
2913 E3
2914 E8
2915 E9
2916 B2
113V
WHITE
For /21
127V
T3.15A
Board
5.6V
2917 D4
3901 C2
3902 D6
3903 D7
3904 D8
3905 D10
3906 D5
3907 D9
3908 E5
3909 E6
3910 E6
3
T2.0A IEC
For /22 and /37 only
/21 ONLY
3911 E8
3913 E2
3914 E2
3915 D4
3916 D7
3917 C2
3918 D2
3919 D2
3920 C10
3921 B2
5901 A1
5902 D4
5903 D4
5904 E5
5905 D9
6901 D5
6902 D5
6903 D10
6904 D10
6905 D6
6906 D5
6907 D3
6908 D8
/21 ONLY
127V
6909 D1
6910 D1
6911 D9
6912 D5
6914 E9
6915 E10
6916 E5
6917 E6
6918 D3
6919 D1
6920 E2
6921 C10
7901 D6
7902 E7
7904 E5
7905 E7
7906 D2
9901 A1
9902 A1
9904 B4
9905 B2
9906 D3
L
75W /21
1905 values
Not for /22 /37
VOLTAGE REGULATION
2
4
1
YELLOW
/37 ONLY
BLACK
240V
To AV
12V
T2.5A UL
For /22
14V
6916
6917
BZX79-C39
1M
3908
2n2
5
2908
220n
47u
2911
2914
4n7
6901
# 1906
T200mA
8239_210_93438_01...for 3494 pt8 dd wk0350
9901
3902
10K
T2A
1912
3904
330R
1N4003
330K
3916
6909
BAS316
3909
470R
100u
5904
47K
3914
3910
2K2
6906
1N4003
10n
2905
3919
1K5
BAS316
6921
3906
100K
112
BC337-40
7902
1910
OZ-SS-112L
5
4
6
8
9
7
43
0090
SPRING
5901
12
6911
BAS316
22n
2917
BAS316
100n
2901
1m
5902
6904
BAS316
6910
BAS316
6920
BAS316
6907
T2A
1905
2902
47n
100K
1907
B2P3-VH
1
2
4M7
3911
9902
3903
6
2906
STBY
5905
1
2
3
4
5
BAS316
# 2916
2n2
6905
BAS316
6914
100n
2904
33K
3907
9905
BC817-25
7906
1N4003
2907
100u
6912
330R
3921
10M
5903
1m
3905
3918
100R
2909
10n
470n
2913
BAS316
6919
7904
BC817-40
10M
3901
47K
3913
3917
100R
3
6
1908
FE-ST-VK-N
1
2
3
4
SDKGA
1911
2
5
1
4
6918
BAS316
VH
1909
9906
4K7
3920
1N4148
6908
BAS316
2910
100n
1
2
6903
220u
1901
47n
2903
2912
1N4003
10M
3915
9904
2915
6915
BZX79-C5V6
1N4003
6902
BC857B
7901
LPC
LPS
LPC
PW_DN
+12V_M
+5V6_ECO
+5V6_ECO
LPS
+12V_M
MAINS
Note : Some values may varies, see respective parts list for correct value.
# Provision only

Other manuals for Philips MX3900D

Related product manuals