EasyManua.ls Logo

Philips MX3900D - Page 83

Philips MX3900D
128 pages
Print Icon
To Next Page IconTo Next Page
To Next Page IconTo Next Page
To Previous Page IconTo Previous Page
To Previous Page IconTo Previous Page
Loading...
9-4a
9-4a
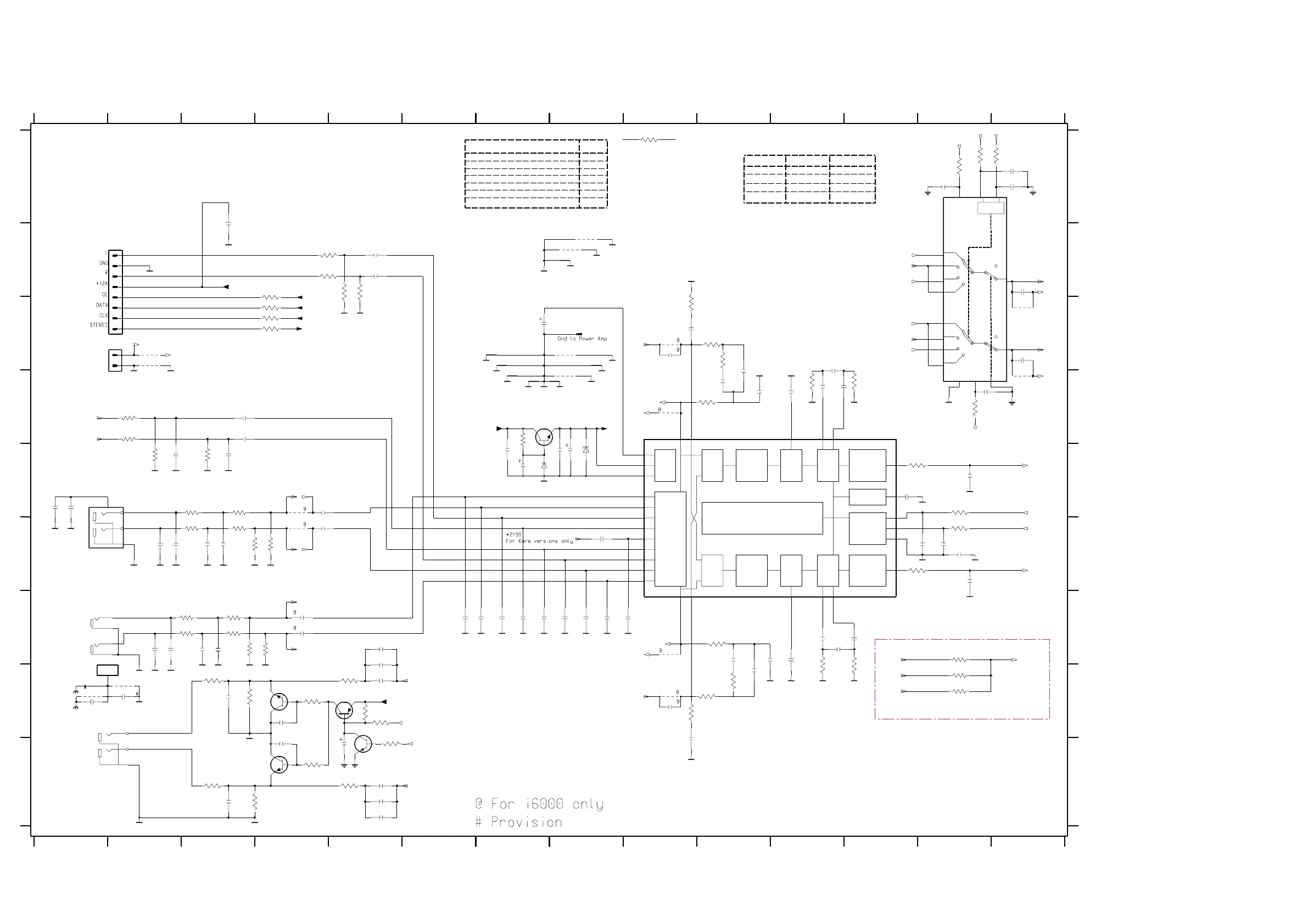
INPUT, SOURCE SELECT & VOLUME CONTROL L/R CIRCUIT (For pcb layout ... 35006)
7130
TDA7468
16
10
19
11
18
27
13
28
3
26
4
25
5
24
6
23
8
21
2
7
22
12
17
14
15
9
20
1
VOLUME I
RIGHT
SUR.
SOURCE
SUPPLY
POWER
SELECTOR
TREBLE
LEFT
VOLUME II
LOGIC
LEFT
REC
IIC BUS
BASS ALC
BASS
LEFT
VOLUME I
LEFT
SUR.
TREBLE
RIGHT
VOLUME II
RIGHT
BASS
RIGHT
7422
HEF4052BT
1
10
11
12
13
14
15
23
4
5
6
916
VDD
7
VEE
8
VSS
L
H
L
H
LOGIC
LSBMSB
LL
LH
HL
HH
LL
LH
HL
HH
100p
2101
1n
DVD_CS
F
G
H
I
1100 C8
1145 C2
1181-1 G1
1181-2 G1
1181-5 H1
1182-A I1
1182-B F2
1237 B2
2100 E13
2101 F13
2102 A13
2103 F13
2104 F13
2105 E12
2106 D11
2107 C11
2108 D11
MX 5500D/22
1234567891011121314
1234567891011
MX 5500/21/33/35
11.9V
5K6
4K7
8K2
12 13 14
A
B
C
D
E
F
G
H
I
A
B
C
D
E
HIGH
From Tuner module
2109 G3
2110 D10
2111 D10
2112 D10
2113 C9
2114 G12
2115 G11
2116 G11
2117 G11
2118 G10
2119 H10
2120 G10
2121 I9
2122 E8
2123 E8
2124 E7
2125 E7
2126 C7
2127 G3
2129 F13
2130 D13
2136 B3
2139 B5
2143 B5
OUT
LOW
2144 F2
2145 F2
2150 D3
2151 D3
2152 E2
2153 E3
2154 E4
2155 F4
2156 F3
2157 F3
2158 G4
2159 G4
2160 G2
2161 G2
2162 H5
2163 H3
2164 H4
2165 I4
HIGH
VOL_Left
2166 I5
2167 I5
2168 I3
2170 D11
2171 H2
2172 E1
2173 E1
2174 H1
2179 C9
2180 H9
2181 G5
2182 G5
2183 I5
2184 I5
2185 C14
2186 B14
2187 A14
2188 A14
2190 G6
LOW
LOW
AUX IN
2191 G7
2192 G7
2193 G7
2194 G7
2195 G8
2196 G8
2197 G8
2198 G9
2199 F8
3100 E13
3101 F12
3102 E13
3103 F13
3104 D12
3105 D11
3106 C10
3107 C10
3108 D10
3109 C9
3110 D2
3111 H12
3112 H11
2K2
1K
HIGH
TV_IN
MUX_OUT
VOL_Right
*
MX 5600/5700D/21/33/35
LOW
3113 H10
3114 G10
3115 H10
3116 H9
3117 E2
3122 D2
3123 D13
3124 A13
3125 A13
3126 A14
3127 B5
3128 B5
3129 B5
3130 B4
3131 C4
3132 C4
3133 C4
MX 5800/5700D/22
3137 E3
3140 F4
3142 E3
3143 F3
3145 F3
3146 G3
3147 G4
3148 G3
3149 G3
3150 H5
3151 H3
3152 H3
3153 H4
3154 H5
3155 H5
3156 I4
3157 I5
3158 I3
3159 I3
3160 A9
3161 D7
TV IN
SCART_TV_IN
6K8
3162 B4
3163 G3
3164 G3
3165 E3
3166 F3
3170 I5
3180 G13
3182 H13
3183 H13
4102 F4
4103 C8
4104 D8
4105 D9
4106 G9
4118 E4
4119 C9
4120 H9
4125 D14
4126 C14
4191 B8
4192 B8
4193 C2
4194 C2
4195 H2
4196 H1
6101 E7
6123 E8
7100 H4
7101 H5
7131 D7
7133 I5
7150 I4
7422 B13
VU meter version
7422 : TRUTH_TABLE
Version
MX 3900/3950D/37
3160
---
INPUT_SEL_1
HIGH
3K3
AUX_IN
INPUT_SEL_0
MX 5600D/37
MX 5500D/37
LINE
2106
3154
47K
3170
47K
3109
47K
2127
A_TV
2187
100n
3112
8K2
330n
4191
GND_A
4194
4103
A_HP
A_TV
4106
1100
RT-01T
1
A_Aux
47K
3159
DVD_LR
A_LO
1K
3160
470n
3158
470R
MIC
6K8
3110
4193
100n
2188
GND_A GND_A
2190
100p
100p
2197
A_LO
3161
2K2
5K6
GND_A
2171
47n
3115
47K
GND_A
A_Aux
3147
7
8
2199
1u0
FE-BT-VK-N
1237
1
2
3
4
5
6
470n
2105
3123
270R
A_Aux
3157
1K
+5V_MUTE_1
1u
2155
3156
2K2
A_LO
4195
A_TV
1n
2119
3101
220R
1u
2179
GND_DIG
100p
3165
3K3
GND_A
3113
18K
BC847B
7100
10K
3183
3129
4120
220K
1
2
1n
2163
1145
EH-B
2123
22u
GND_D
2159
1u
7150
BC847B
2143
100n
GND_A
3n3
2118
3132
100R
GND_D
GND_D
1u0
2150
3102
1K
GND_A
3111
5K6
1n0
GND_A
2110
3n3
2152
2174
47n
GND_A
470n
2108
2121
2114
220n
3K3
GND_D
470n
A_LO
3145
2115
10K
3114
3149
3K3
MIC
DVD_LR
2153
1n0
1u
2154
3164
3K3
1u
1K
3162
4196
2167
6123
BZX384-C12
BC817-25
7133
3116
47K
GND_C
GND_D
GND_A
4125
4126
YKC21
1182-B
4
5
7
6
100p
2156
GND_A
1u
2158
2192
100p
100p
2191
3K3
3148
GND_A
2n2
2117
4105
A_Aux
DVD_SUR
A_TV
3106
5K6
+12A
10K
3137
GND_A
2112
10n
3130
100R
330n
6101
BZX79-B10
A_TV
2107
4102
22n
2122
100p
2193
1K
3103
3182
10K
2124
220u
GND_AGND_A
GND_A
GND_A
2102
100n
68p
2144
1u
2184
1n
2164
1u
2183
1u
2182
1u
2181
YKC21-4483
RED
1181-2 4
3
2161
68p
47K
3140
100n
2136
3143
47K
2173
47n
2K2
3153
3105
3142
3K3
8K2
3107
18K
1n
2165
3166
4192
3K3
A_TU
A_Aux
100p
3104
5K6
2100
1n
2104
1
220n
2116
WHITE
1181-1
YKC21-4483
2
4118
A_LO
DVD_LR
2129
100n
2196
100p
GND_A
100p
2195
2194
100p
1K
3150
GND_A
+12A
3117
10K
3131
100R
1182-A
YKC21
1
2
3
BC857B
7101
3125
270R
3108
10K
3152
47K
68p
2145
A_Aux
6K8
3122
GND_A
A_TU
2198
100p
270R
3124
GND_D
10K
1K
A_TV
3180
A_Aux
3127
A_TU
A_LO
68p
2120
10n
A_TU
2160
1u0
2151
GND_A
3133
100R
2185
1u0
1u0
2186
A_TV
A_LO
DVD_LR
3K3
3163
47u
3100
220R
270R
3126
2126
220K
3128
47K
3146
GND_A
3155
10K
1n
2111
EMC_GND
2157
100p
2103
GND_A
2n2
2170
1u
2162
2139
100n
2168
1n
470R
3151
GND_A
100n
2130
4104
GND_S
470n
2113
2180
1u
DVD_LR
4119
100p
7131
BC547B
1181-5
YKC21-4483
EARTH
9
2109
2n2
GND_A
A_LO
2125
GND_D
GND_A
2172
47n
2166
4u7
MIC_Gnd
TU_R
TU_L
MIC_IN
MIC_OUT
A_TV
EMC_GND
LINE_R
LINE_L
LINE_C
MUX_VU
DPL_R
DPL_L
LINE_L
LINE_R
+9V4
TV_R
TV_L
AUX_L
AUX_R
TV_L
MIC_IN
AUX_R
AUX_L
TV_IN_L
MUTE_AV
DVD_L
DVD_R
TU_STEREO
MUX_L
MUX_R
TV_R
INPUT_SEL_0
INPUT_SEL_1
-5V
+5V
MUX_L
MUX_R
DPL_R
DPL_L
TV_IN_R
DVD_R
DVD_L
Vref
LINE_L
I2C_CLK1
I2C_DATA
1B_R
1B_L
MUTE_LO
LINE_R
TU_ENABLE
TU_DATA
TU_CLK
3139 113 3500p6_04 dd wk0405
5V
4.7V
9.5V
4.6V
10.1V
4.7V
11.9V
4.7V
4.7V
4.7V
For Production identification only
-6.2V

Other manuals for Philips MX3900D

Related product manuals