EasyManua.ls Logo

Philips MX3900D - Page 85

Philips MX3900D
128 pages
Print Icon
To Next Page IconTo Next Page
To Next Page IconTo Next Page
To Previous Page IconTo Previous Page
To Previous Page IconTo Previous Page
Loading...
9-5a
9-5a
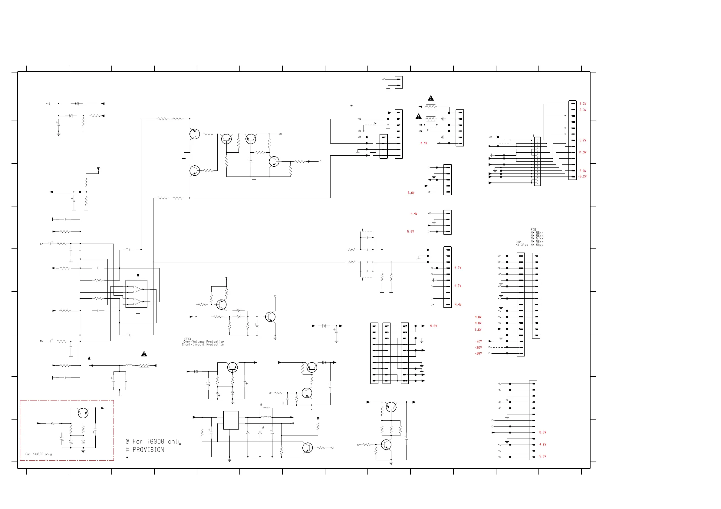
PRE-AMPLIFIER, SUPPLY & INTERCONNECTION CIRCUIT (For pcb layout ... 35006)
FB
GND
OUTVIN
ON_|OFF
H
I
1200 F9
1201 F9
1230 B9
1231 D10
1232 C10
1233 F9
1235 A11
1236 B10
1238 H12
1239 D12
1240 D12
1241 B12
1242 A13
1243 B9
1245 A9
2201 B1
2202 B6
2207 D3
2208 F3
2209 E2
2210 F2
(Headphone not inserted)
TO SUPPLY PCB
12345678910111213
1234567891011
TO HP PCB
BD242B
12 13
A
B
C
D
E
F
G
H
I
A
B
C
D
E
F
G
NJM4556AM
2211 E2
2212 G2
2213 D1
2214 E1
2215 D1
2216 G1
2217 G1
2218 G1
2219 H2
2220 H3
2224 H6
2225 H5
2226 H5
2227 F8
2228 I2
2229 I1
2230 I2
2231 I9
2232 H8
2233 C2
2240 I5
2241 I6
2242 F6
2254 H7
2280 D8
TO TRAFO
TO FRONT PCB
2281 E8
2282 D8
2283 E8
3200 A2
3201 B2
3202 I6
3203 B7
3204 C7
3205 B6
3206 B6
3207 B5
3208 B5
3209 B5
3210 C5
3211 A4
3212 C4
3213 A4
3214 C4
3215 I7
3224 E8
Hi = ON
3225 D8
3230 F2
3231 E2
3232 G1
3233 E1
3234 G1
3235 D1
3236 F1
3237 D1
3238 G3
3239 I7
3240 I5
3243 I2
3244 I2
3245 H9
3250 I9
3252 G7
3254 H7
3256 C2
3257 C2
3259 H5
3260 I8
3261 H6
LOW = MUTE
3262 I9
3263 I9
3265 H5
3268 I9
3269 H7
3270 E9
3271 E9
3272 F5
3273 F6
3274 F5
3275 F5
3276 F5
3277 F5
3290 A10
3291 A10
4200 G12
4201 G12
4205 B12
4206 B12
4209 B9
4280 D8
4281 E8
5201 H6
AMP_L
TO FRONT PCB
5202 H6
5232 G3
6200 A2
6201 A2
6202 I6
6203 I6
6204 I1
6205 G7
6223 G4
6224 H5
6225 F7
6226 I2
6227 F5
6228 F5
7200 B4
7204 G5
7205 H2
7206 H9
7207 I9
4209
7208 G7
7209 H7
7210 H5
7211 I7
7230 E3
7231 B5
7232 B6
7233 B7
7250 C4
7252 F5
7253 F6
9291 B10
T201 B8
T202 B8
T203 B8
T204 B8
T205 D10
T206 E10
T207 E10
T208 E10
T209 F10
T210 G10
T211 G10
T212 G10
T213 G10
T214 H10
T215 B10
T216 C10
T217 C10
T220 C2
T221 B7
T222 G2
T226 D10
T227 B11
T228 B11
T229 B12
T230 F12
T231 E12
T232 E12
T233 E12
T234 E12
T235 E12
T236 E12
T237 F12
T238 F12
T239 F12
T240 F12
T241 F12
T242 G12
T243 G12
T244 G12
T245 I12
T246 I12
T247 I12
AMP_R
TO SUPPLY PCB
Hi = ON
T248 I12
T250 H12
T251 H12
T252 H12
T253 H12
T254 C12
T255 B12
T256 C12
T257 C11
T258 C11
T259 B10
T260 B10
T261 A10
T440 A9
TO ECOSTDBY PCB
For Karaoke
TO AMP PCB
For non-Kara only
TO DVD Module
Hi = ON
T204
T239
3260
10K
+HP
GND_D
+HP
3273
10K
T233
9291
T208
4205
1N4003GP
6223
470R
3271
1K
3205
A_HPA_HP
2202
10u
BC847BW
7211
T245
GND_D
+5V
47K
GND_M
+5V6
A_HP
3277
3250
47K
100u
2207
BC857B
T234
T247
7231
A_HP
BC847BW
7209
2R2
3291
INB+5
6INB-
O-A 1
O-B 7
VS+
8
VS-
4
7232
BC847B
7230
INA+3
INA-2
9
GND_D
1K0
3276
FE-BT-VK-N
1238
1
10
11
12
13
2
3
4
5
6
7
8
1236
FE-BT-VK-N
1
2
3
4
5
3274
6K8
1
2
3
4
5
6
7
8
3
4
+12V_DVD
FE-BT-VK-N
1243
7
8
9
FE-BT-VK-N
1230
1
2
EH-B
1233
1
10
2
3
4
5
6
T232
+5V6
GND_D
GND_C
+5V6
3224
2226
100u50V
1K0
3245
5K6
6227
BAS316
T227
10K
3261
7233
7206
BD438
BC847B
T248
+12A
BC817-25
7250
T228
22u
2224
2225
4201
GND_A
50 22u
22n
2220
7252
BC857B
GND_D
10K
3202
220u 10V
T221
4281
2232
+12M
4280
22u
2230
T258
T254
2213
100p
GND_D
T216
T212
T206
T238
14
2
3
4
5
6
7
8
9
GND_D
A_HP
1240
FE-BT-VK-N
1
10
11
12
13
T257
3262
1K0
3231
27K
T240
GND_D
T203
GND_D
A_HP
A_HP
A_HP
2u2
5232
T220
+12V_DVD
T217
2227
22u
T440
2228
100u50V
+5V_DVD
100p
2218
1n
3275
68R
GND_D
2214
MIC_Gnd
4200
3237
12K
BC817-25
7200
2254
470n
T202
A_HP
470n
2281
BYV28-200/20
6203
1m0
2201
T242
GND_D
+5V6
GND_D
GND_D
3203
10K
GND_D
BD438
7208
GND_A
GND_D
T215
T243
GND_D
T231
5K6
3206
1201
EH-B
1
10
2
3
4
5
6
7
8
9
2215
22u
3238
10R
2K2
+C
-5V
3243
180p
T255
T241
GND_D
GND_M
2210
5202
33u
21
3207
4K7
LM2576T-3.3
7210
4
3
5
3204
10K
3225
1K0
T222
GND_A
+12M
T244
3272
6K8
4K7
3208
3269
220R
470n
T252
T251
2282
50V 100u
2229
3244
5K6
T210
T201
1n
2216
10
2
3
4
5
6
7
8
9
A_HP
GND_D
1231
FE-BT-VK-N
1
EH-B
1245
1
2
MIC_Gnd
2
3
4
5
6
7
8
9
1200
EH-B
1
10
3240
47K
50V
T246
100K
2241
1m0
+12A
3201
3213
47R
100u
2208
T260
T259
1K
3209
T226
T256
T214
BC847B
7253
+5V_DVD
2242
47u
7205
BC327-25
3235
220R
T213
4206
22u
2217
6205
SS24
4K7
3257
+12M
6K8
3233
T253
T229
GND_D
T211
2240
100u
3270
470R
2233
100u
470p
2212
47u
2219
3214
220R
3234
47R
2283
470n
3290
2R2
+C
T236
GND_M
6201
+5V6
+12A
BAS316
2211
470p
47K
3254
1
2
3
4
BYV27-200
6202
FE-BT-VK-N
1232
6200
BAS316
+HP
T235
GND_D
5K6
3252
1K0
3263
8K2
3259
-5V
6228
BAS316
3200
100K
T237
3236
6K8
+12A
+12V_DVD
1K0
3268
3256
4K7
T205
4
5
6
7
8
9
GND_D
4209
FE-BT-VK-N
1239
1
10
11
12
13
14
15
16
17
2
3
220R
2209
180p
3215
15
2
3
4
5
6
7
8
9
FMN-BTRK
1241
1
10
11
12
13
14
16V470u
2231
3212
33R
T230
3210
1K
100u
5201
6204
1N4003GP
EH-B
1235
1
2
3
4
5
6
7207
BC847BW
470n
2280
470R
3265
27K
3230
T261
7204
3211
33R
A_HP
10K
3239
BZX79-C5V6
6224
12K
3232
+5V
T209
T207
1N4003GP
6225
BZX79-C33
T250
5
6
7
8
9
6226
1242
FMN
1
10
11
12
13
2
3
4
+3V3
A0
I2C_DATA
DVD_ON
DVD_5V
A1
A2
I2C_CLK3
I2C_CLK2
I2C_CLK1
+3V3
MIC_OUT
MIC_OUT
~F1
MUTE_SCART_LO
3V3_sense
MIC_DET
TU_CLK
MUX_DET
MUX_VU
40VAC
TU_ENABLE
LPC
PWD_DN
TU_DATA
TU_STEREO
+5V6_ECO
40VAC
+3V3
NTC
+3V3
DVD_5V
3V3_sense
~F1
PWD_DN
+5V_MUTE_1
DVD_5V
DVD_ON
-Vkk
NTC
AMP_ON_LRCS
AMP_C
AMP_ON_C
FREQ_HOP
MUTE_HDPH
+5V_MUTE_1
HP_DET
HPREF
HPREF
HPREF
HPREF
HPREF
1B_L
1B_R
LPC
NTC
PWD_DN
40VAC
~F2
~F2
-Vkk
+5V6_ECO
DVD_5V
40VAC
NTC
3139 113 35006_04 dd wk0405
5.9V
-32.4V
-33V
5.9V
11.6V
5.9V
4.6V
5.9V
3.3V
5.9V
5.9V
5.4V
0.2V
0.2V
5.9V
4.6V
5.4V
5.4V
4.8V
0.2V
-6.2V
0.2V
11.8V
5.2V
5V
0.2V
0.2V
11.3V
12V
4.8V
-6.8V
5.6V

Other manuals for Philips MX3900D

Related product manuals