EasyManua.ls Logo

Philips MX3900D - Page 87

Philips MX3900D
128 pages
Print Icon
To Next Page IconTo Next Page
To Next Page IconTo Next Page
To Previous Page IconTo Previous Page
To Previous Page IconTo Previous Page
Loading...
9-6a
9-6a
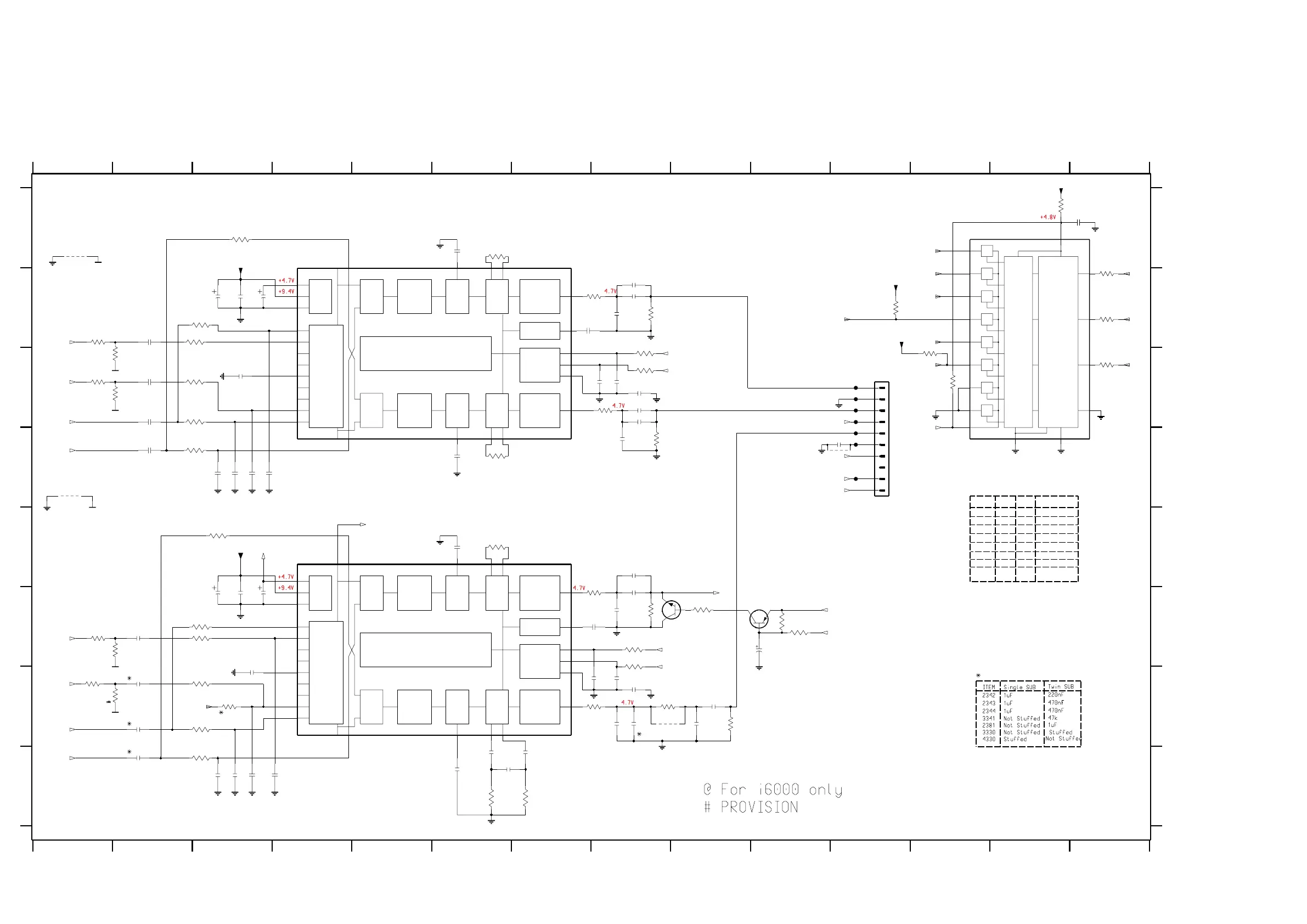
VOLUME CONTROL SURR., CENTER & SW AND CONTROL MULTIPLEXER CIRCUIT (For pcb layout ... 35006)
7330
TDA7468
16
10
19
11
18
27
13
28
3
26
4
25
5
24
6
23
8
21
2
7
22
12
17
14
15
9
20
1
VOLUME I
RIGHT
SUR.
SOURCE
SUPPLY
POWER
SELECTOR
TREBLE
LEFT
VOLUME II
LOGIC
LEFT
REC
IIC BUS
BASS ALC
BASS
LEFT
VOLUME I
LEFT
SUR.
TREBLE
RIGHT
VOLUME II
RIGHT
BASS
RIGHT
TDA7468
7304
16
10
19
11
18
27
13
28
3
26
4
25
5
24
6
23
8
21
2
7
22
12
17
14
15
9
20
1
VOLUME I
RIGHT
SUR.
SOURCE
SUPPLY
POWER
SELECTOR
TREBLE
LEFT
VOLUME II
LOGIC
LEFT
REC
IIC BUS
BASS ALC
BASS
LEFT
VOLUME I
LEFT
SUR.
TREBLE
RIGHT
VOLUME II
RIGHT
BASS
RIGHT
7352
74HC4051D
E_
6
8
11
10
9
16
VEE
7
Y0
13
Y1
14
Y2
15
Y3
12
Y4
1
Y5
5
Y6
2
Y7
4
Z
3
VDD
VSS
A2
CONVERSION
LEVEL
LOGIC
DECODER
1-of-8
A0
A1
LOW
Pscan_DET
8 9 10 11 12 13 14
A
B
C
D
E
F
G
H
A
B
C
D
E
F
G
H
1234 E11
2128 C8
2301 B8
2302 B8
MIC_DETHIGH
VOL_Sub
LOW
VOL_Rs
A2
HIGH
A1
7352 : TRUTH_TABLE
VOL_C
1234567891011121314
1234567
2331
4n7
2303 C8
2304 B7
2305 B8
2308 D8
2309 A6
HIGH
VOL_Ls
MUX_DET
LOW
2310 D6
2311 B3
2312 B3
2313 B3
2314 C3
2317 E8
2318 F8
2319 B2
2320 C2
2321 C2
2322 D2
2324 F10
2325 F8
2326 F8
2327 G8
2328 G7
2329 G9
2330 G9
2331 E6
2332 H7
2333 H6
LOW
LOW
HIGH
LOW
HIGH
LOW
2334 H6
2335 H6
2336 F3
2337 F3
2338 F3
2339 G3
2340 C8
2341 F2
2342 G2
2343 G2
2344 H2
2349 A14
2351 C8
2352 C8
2353 G8
2380 G8
2381 G8
2382 D11
2390 D3
2391 D3
2392 D3
2393 D3
2394 H3
2395 H3
HIGH
HIGH
2396 H3
2397 H3
3135 H7
3302 G9
3303 G8
3304 B8
3305 B8
3306 C8
3307 C8
3308 D8
3310 A6
3311 D6
3312 A3
3313 B3
3314 B3
3315 C3
3316 C3
3317 D3
3318 B1
3319 C1
3320 C1
3321 C1
3322 F8
3324 F10
3325 F10
3326 F9
TO AMP PCB
LOW
HP_DET
GND
3327 F8
3328 F8
3329 F8
3330 G8
3333 E6
3334 G3
3335 H3
3336 C8
3337 E3
3338 F3
3339 F3
3340 F1
3341 G3
3342 G3
3343 G1
3344 G1
3347 F1
3349 H6
3355 C12
HIGH
AMP_SUB
AMP_RS
3356 A13
3357 C12
3359 B11
3368 B14
3369 B14
3370 C14
4330 G8
4341 A1
4342 D1
4382 D11
7301 F9
7302 F10
T334 C11
T335 C11
T336 C11
T337 C11
T338 D11
T339 D11
T341 D11
HIGH GND
AMP_LS
HIGH
LOW DI_LOCK
HIGH
HIGH
#
LOW
LOW
NTC
S_Video_DET
LOW
#
A0
3342
4n7
T334
GND_D
2341
GND_S
3337
1K
3336
68R
GND_S
100p
2308
T336
1K2
3303
3316
1K
680R
3355
4330
3330
1K2
+9V4
3356
100R
470n
2320
3310
2321
DVD_SUR
1K
T341
470n
100n
2303
3311
1K
3339
1K
4341
3304
2K2
1n
2339
GND_S
T338
10K
2314
1n
3347
3326
1K
DVD_CS
DVD_CS
1u
2342
470n
2329
3322
68R
1K
3312
100n
2349
470n
2318
470n
2332
GND_S
2305
100p
10K
3344
6K8
3318
2327
2353
100n
100p
3305
68R
2381
1u
3338
1K
GND_C
3340
22K
2304
470n
3327
2K2
470n
2326
GND_D
100R
3370
GND_S
GND_D
1234
1
10
2
3
4
5
6
7
8
9
470n
GND_D
FE-BT-VK-N
1K
2352
3313
GND_C
DVD_CS
GND_C
3321
10K
2390
100p
7301
BC847B
3359
47K
3306
1K
3314
1K
4342
1u
220n
GND_S
GND_C
GND_C
GND_C
DVD_SUR
2333
100R
3368
2310
BC857B
7302
1u
2330
1K
1K
3317
47u
2336
3333
1K
2K2
3308
GND_C
470n
2319
47u
2313
470n
2302
GND_D
3302
22K
50V4u7
2324
T335
100p
2397
6K8
3343
2325
100p
2317
470n
4n7
2309
5K6
3135
3349
2328
100p
2343
1u
8K2
T339
6K8
3320
GND_C
GND_D
3357
100K
GND_D
GND_S
3334
1K
470n
2380
1K
1K
3315
3341
47K
3325
2396
100p
330n
2395
2335
100p
T337
1K
3324
2344
1u
3307
1K
GND_C
100p
2391
100p
2393
2392
100p
2128
100p
GND_C
3328
1K
2322
470n
3329
1K
1K
3335
GND_D
470n
47u
2338
22n
2382
22n
2337
2312
330n2334
GND_S
3369
100R
2311
47u
GND_CGND_CGND_C
2340
100p
2394
330n
470n
2351
4382
470n
GND_SGND_S
2301
DVD_SUR
GND_SGND_S
10K
3319
+5V
LINE_C
+4V7_Ref
+4V7_Ref
AMP_C
GND_S
MIC_DET
DI_LOCK
NTC
AMP_ON_C
FREQ_HOP
AMP_ON_S
A1
A0
A2
+5V
MUX_DET
+5V
NTC
+5V_MUTE_1
MUTE_C
+9V4
I2C_DATA
I2C_CLK2
I2C_DATA
I2C_CLK3
LINE_L
LINE_R
LINE_L
LINE_R
DVD_SL
DVD_SR
DVD_C
DVD_SUB
Pscan_DET
S_Video_DET
HP_DET
3139 113 35006_04 dd wk0405

Other manuals for Philips MX3900D

Related product manuals