EasyManua.ls Logo

Philips MX5100VR - Page 75

Philips MX5100VR
151 pages
Print Icon
To Next Page IconTo Next Page
To Next Page IconTo Next Page
To Previous Page IconTo Previous Page
To Previous Page IconTo Previous Page
Loading...
1-12-61
1-12-62
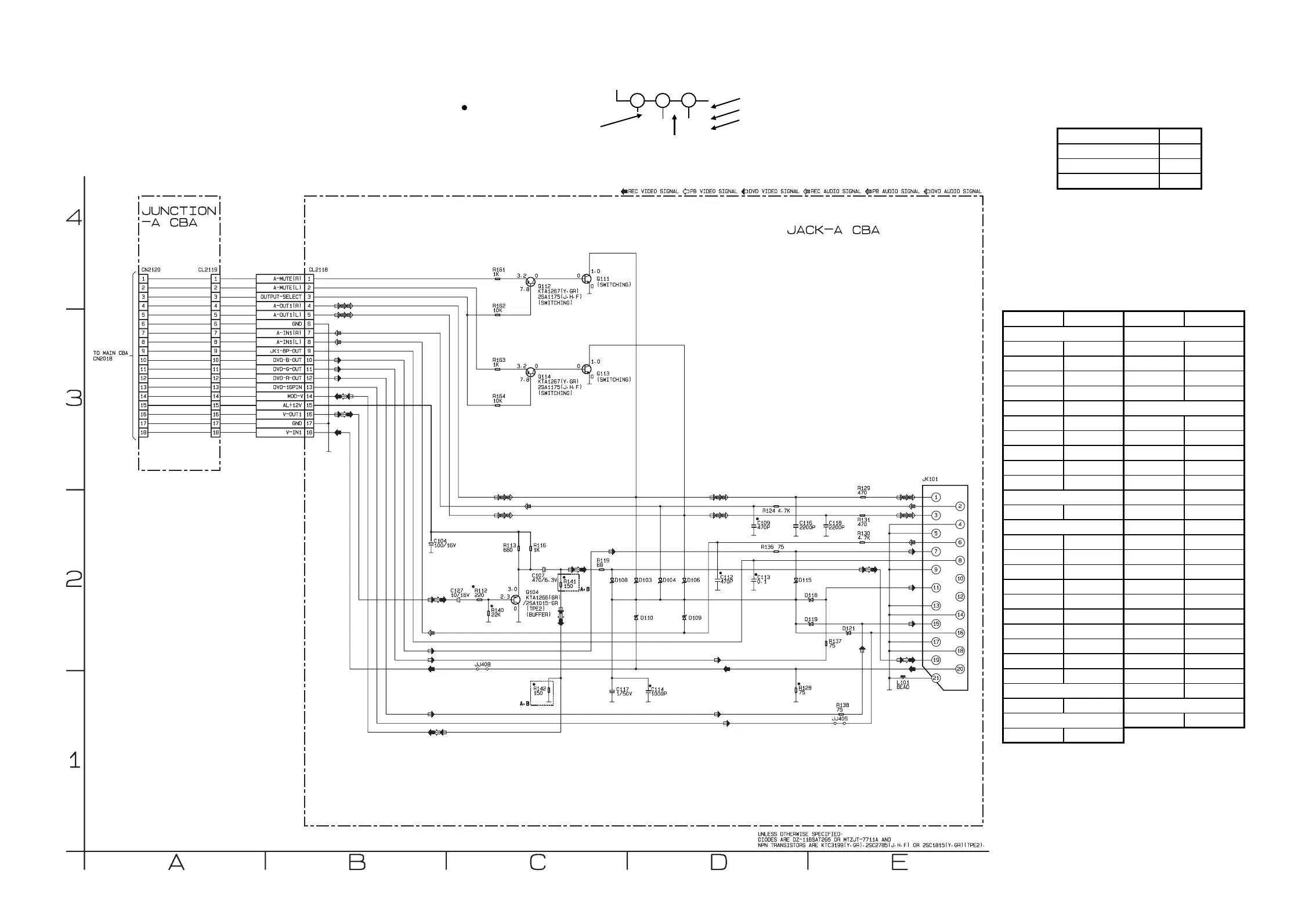
JACK-A & Junction-A Schematic Diagram < VCR Section >
E9015SCJA
JACK-A Schematic Diagram Parts Location Guide
Ref No. Position Ref No. Position
C104B-2Q111C-4
C107 C-2 Q112 C-3
C109 D-2 Q113 C-3
C112 D-2 Q114 C-3
C113 D-2
C114 D-1 R112 C-2
C116 D-2 R113 C-2
C117 C-1 R116 C-2
C118E-2R119C-2
C127 C-2 R124 D-2
R128 D-1
CL2118 B-4 R129 E-2
R130 E-2
D103 D-2 R131 E-2
D104 D-2 R136 D-2
D106 D-2 R137 E-2
D108 C-2 R138 E-1
D109 D-2 R140 C-2
D110 D-2 R141 C-2
D115 D-2 R142 C-1
D118E-2R161C-4
D119E-2R162C-3
D121E-2R163C-3
R164 C-3
L101 E-1
JK101 E-2
Q104 C-2
RESISTORS
CAPACITORS TRANSISTOR
CONNECTOR
MISCELLANEOUS
DIODES
TRANSISTOR
COIL
ā€œ ā€œ = SMD
THE SAME VOLTAGE FOR BOTH
PLAY, REC & DVD MODES.
INDICATES THAT THE VOLTAGE
IS NOT CONSISTENT HERE.
PLAY MODE
REC MODE
1
2
3
5.0
5.0
(2.5)
<5.0>
~
DVD MODE
Comparison Chart of
Models and Marks
MODEL MARK
MX5100VR/00 A
MX5100VR/05 B
MX5100VR/02 C
www.freeservicemanuals.info
10/31/2012
www.nostatech.nl
World of free manuals

Other manuals for Philips MX5100VR

Related product manuals