EasyManua.ls Logo

Philips PM2517X - Page 103

Philips PM2517X
104 pages
Print Icon
To Next Page IconTo Next Page
To Next Page IconTo Next Page
To Previous Page IconTo Previous Page
To Previous Page IconTo Previous Page
Loading...
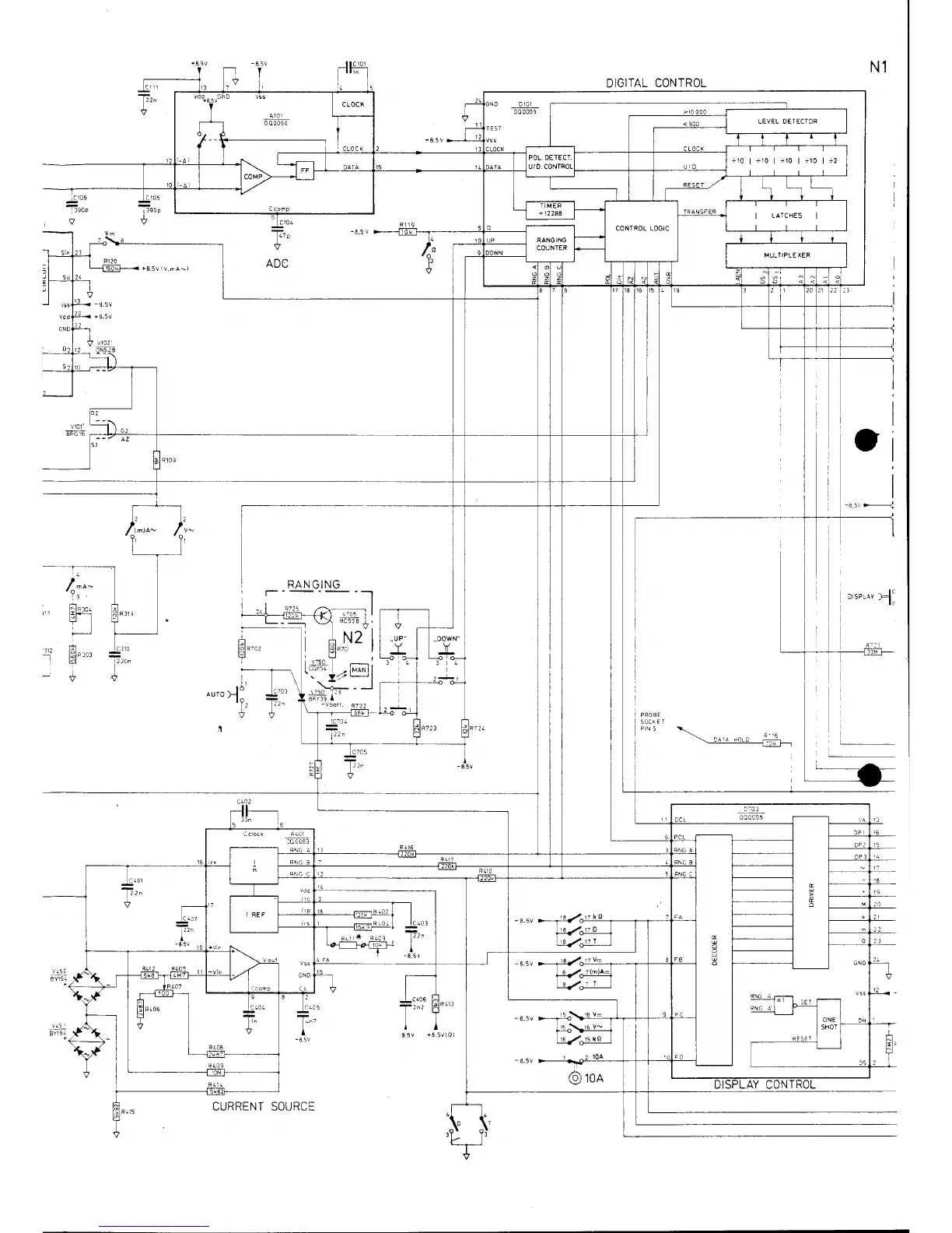
N1
DIGITAL
CONTROL
c
104
T-
.'p
V
ADC
RANG.ING
'?5
-
ti]-g) !l
--l
-]-]r
N
il |al
I
iBlFa
Ir:5L
_ I C0Y5r l
\
r
fa-
\,
'a:--
v#*
i"
'-r-_
:cr!i
i,.^
r^^-
il
;,,
Elry
+
;----l
dr
+ l8lRrol
g
CURRENT SOURCE

Table of Contents

Related product manuals