EasyManua.ls Logo

Philips PM2517X - P I N N I N G H E

Philips PM2517X
104 pages
Print Icon
To Previous Page IconTo Previous Page
To Previous Page IconTo Previous Page
Loading...
PARI
NUIB€RS
r00
r99
: a0c
200
299: V=INPUT C RCUIT
300 399 = v-INPUT
CIRCUIT+RMS
CONVERToR
400 499:i! INPUT
CtRCUtT
5oo.599='c
rNput
ctRcutT
600
.699=
A:,^'INPUT
CIAC!lT
7OO 799=DIGITAL
PART
8OO
899:
POWER
SUPPLY
101
ADJUSTING
RESISTORS
rEM
VALU
E
R107
R|2
R203
R3t I
R41
l
R66
R509
9k53 -
t5k2
9k53 -
r2k4
95k -
rz.k
20k5 _ 205k
21k9
-
12k2
68kr
_
562r
806 _
1k96
187
_
11k7
MR25, 11.,
E48 5ER]ES
v750
\761
-K-
D5r
OS
-41--1.*
-0.:,
E-
F
lnl
I
-:ls:
a0Y5r
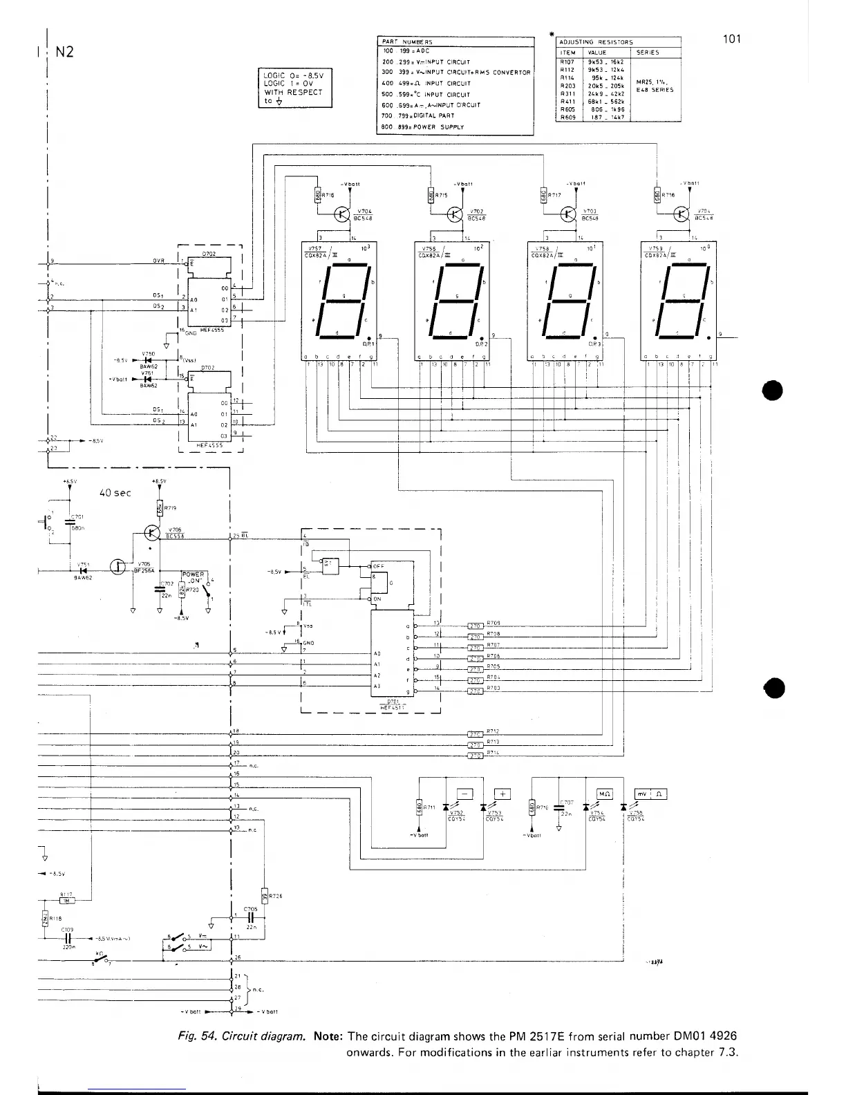
Note:
The
circuit
diagram shows
the
PM
2517E
from
serial
number
DMO1
4926
onwards.
For
modifications in
the earliar
instruments refer
to chapter
7.3.
F
-s.5!L!ma-r
------?"-

Table of Contents

Related product manuals