EasyManua.ls Logo

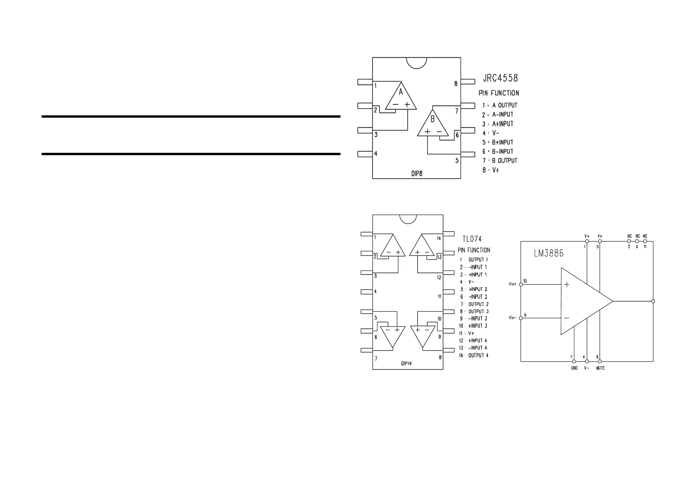
Philips SW200 - Combi Board; Internal IC Diagram

Philips SW200
18 pages
Print Icon
To Next Page IconTo Next Page
To Next Page IconTo Next Page
To Previous Page IconTo Previous Page
To Previous Page IconTo Previous Page
Loading...
COMBI BOARD
TABLE OF CONTENTS
Internal IC Diagram............................................................. 5-1
Circuit Diagram ....................................................................5-2
PCB Layout View.................................................................5-3
Electrical Parts List ..............................................................5-4
5-1
5-1
INTERNAL IC DIAGRAM

Related product manuals