EasyManua.ls Logo

Philips TDA1562Q - Page 4

Philips TDA1562Q
62 pages
Print Icon
To Next Page IconTo Next Page
To Next Page IconTo Next Page
To Previous Page IconTo Previous Page
To Previous Page IconTo Previous Page
Loading...
Philips Semiconductors
AN<nnnnn>
TDA1562Q application note
<12NC>
©
2004
. All rights reserved.
Application note Rev. 01.02 05 May 2006 4 of 62
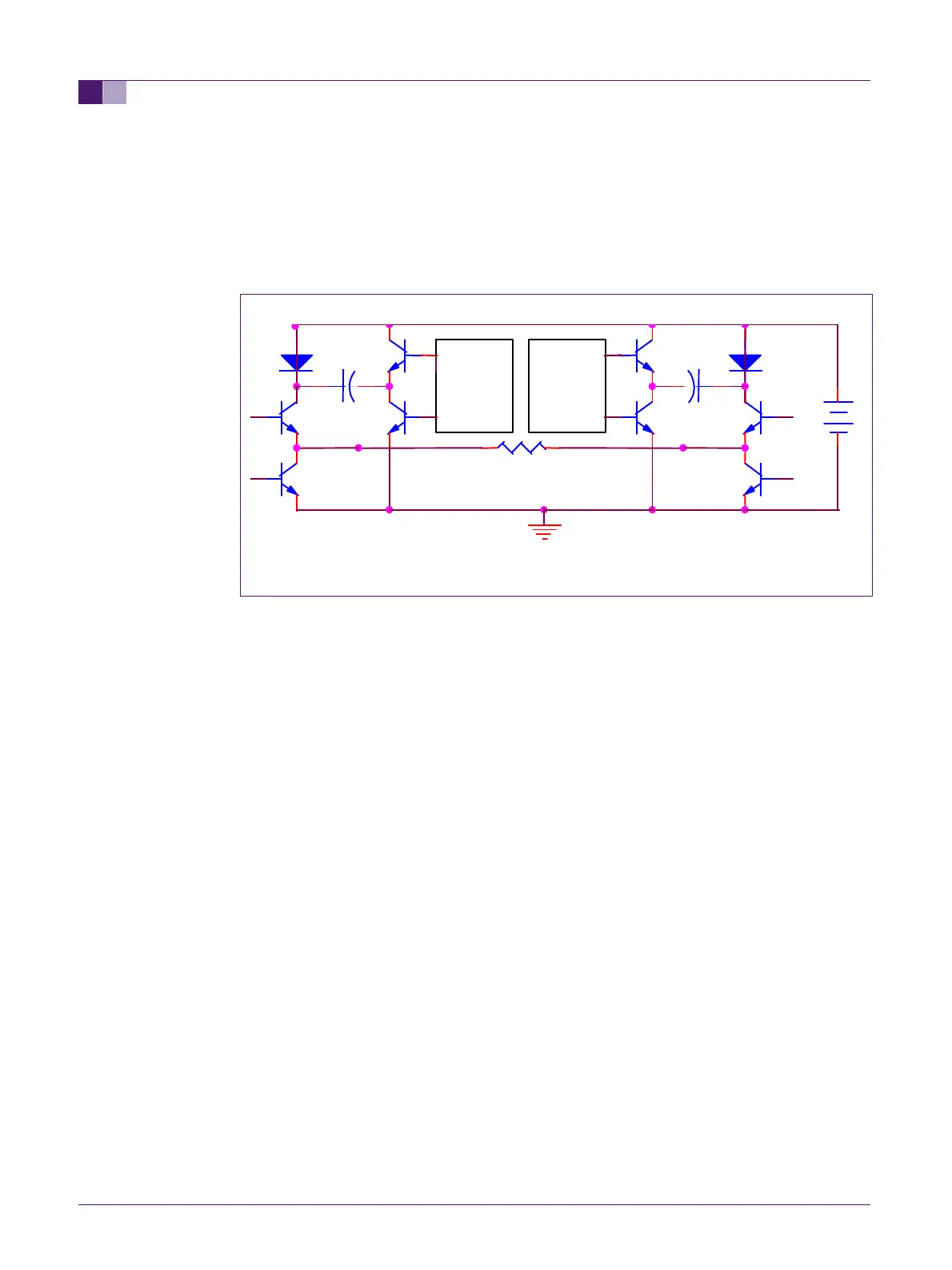
The class H amplifier uses an internal circuit to create it’s own high supply voltage. The
only additional components necessary to create this high supply voltage are two
electrolytic capacitors with a sufficient capacitance to store energy for low frequency
operation.
Fig 1. Basic schematic of a class H amplifier
The schematic in fig.1 shows how the class H amplifier is built up.
Principally, the output stage is a normal class AB BTL output stage. The special feature
of the class H amplifier lies in the way the supply is connected to the output stage.
In a normal class AB amplifier the collectors of output transistors T1 and T3 would be
directly connected to the positive supply rail. The output stage of the class H amplifier
however, is connected to the power supply (by means of power diodes D1 and D2) and
the + terminals of the lifter capacitors C1 and C2.
When the output power that is required is below 10W, transistors T7 and T8 will be
driven, connecting the negative terminal of the lifter capacitors C1 and C2 to ground. This
allows the lifter capacitors to be charged to near the supply voltage level.
When more output power is required, transistors T7 and T8 will be shut down, and
transistors T5 and T6 will start conducting, lifting the negative terminal of the lifter
capacitors to a higher voltage. The negative terminals of the lifter capacitors can be lifted
to approximately the supply voltage.
When the negative terminal of the lifter capacitors is lifted, the voltage at the positive
terminal of the lifter capacitors will be lifted above the supply voltage, so the lifter
capacitors will start acting as power supply for the power transistors. By this mechanism,
the supply voltage of the output stage can effectively be lifted to nearly twice the supply
voltage coming from the battery.
While the supply voltage of the output stage is lifted above the actual supply voltage, the
amplifier relies on the energy stored in the capacitors. This means that especially for low
frequencies the capacitors must be able to store much energy. For proper operation at
low frequencies it is therefore necessary that large lifter capacitors are used.
LIFT/
RECHARGE
CONTROL
D1
T1
T2
T5
T7
C1
RECHARGE
LIFT/
CONTROL
D2
T3
T4
T6
T8
Rload
Vp
V1
V2
C2
+
+
+

Related product manuals