EasyManua.ls Logo

Philips TE3.1E CA - Main Panel: Scart (A9)

Philips TE3.1E CA
43 pages
Print Icon
To Next Page IconTo Next Page
To Next Page IconTo Next Page
To Previous Page IconTo Previous Page
To Previous Page IconTo Previous Page
Loading...
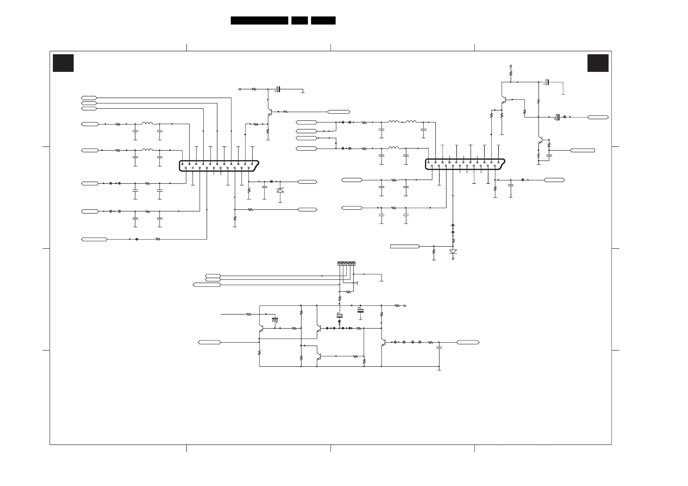
22TE3.1E CA 7.
Circuit Diagrams and PWB Layouts
Main Panel: Scart
1 2 3 4
A
B
C
D
4321
D
C
B
A
A1
A3
A5
A7
A9
A11
A31
A51
A71
A91
A12
A02
A6
A4
A2
A21
A01
A8
A81
A61
A41
S306A
SCART1
GND-PWR
GND-PWRGND-PWR
GND-PWRGND-PWR
GND-PWRGND-PWR
R378
75R
GND-PWR
R379
75R
GND-PWR
R372
220R
R376
8K2
R377
100R
FBEXT
EXT1IN
C380
22P
R374
12K
L310
FB
L1OUT
C370
330P
R380
75R
T310
BC848BLT1
R381
4R7
R382
1K
GND-PWR
8V
CVBSOUT1
GND-PWR
C372
330P
GND-PWR
R373
220R
L311
FB
R1OUT
C373
330P
GND-PWR
C371
330P
GND-PWR
R1IN
C374
2N2
GND-PWR
C376
2N20
GND-PWR
R375
12K
L1IN
C375
2N2
GND-PWR
C377
2N20
GND-PWR
GND-PWR
GND-PWR
R383
100R
GND-PWR
I - SCART
DV24
5.1V ZENER
GND-PWR
B
G
R
AV_STATUS
C378
10U25
B1
B3
B5
B7
B9
B11
B31
B51
B71
B91
B12
B02
B6
B4
B2
B21
B01
B8
B81
B61
B41
S306B
SCART1
GND-PWR
GND-PWR
RE12
75R
GND-PWR
RE07
220R
EXT2_IN
CE10
22P
RE15
12K
LE04
FB
L2OUT
CE07
330P
RE11
75R
R128
4R7
GND-PWR
8V
GND-PWR
CE08
330P
GND-PWR
RE06
220R
LE03
FB
R2OUT
CE05
330P
GND-PWR
CE06
330P
GND-PWR
SC2_R
CE11
2N2
GND-PWR
CE12
2N20
GND-PWR
RE16
12K
SC2_L
CE13
2N2
GND-PWR
CE14
2N20
GND-PWR
GND-PWR
GND-PWR
II - SCART
C044
10U25
GND-PWRGND-PWR GND-PWR
GND-PWR
GND-PWR
GND-PWR
SC2_R
SC2_L
EXT2_IN
CVBSOUT1
EXT1IN
FBEXT
R
G
B
L1OUT
R1OUT
R1IN
L1IN
AV_STATUS
L2OUT
R2OUT
T307
BC848BLT1
C359
1N
R359
22K
R358
10K
R357
22K
R365
4R7
R356
1K
T306
BC848BLT1
R386
47K
T313
BC848BLT1
R355
10K
R364
22K
R354
1K
T305
BC848BLT1
R352
1K
R350
1K
2
1
3
4
5
S302
SIDE_AV_INPUT
R351
470R
R360
75R
8V
AV1/AV2
L2IN
R2IN
EXT1IN
CVBSEXT
C351
47U25
C354
47U25
C355
10U50
EXT1/AV VIDEO SWITCH
L2IN
R2IN
CVBSEXT AV1/AV2
FRONT_CVBS
FRONT_CVBS GND-PWR1
GND-PWR
GND-PWR
J004
J010
J012
J555
J037
J038
J052 J141
J056 J059 J064
J086
J097 J142
J242
J243
J244
CVBSOUT2
CVBSOUT2
J095J133
Q031
BC848BLT1
R396
0R
R395
10K
GND-PWR
DVD/SC2-SEL
DVD/SC2-SEL
C146
100nF
R397
8K2
R398
4K7
GND-PWR
BRST_ON/OFF
BRST_ON/OFF
D602
LL4148
+5V
RE24
3K9
CE20
22U25
LE05
12UH
Q033
BC848BLT1
RE26
100R
RE27
1K
J307
J306
J303
J304
L_DVD
R_DVD
L_DVD
R_DVD
J308
J309
N092
N100
N133
N150 N153
N155
N158
N166
N212
N218
N219
N221
N223
N224
N225
N441
N442
N449
N450
N451
N461
N462
N464
N465
N546
N547
N549
N552
N553
N554
N555
N556
N557
N558
N559
N609
N610
N611
N612
N613
N614
N615
N647
N648
N649
N681
N682
N683 N684N685
N686
N687
N688
N689
N690
N691
N693
N732
N733
N738
N739
N741
N744
N745
N762
J312
OPT.
GND-PWR
N815
N814
F_15850_022.eps
220805
SCART
A9 A9

Related product manuals