EasyManua.ls Logo

Philips TE3.1E CA - Page 38

Philips TE3.1E CA
43 pages
Print Icon
To Next Page IconTo Next Page
To Next Page IconTo Next Page
To Previous Page IconTo Previous Page
To Previous Page IconTo Previous Page
Loading...
Circuit Description and Abbreviation List
EN 38 TE3.1E CA9.
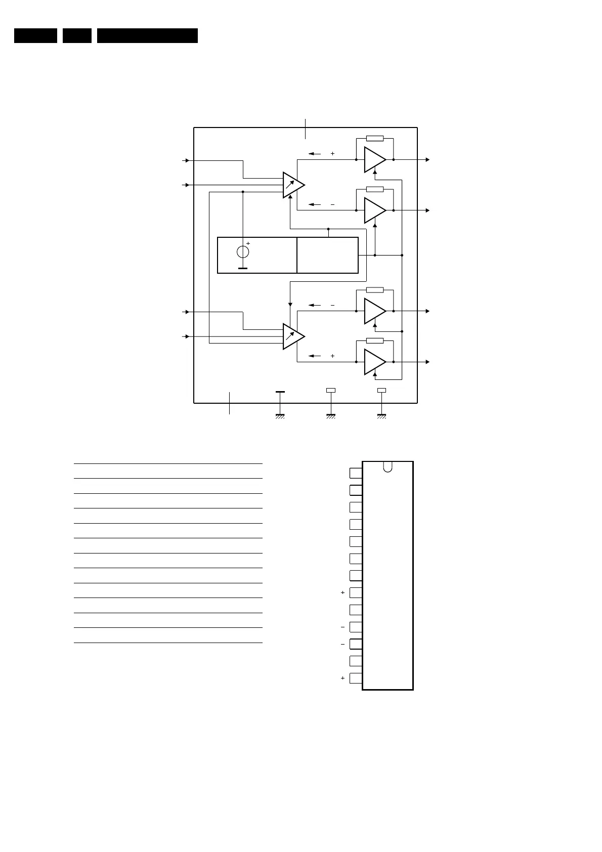
9.4.5 TDA7057A
Figure 9-5 Internal block diagram and pin configuration
Block Diagram
Pin Configuration
F_15160_050.eps
070705
MSA714
I i
I i
Ι
STABILIZER
TEMPERATURE
PROTECTION
V
ref
11
1
3
13
I i
I i
ΙΙ
8
7
5
10
12
power
ground 1
9
power
ground 2
6
signal
ground
2
not
connected
input 1
DC volume
control 1
input 2
DC volume
control 2
TDA7057AQ
4
V
P
positive
output 1
negative
output 1
negative
output 2
positive
output 2
n.c. 2 not connected
V
l (1)
3 voltage input 1
V
P
4 positive supply voltage
V
l (2)
5 voltage input 2
SGND 6 signal ground
VC2 7 DC volume control 2
OUT2+ 8 positive output 2
PGND2 9 power ground 2
OUT2 10 negative output 2
OUT1 11 negative output 1
PGND1 12 power ground 1
OUT1+ 13 positive output 1
1
2
3
4
5
6
7
8
9
10
11
12
13
TDA7057AQ
VC1
n.c.
V
P
I (1)
V
I (2)
V
SGND
VC2
OUT2
PGND2
OUT2
OUT1
OUT1
PGND1
MSA716

Related product manuals