EasyManua.ls Logo

Philips VR540/39 - Page 29

Philips VR540/39
57 pages
Print Icon
To Next Page IconTo Next Page
To Next Page IconTo Next Page
To Previous Page IconTo Previous Page
To Previous Page IconTo Previous Page
Loading...
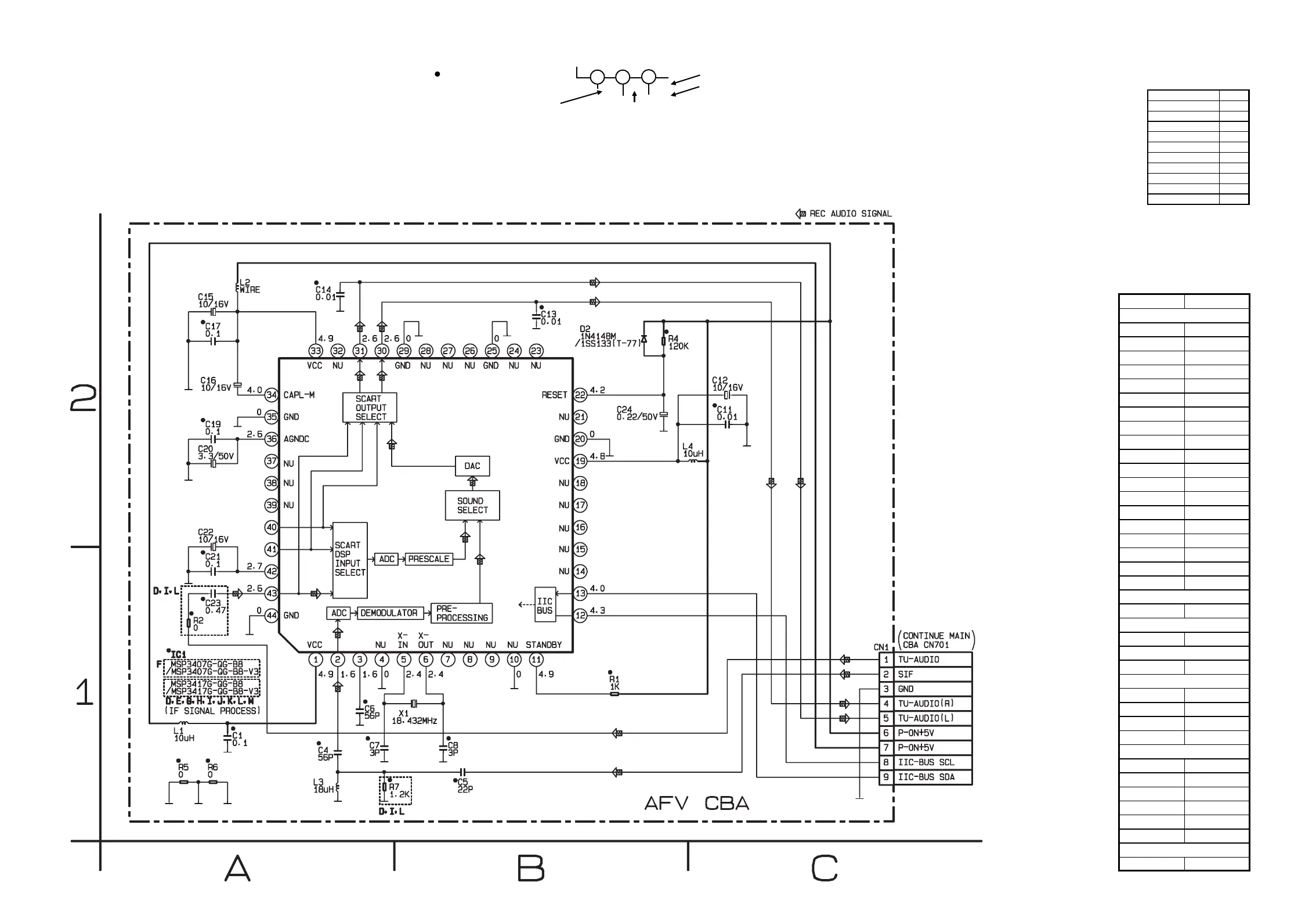
AFV Schematic Diagram
Parts Location Guide
Ref No. Position
C1 A-1
C4 A-1
C5 B-1
C6 A-1
C7 A-1
C8 B-1
C11 C-2
C12 C-2
C13 B-2
C14 A-2
C15 A-2
C16 A-2
C17 A-2
C19 A-2
C20 A-2
C21 A-1
C22 A-2
C23 A-1
C24 B-2
CN1 C-1
D2 B-2
IC1 A-1
L1 A-1
L2 A-2
L3 A-1
L4 B-2
R1 B-1
R2 A-1
R4 B-2
R5 A-1
R6 A-1
R7 A-1
X1 B-1
CONNECTORS
DIODES
RESISTORS
CRYSTAL OSCILLATORS
CAPACITORS
ICS
COILS
AFV Schematic Diagram
1-10-52
1-10-53
HE473AFV
THE SAME VOLTAGE FOR
BOTH PLAY & REC MODES.
INDICATES THAT THE VOLTAGE
IS NOT CONSISTENT HERE.
MODE: SP/REC
PLAY MODE
REC MODE
1
2
3
5.0
5.0
(2.5)
~
ā€œ ā€œ = SMD
Comparison Chart of
Models and Marks
MODEL MARK
VR540/39 D
VR540/58 E
VR740/02 F
VR740/07 G
VR740/16 H
VR740/39 I
VR740/58 J
VR742/16 K
VR742/39 L
VR742/58 M

Related product manuals