EasyManua.ls Logo

Phoenix 1200 - Wiring Diagram

Phoenix 1200
9 pages
Print Icon
To Next Page IconTo Next Page
To Next Page IconTo Next Page
To Previous Page IconTo Previous Page
To Previous Page IconTo Previous Page
Loading...
8
www.UsePhoenix.com • sales@UsePhoenix.comToll-Free 1-800-533-7533
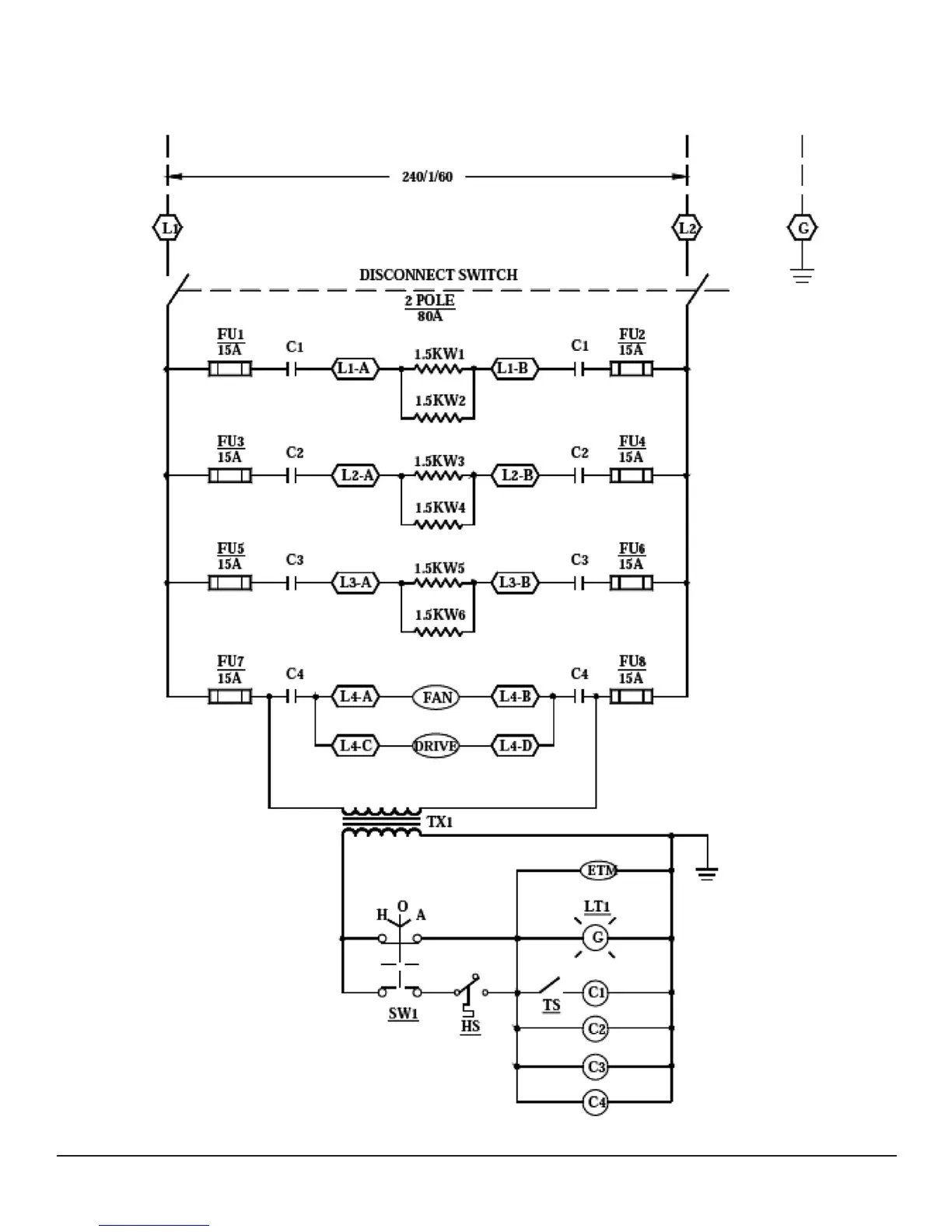
11 Wiring Diagram

Related product manuals