EasyManua.ls Logo

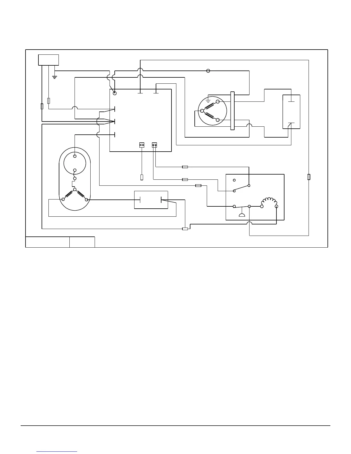
Phoenix R150 LGR - Wiring Diagram

Phoenix R150 LGR
9 pages
Print Icon
To Next Page IconTo Next Page
To Next Page IconTo Next Page
To Previous Page IconTo Previous Page
To Previous Page IconTo Previous Page
Loading...
7
www.UsePhoenix.com • sales@UsePhoenix.comToll-Free 1-800-533-7533
WHT
BLK-5
GRN
GRN-14
BLK-5
GRN-13
BRN-12
BLK-16
WHT-2
WHT-7
BLK-3
GRN
BLU-8
BLK-4
BLK-11
YEL
YEL
BLU
YEL
YEL-10
RED-9
WHT-7
BLK
GRY
WHT-6
CONTROL
BOARD
RUN
CAP
FAN
MOTOR
PUMP
SAFETY
NO
NC
FLOAT
WHT
PUMP
FAN
LEVEL
SWITCH
THERMISTOR
1 - LINE
2 - NEUT
3 - COMP
RUN
CAP
PLUG
5 4
C
R
S
COMPRESSOR
BLK-15
BLK
P/N 4031273 REV C
Wiring diagram
7 Wiring Diagram

Related product manuals