EasyManua.ls Logo

Phonic MAR1 - Page 14

Phonic MAR1
23 pages
Print Icon
To Next Page IconTo Next Page
To Next Page IconTo Next Page
To Previous Page IconTo Previous Page
To Previous Page IconTo Previous Page
Loading...
13
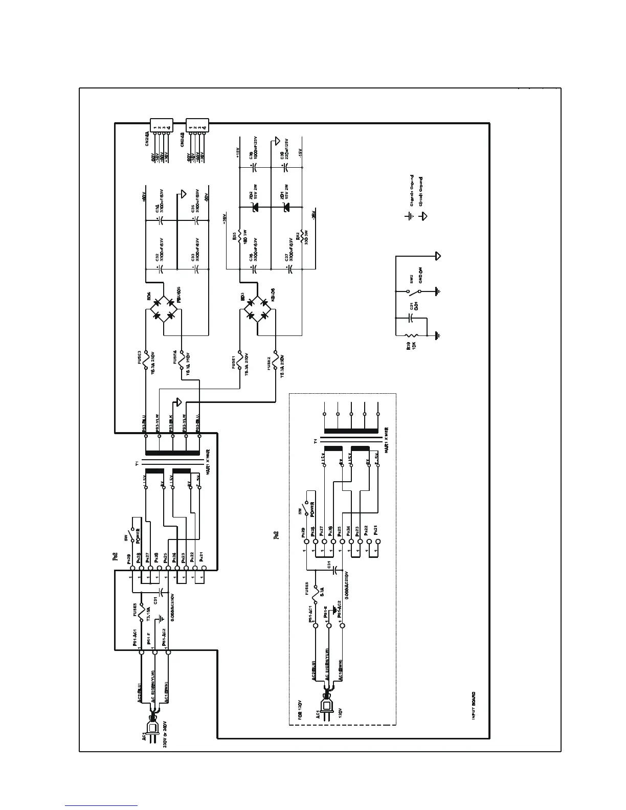
Schematic Diagram 2 MAR1 Power Amplifier Power Supply
(MAR1 Input / Output
&
Power Supply Board)

Related product manuals