EasyManua.ls Logo

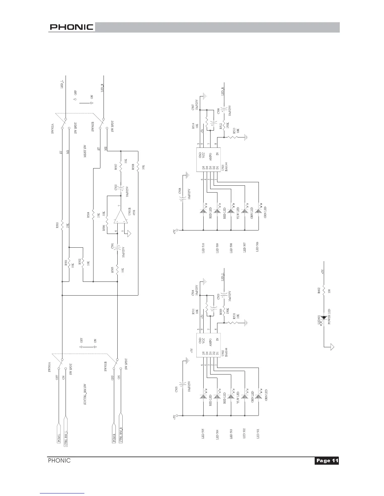
Phonic MM 1002 - LED Display Schematic

Phonic MM 1002
23 pages
Print Icon
To Next Page IconTo Next Page
To Next Page IconTo Next Page
To Previous Page IconTo Previous Page
To Previous Page IconTo Previous Page
Loading...
2=CA 
PHONIC CORPORATION
LED DISPLAY SCHEMATIC
LED DISPLAY SCHEMATIC
Mm1002 SERVICE MANUAL

Related product manuals