EasyManua.ls Logo

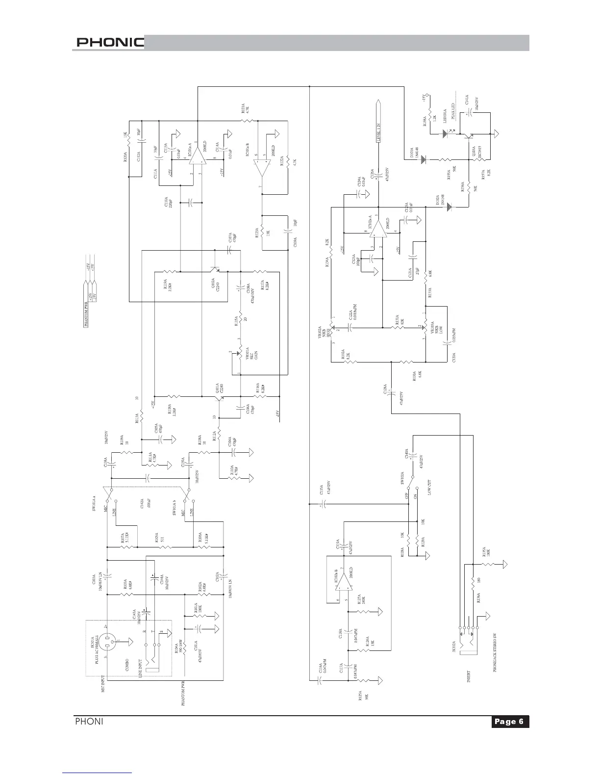
Phonic MM 1002 - Channel 1-2 Schematic

Phonic MM 1002
23 pages
Print Icon
To Next Page IconTo Next Page
To Next Page IconTo Next Page
To Previous Page IconTo Previous Page
To Previous Page IconTo Previous Page
Loading...
2=C A $
PHONIC CORPORATION
Mm1002 SERVICE MANUAL
CHANNEL 1~2 SCHEMATIC
CHANNEL 1~2 SCHEMATIC

Related product manuals