EasyManua.ls Logo

Pioneer Kuro KRP-500M - Network Connectivity

Pioneer Kuro KRP-500M
326 pages
To Next Page IconTo Next Page
To Next Page IconTo Next Page
To Previous Page IconTo Previous Page
To Previous Page IconTo Previous Page
Loading...
67
En
Use Other Equipment With Your Flat Panel Display
06
English
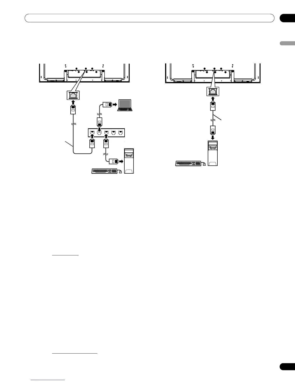
6.8 Connect to a Network
Connecting your flat panel display to a home network or local area network (LAN) causes the panel to function
as a server. To run the panel on a network, see the diagram below for connections. After connection to a network,
apply initial settings described in the following sections.
Caution:
With the flat panel display, browsing Internet websites and sending/receiving E-mails are unavailable.
Broadcasts and on-line video services via the Internet are unavailable.
Purchase commercially available connection devices and cables as needed.
Combining different communication brand tools with some service providers, or different modem and
broadband router brands may cause communication failures or require additional services from your
service provider.
Connecting to a network may require additional settings on your PC.
After connection to a network, enter correct settings.
Pioneer is not responsible for any damage due to erroneous operations or unsuccessful E-mail
transmissions.
Using a LAN
Use 10BASE-T or 100BASE-TX for a broadband router or hub.
Do not connect your flat panel display directly to the Internet. Connect the panel through a Firewall, leaving
only necessary ports open.
Do not connect a modular telephone cable to the LAN (10BASE-T/100BASE-TX) terminal. Doing so can
cause a malfunction.
Required equipment and connection methods may differ, depending on the communication and/or service
provider.
Use devices such as an ADSL modem, broadband router, hub and splitter as specified by the
communication and/or service provider. Also refer to the instruction manual that came with the device.
Settings are unavailable for a broadband router or an ADSL modem with a broadband router function.
When communicating through a LAN, data encryption is unavailable through your panel. When accessing
the Internet, run the display on a virtual private network (VPN) or other protected communication network
environment.
Do not send a command to both the RS-232C and LAN terminals at the same time. Doing so can cause the
display to receive the command erroneously.
About ADSL Modems
Utilizing bridging for an ADSL modem requires a separate broadband router.
For details on an ADSL modem, consult your communication and/or service provider.
PC 2
PC 1
Ethernet hub
(Router with hub function)
Straight-through
cable
Rear view
Cross-over cable
PC
Rear view
KRP-600M_500M.book Page 67 Monday, June 16, 2008 10:23 AM

Table of Contents

Other manuals for Pioneer Kuro KRP-500M

Related product manuals