EasyManua.ls Logo

Pioneer M-LA21 - AMPLIFIER, TRANSFORMER, PRIMARY ASSYS

Pioneer M-LA21
24 pages
Print Icon
To Next Page IconTo Next Page
To Next Page IconTo Next Page
To Previous Page IconTo Previous Page
To Previous Page IconTo Previous Page
Loading...
M-LA21
8
A
B
C
D
1
23
4
1234
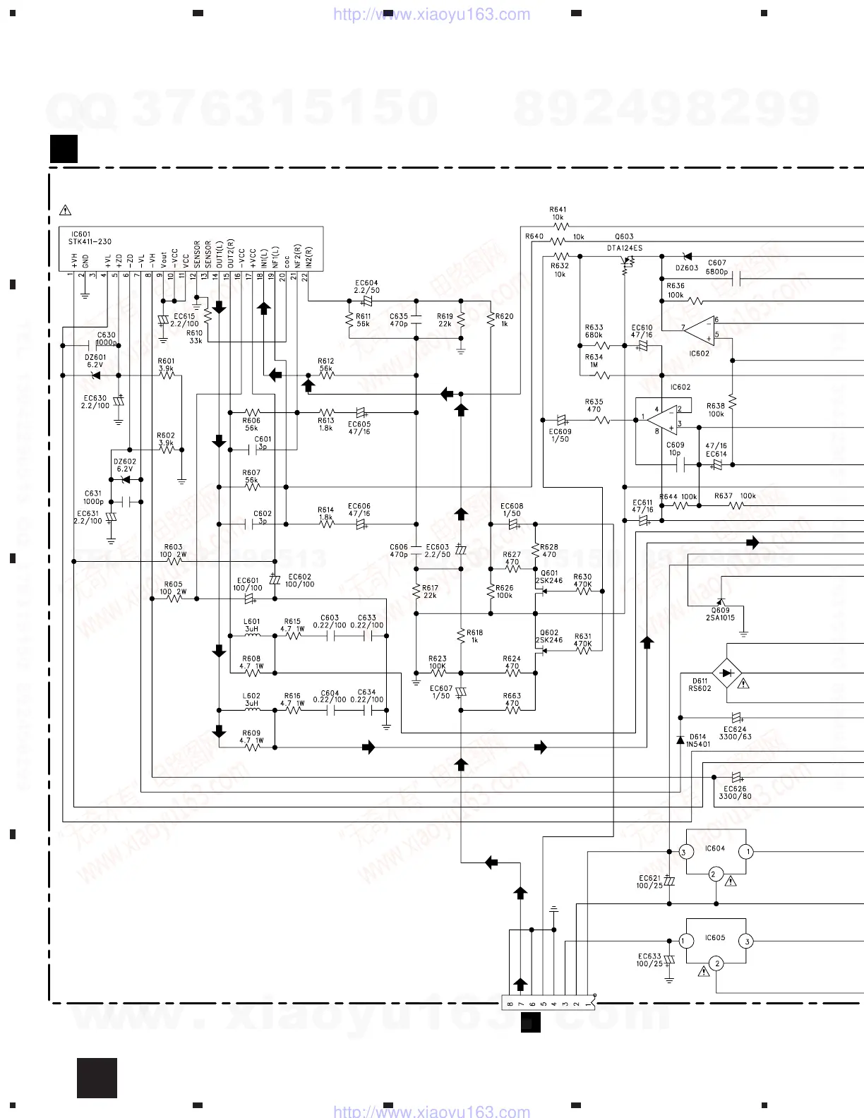
AMP ASSY (PMT1LA100011)
010-550411-000A
A
CN602
136-08PMT3-200J
CN22
D
MTZJ6.2A
MTZJ6.2A
018-030036-300A
018-030036-300A
2/2
1/2
BA4558DX
BA4558DX
011-020602-001A
011-025401-000A
NJM78M12FA
NJM79M12FA
006-033200-80D
006-033200-63D
004-022410-100
004-022410-100
003-030840-050
003-030840-050
3.2 AMP, TRANSFORMER and PRIMARY ASSYS
A
w
w
w
.
x
i
a
o
y
u
1
6
3
.
c
o
m
Q
Q
3
7
6
3
1
5
1
5
0
9
9
2
8
9
4
2
9
8
T
E
L
1
3
9
4
2
2
9
6
5
1
3
9
9
2
8
9
4
2
9
8
0
5
1
5
1
3
6
7
3
Q
Q
TEL 13942296513 QQ 376315150 892498299
TEL 13942296513 QQ 376315150 892498299
http://www.xiaoyu163.com
http://www.xiaoyu163.com

Related product manuals