EasyManua.ls Logo

Pioneer SA-710 - Page 5

Pioneer SA-710
9 pages
Print Icon
To Next Page IconTo Next Page
To Next Page IconTo Next Page
To Previous Page IconTo Previous Page
To Previous Page IconTo Previous Page
Loading...
SWITCH
Ass'y
(A)
GWS-234
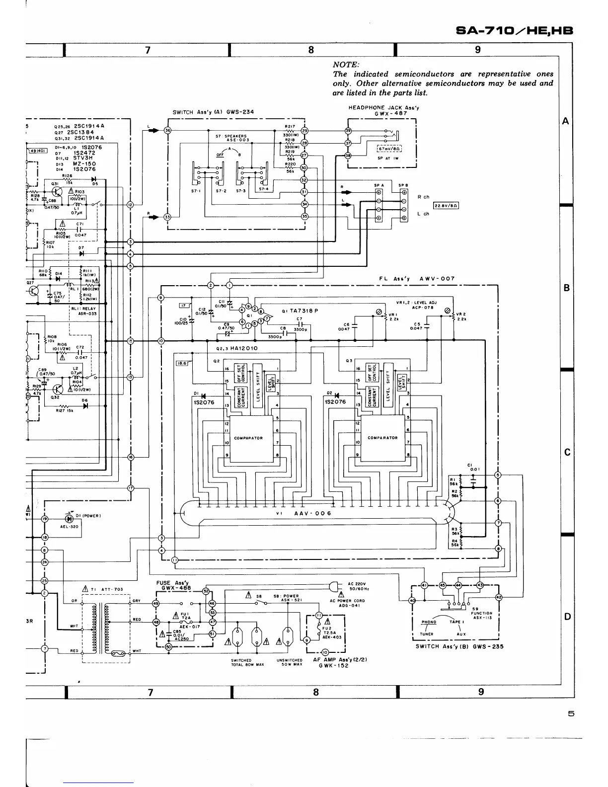
EiA.71O./HE,HEI
NOTE:
The
ind.icated
semiconductors are
representatiue ones
only. Other alternative semiconductors
may
be
used and
are listed in the
parts
list.
HEAOPHONE
JACK Ass'y
GWX-4gz
FL
Asr'y
AWV-OO7
a
25,26
25C
l9l 4
A
qzz
ZSCl384
orr,:z
2SC1914 A
Dr-6,s,ro
1S2O76
o?
15247?
orr,ra STV3H
Dr3
MZ-15O
D14
1S
2 076
Rr26
;
RLI: RELAY
I
ASR-O33
FUSE
Ass'y
GWX
-
488
ac
220v
5O16O
Hr
At.
38:
POwER
as(-521
SWITCHED
UNSWITCHED
TOTAL
8OW
MAX
5OW
ilAX
A
AC
POWER
CORD
aoG
-o4
|
ifr
rut
lil
r2A
s9
FUNC
TIO
N
asx
-
il3
PXOI{O TAPE I
-T--
\
tr
t- --
SWITCH
Ass'y
(8)
GWS
-
235
r I
aEx-or7
lA*3%?'z
r
VRI,?:
L€V€L
ADJ
,
acP-o78
a
or
TA73l8
P
@
q.="5;l
oo19
a2.r
HAl2OlO
J
J
vr
AAV-OO6
5

Other manuals for Pioneer SA-710

Related product manuals