EasyManua.ls Logo

Piper PA-28RT-201 - Page 264

Piper PA-28RT-201
752 pages
Print Icon
To Next Page IconTo Next Page
To Next Page IconTo Next Page
To Previous Page IconTo Previous Page
To Previous Page IconTo Previous Page
Loading...
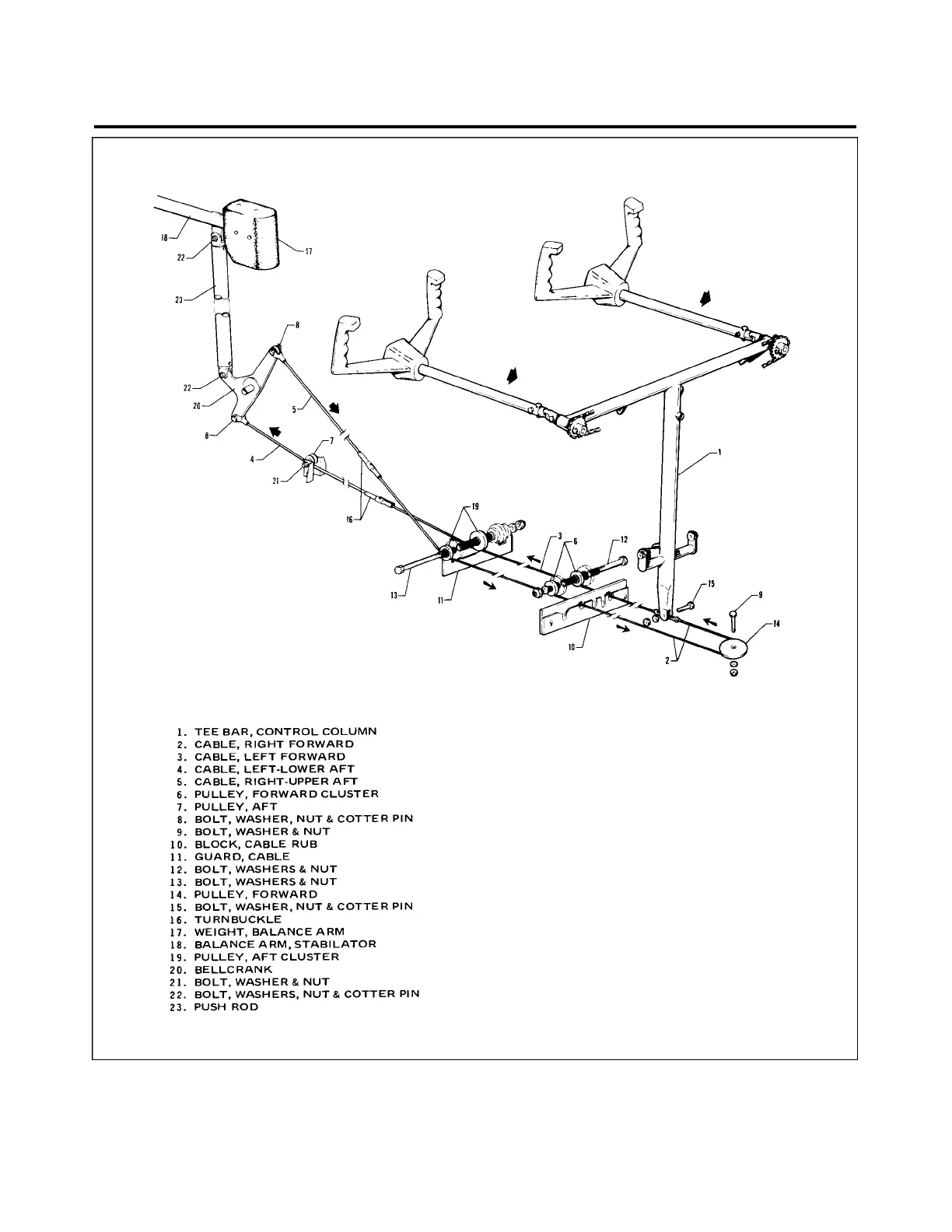
Figure 27-14. Stabilator Controls
27-30-02
Page 27-29
December 1, 1978
1K24
PIPER AIRCRAFT
PA-28RT-201 / 201T
MAINTENANCE MANUAL

Table of Contents