EasyManua.ls Logo

Pit Boss 77220 - Electrical Wire Diagram

Pit Boss 77220
32 pages
Print Icon
To Next Page IconTo Next Page
To Next Page IconTo Next Page
To Previous Page IconTo Previous Page
To Previous Page IconTo Previous Page
Loading...
23
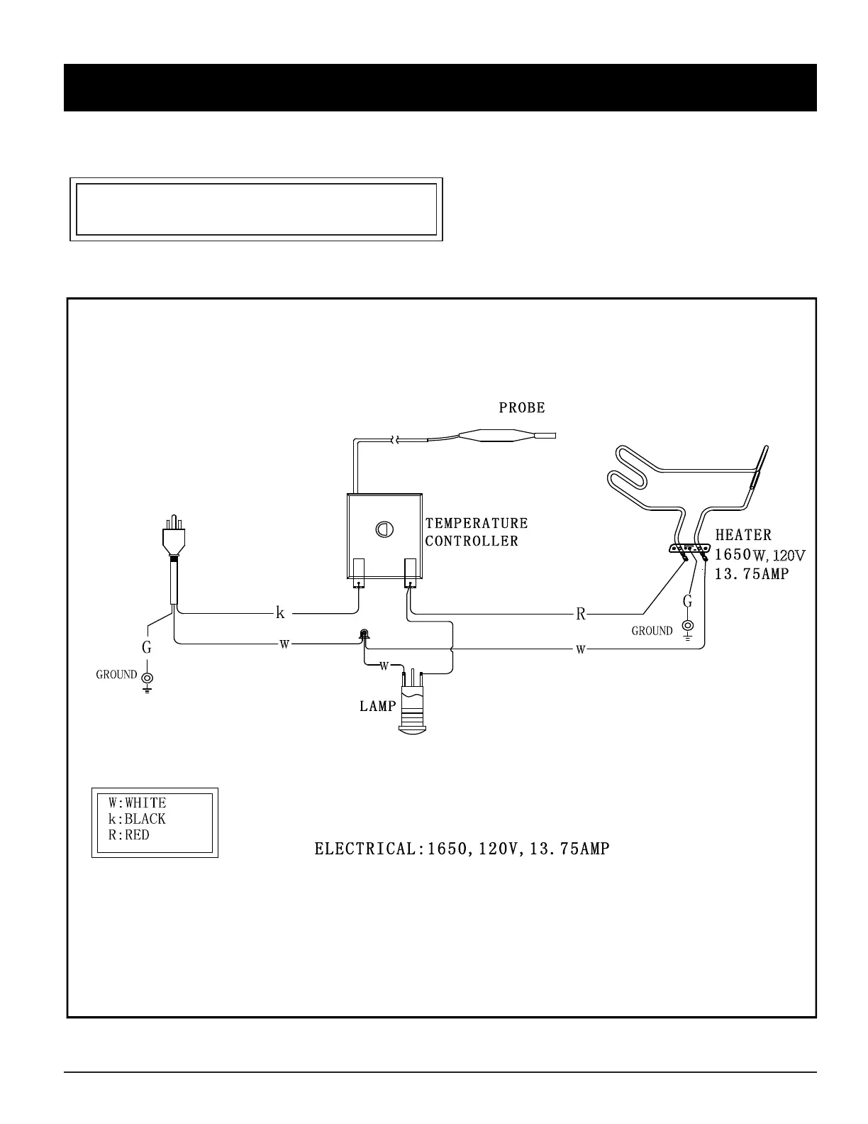
ELECTRICAL WIRE DIAGRAM
The Control Board system is an intricate and valuable piece of technology. For protection from power surges and electrical
shorts, consult the wire diagram below to ensure your power source is sufficient for the operation of the unit.
25
PB – ELECTRIC REQUIREMENTS
120V, 13.75AMP, 60HZ, 1650W, 3-PRONG GROUNDED PLUG
: Electrical components, passed by product safety testing and
certification services, comply with a testing tolerance of ± 5-10 percent.
TEMP
W, 120V
  

Other manuals for Pit Boss 77220

Related product manuals