EasyManua.ls Logo

PLASMATECH SHARK 75 - Page 45

PLASMATECH SHARK 75
54 pages
Print Icon
To Next Page IconTo Next Page
To Next Page IconTo Next Page
To Previous Page IconTo Previous Page
To Previous Page IconTo Previous Page
Loading...
45
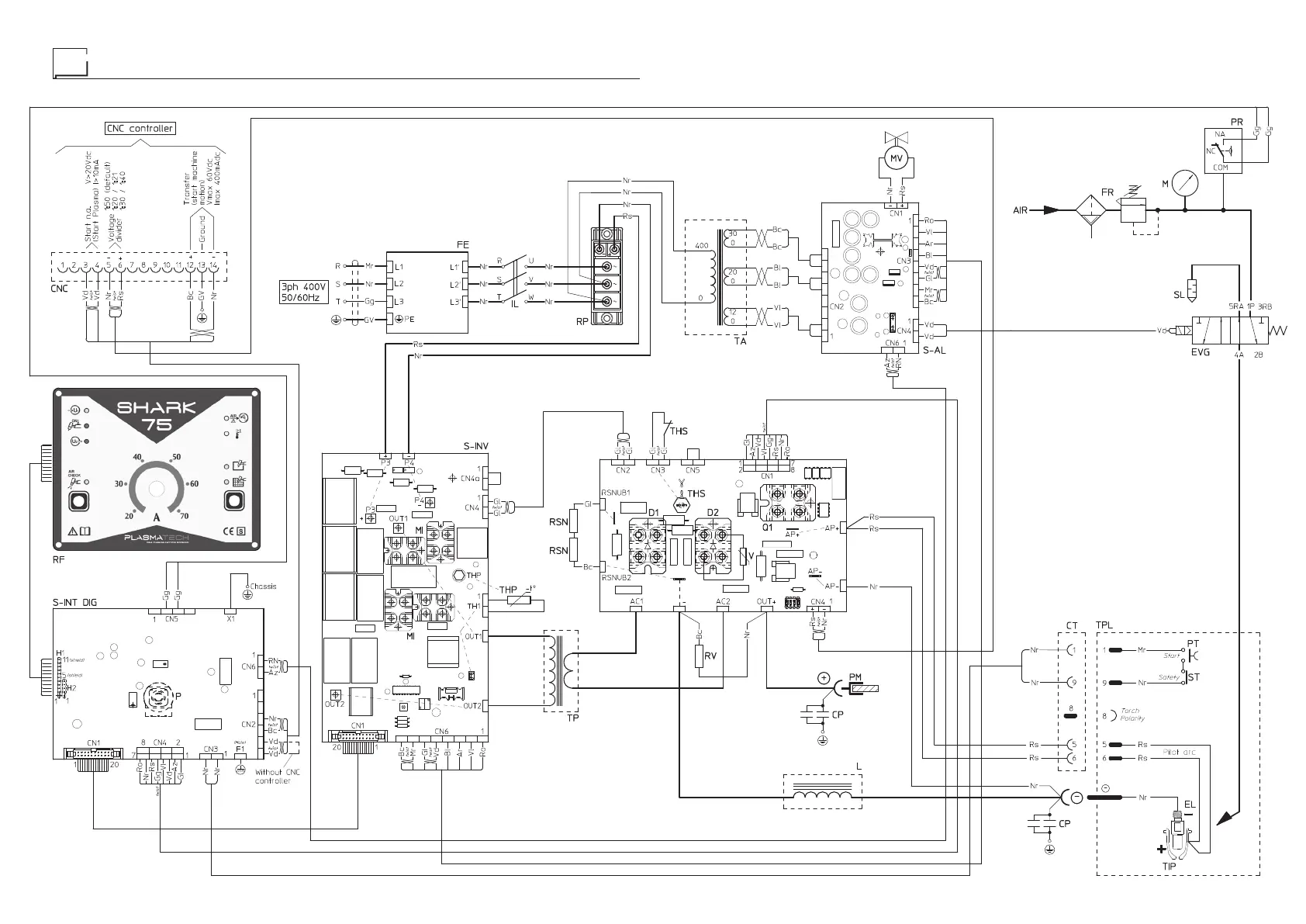
Wiring diagram SHARK 75