EasyManua.ls Logo

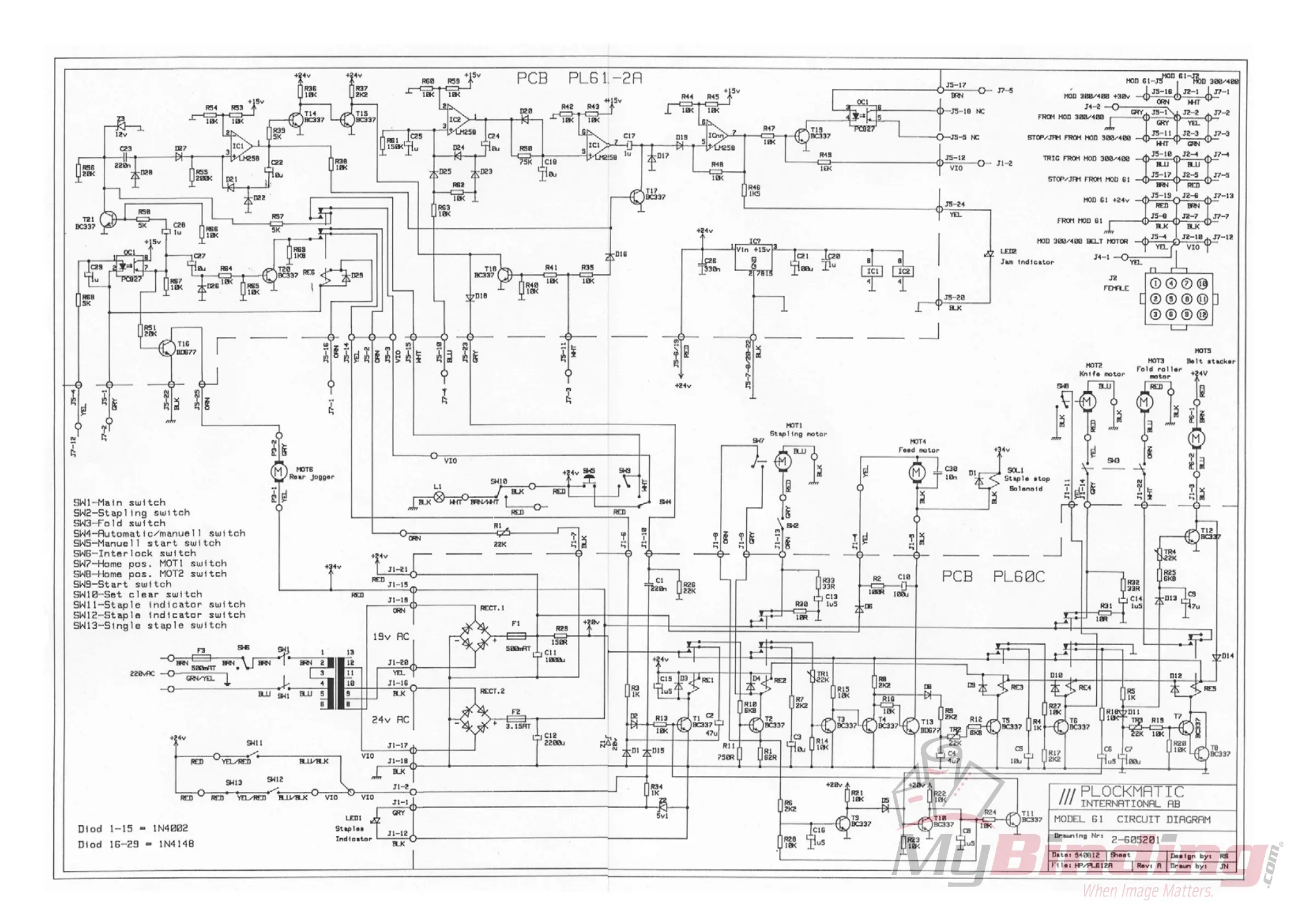
Plockmatic BM 60 - EDI 3.3 Wiring;circuit diagram Model 60

Plockmatic BM 60
38 pages
Print Icon
To Next Page IconTo Next Page
To Next Page IconTo Next Page
To Previous Page IconTo Previous Page
To Previous Page IconTo Previous Page
Loading...

Related product manuals