EasyManua.ls Logo

Pneumatech PH 230 HE - Page 49

Pneumatech PH 230 HE
66 pages
Print Icon
To Next Page IconTo Next Page
To Next Page IconTo Next Page
To Previous Page IconTo Previous Page
To Previous Page IconTo Previous Page
Loading...
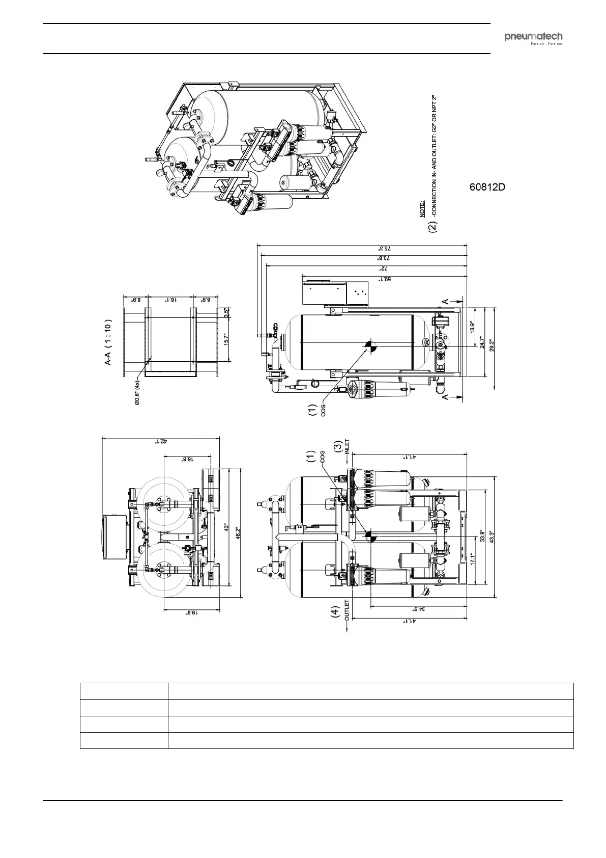
PH 635 HE (in inch)
(1) Center of gravity
(2) Dimension of inlet and outlet connection
(3) Dryer inlet
(4) Dryer outlet
Instruction book
2920 1891 00 47

Related product manuals