EasyManua.ls Logo

Pneumatech PH 230 HE - Page 52

Pneumatech PH 230 HE
66 pages
Print Icon
To Next Page IconTo Next Page
To Next Page IconTo Next Page
To Previous Page IconTo Previous Page
To Previous Page IconTo Previous Page
Loading...
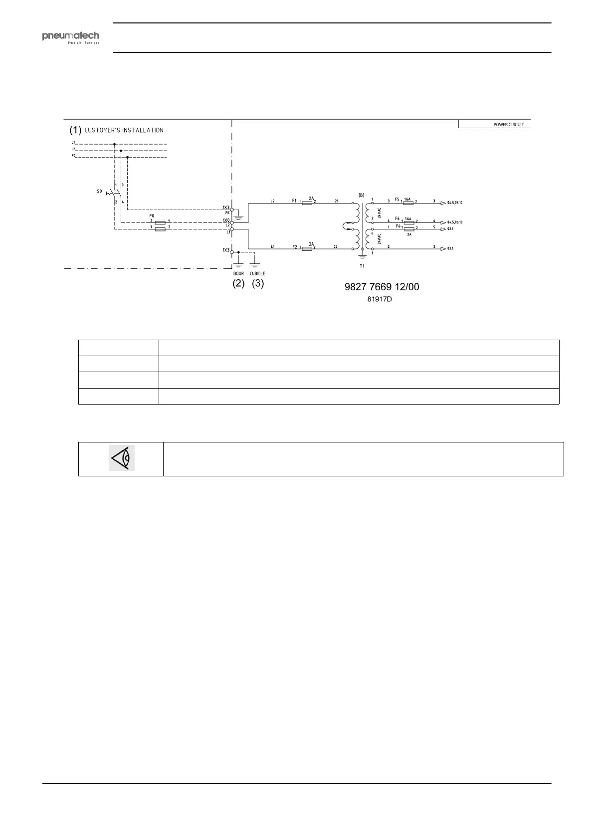
Connect the supply voltage to terminals 1X0 (L1 - L2) and 1X3 (earth). Install a power switch and fuses in
the supply line.
Maximum value fuse F1 and F2 is 10 A.
Reference Description
(1) Customer's installation
(2) Door
(3) Cubicle
Before switching on the main power supply, check the voltage requirements in the
technical specifications or on the dryer’s data plate.
Instruction book
50 2920 1891 00

Related product manuals