EasyManua.ls Logo

POMCube iCAN NetZero Plus Series - About iCAN NetZero Plus

Default Icon
63 pages
Print Icon
To Next Page IconTo Next Page
To Next Page IconTo Next Page
To Previous Page IconTo Previous Page
To Previous Page IconTo Previous Page
Loading...
10
About iCAN NetZero Plus
Overview
iCAN NetZero Plus is an intelligent energy storage system to power your home
including heavy loads, 24/7 in emergencies like blackouts, relieve you from heavy
electricity bills, and even help you to be energy self-sufficient. You may monitor
your energy generation and consumption with the mobile APP anytime and
anywhere.
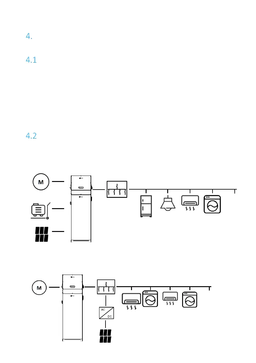
Typical Applications
(1)
100% backup power and generator with solar panels for grid-tied homes.
(2)
AC Coupling with existing photovoltaic system.
Utility Meter
iCAN NetZero Plus
Main Panel
Whole Home Load
Generator
PV Array
iCAN NetZero Plus
Panel
Utility Meter
PV Array
PV Inverter
Load

Related product manuals