EasyManua.ls Logo

POMCube iCAN NetZero Plus Series - Parts and Features

Default Icon
63 pages
Print Icon
To Next Page IconTo Next Page
To Next Page IconTo Next Page
To Previous Page IconTo Previous Page
To Previous Page IconTo Previous Page
Loading...
11
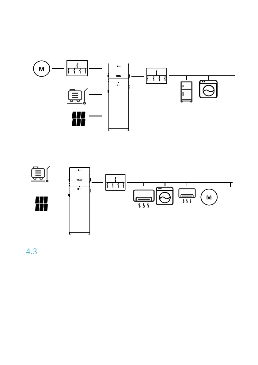
(3)
Partial backup power (basically critical loads) and generator with solar
panels for grid-tied homes.
(4)
Generator with Solar Panels for Off-Grid homes.
Parts and Features
NOTE: The images shown in this User Manual are for reference only and may
slightly differ from the actual product.
(1)
Universal PCS hybrid inverter, including inverter unit, PV charging unit, and
energy management unit inside
.
Utility Meter
Main Panel
iCAN NetZero Plus
Sub Panel
Critical Load
Generator
PV Array
Generator
iCAN NetZero Plus
Main Panel
Whole Home Load
PV Array

Related product manuals