EasyManua.ls Logo

POOLEX OKU MINI - Załączniki; A1. Schematy Połączeń

POOLEX OKU MINI
Print Icon
To Next Page IconTo Next Page
To Next Page IconTo Next Page
To Previous Page IconTo Previous Page
To Previous Page IconTo Previous Page
Loading...
A. Załączniki
A1. Schematy połączeń
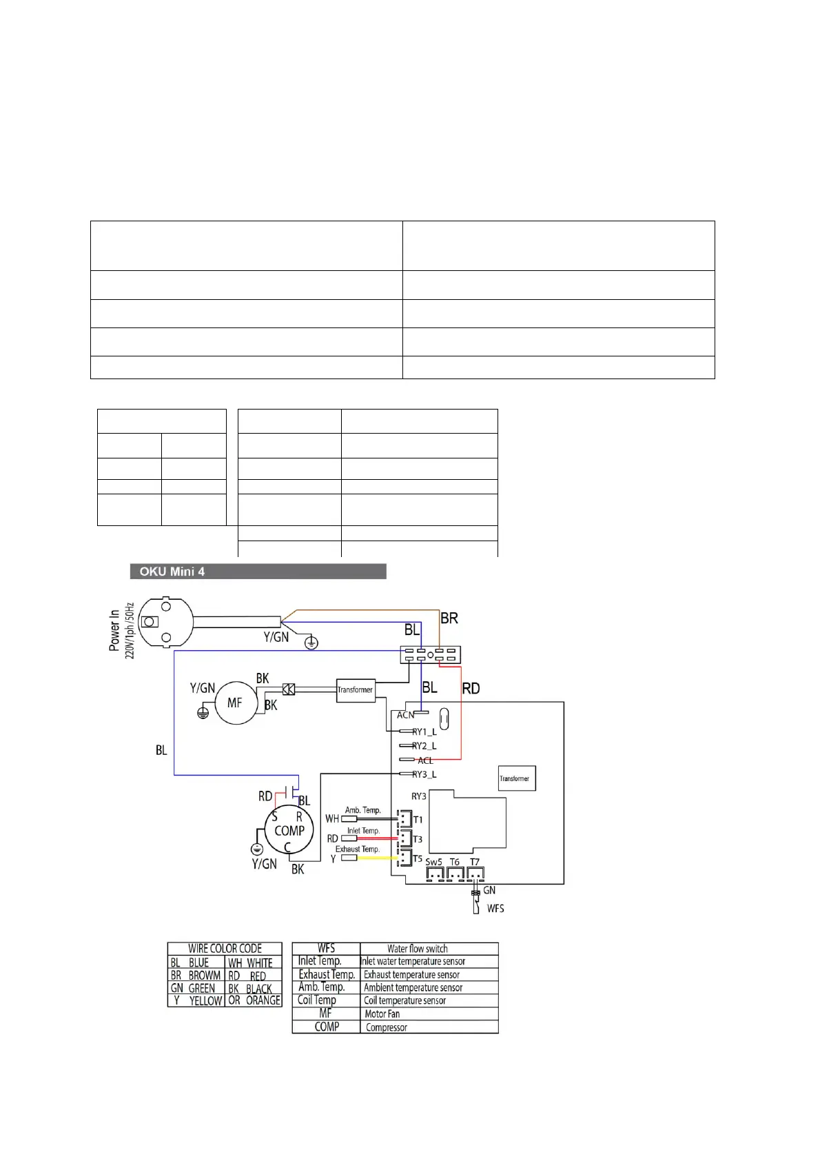
OKU Mini 4
Power In
220V/1ph /50Hz
Zasilanie
220 V/1 ph /50 Hz
Amb. Temp.
Temp. otoczenia
Inlet Temp.
Temp. wlotu
Exhaust Temp.
Temp. wywiewu
Transformer
Transformator
KOD KOLORÓW
PRZEWODÓW
WFS
Przełącznik przepływu
wody
BL NIEBIESKI
WH BIAŁY
Temp. wlotu
Czujnik temperatury wody na
wlocie
BR
BRĄZOWY
RD
CZERWONY
Temp. WYWIEWU
Czujnik temperatury wywiewu
GN ZIELONY
BK CZARNY
Temp. otoczenia
Czujnik temperatury otoczenia
Y ŻÓŁTY
OR
POMARAŃCZ
OWY
Temp. wężownicy
Czujnik temperatury żownicy
MF
Silnik wentylatora
COMP
Sprężarka

Related product manuals