EasyManua.ls Logo

Porsche E-Performance - Page 67

Porsche E-Performance
Print Icon
To Next Page IconTo Next Page
To Next Page IconTo Next Page
To Previous Page IconTo Previous Page
To Previous Page IconTo Previous Page
Loading...
65
󻺓󼯇
EN
ES
FR
IT
JP
KO
NL
PTB
RU
ZH
ZHT
DE
2.5 m 󺮧󼓣󼓇󾖴󼦗󻔸󾖴󼱯󼓣󻮃󼒳󾖴󻸛󼐘󽋏󾖴󺨬󼐟󾖴󼬘󼕳󻁯󾖴
󽎯󻃃󻀃󾖴󺥯󻀔󽋋󾖴󽋋󾖴󼦗󻔸󾖴󺥯󺮻󼓣󼌿󾖴󻺓󼯇󽋣󼋫󾖴
󽋘󻀷󻁓. 󼓣󻊻󾖴󼐿󽋇󻀃󾖴󼙫󼦗󾖴󼑳󼯇󾖴󻥾󾖴󼦗󻔸󾖴󻦘󽌔󼒳󾖴
󺩏󻖓󽋣󼋫󾖴󽋘󻀷󻁓.
󻁓󼒻󺩫󾖴󺦈󼒯󾖴󼑳󼯇󼌿󾖴󼬘󼕳󻁯󾖴󽎯󻃃󻛫󾖴󻺓󼯇󽋇󻟣󾖴󼊷󾖴
󻆘󻀷󻁓:
󽅜󻦋󾖴󼑳󽍇󼓣󾖴󼓷󻀃󾖴󺫛󼍜
󻁯󽊫󻗋󾖴󻍿󻀃󾖴󼓣󻅈󻗋󺥯󾖴󼓷󻀃󾖴󺫛󼍜(󼱯󼓣󻮃󼓣󾖴
󻁯󽊫󻗋󺸇󾖴󼓣󻅈󻗋󻛫󾖴󻦘󽋣󽋇󻄳󻗌󾖴󻺓󼯇󽋇󻟣󾖴󼊷󾖴
󻆘󻀷󻁓).
󻢫󼓣󾖴󼜰󼖀󾖴󼿯󻀃󾖴󼑳󼯇(󼍷: 󺩏󼋄󾖴󻺧󼨈󺮟󺸇󾖴󼖄󼐿󾖴
󻸣󻾇󾖴󼔔󼯇)
󻝓󻁛󻜟󾖴󻢫󼨣󾖴󼊳󻔇
󼏧󼌀󺥳󼓣󺸇󾖴󼬄󻸛󾖴󻍿󻀃󾖴󼋃󻠗󻀷󼊳󾖴󺥯󼀓󺥯󾖴
󻦋󻹌󽋇󻀃󾖴󼔔󻻻
󺫻󼔔󾖴󻺓󼯇󾖴󻾋󻺋
1. 󻨏󼓣󼀓(󻮷󾖴󺩯󾖴󻥾󾖴󼋤󼱓󾖴󻦃󾖴󽅛󽋗)󻛫󾖴󼙯󻮳󽋇󼁜󼁋󼎓.
2. 󼕳󼐿󾖴󻫳󻜛󾖴󼔔󼯇󼌿󻺋󾖴󻨏󼓣󼀓󺮻󼜯󾖴󼱯󼓣󻮃󼒳󾖴
󻦟󻺏󽋇󼁜󼁋󼎓.
3. 󼬘󼕳󻁯󾖴󽎯󻃃󻛫󾖴󻺓󼯇󽋇󼁜󼁋󼎓.
4. 󼓿󺨘󼒳󾖴󺦅󼬇󾖴󼕳󺮟󾖴󺮟󻸛󺥯󾖴󼕳󼐿󾖴󺩤󺭸󾖴󼔔󼯇󻛫󾖴
󻺓󼯇󽋣󼋫󾖴󽋘󻀷󻁓.
󻨏󼓣󼀓󾖴󼙯󻮳
󼊷󼕳󽋇󺧻󾖴󺩏󼖄󻖓󻟣: 󻺓󼯇󽋇󺮟󾖴󼕳󼌿󾖴󻨏󼓣󼀓󾖴
󻸰󼹋󻛫󾖴󼕿󺧯󽋇󼁜󼁋󼎓!
󼓣󻥧󾖴󼖄󼕰󾖴󼍟󻸟󼌿󾖴󻊟󻓫󾖴󼱯󼓣󻮃󼒳󾖴󼕰󼕷󽋇󺧻󾖴󻦟󻺏󽋏󾖴󻾇󾖴
󼓷󻄳󻗌󾖴󼜯󼜯󻖔󼓣󾖴󼬘󻫳󽋋󾖴󻦃󻁔󼓣󾖴󼙯󻮳󻆋󾖴󺨬󼐟󾖴󻨳󻄳󻗋󾖴
󻨏󼓣󼀓󾖴󼙯󻮳󾖴󼔀󼌴󼒳󾖴󽋏󾖴󽊳󼐃󺥯󾖴󼌵󼀤󻀷󻁓. 󼬘󼕳󻁯󾖴
󽎯󻃃󻀃󾖴󼓣󾖴󺨬󼐟󾖴󺮟󼗣󾖴󻦃󻁔󼌿󾖴󻦃󻗋󾖴󻺓󼯇󽋏󾖴󻾇󾖴
󼓷󼀤󻀷󻁓.
󺮟󼗣󾖴󻦃󻁔󼌿󾖴󻺓󼯇󾖴
1. 󻦃󻁔󼌿󾖴󼱯󼓣󻮃󾖴󻦟󻺏󻫯󾖴󺫛󻞼󼒳󾖴󽇋󼁋󽋇󼁜󼁋󼎓.
2. 󼜰󺨬󾖴14 mm󼓇󾖴󺩏󼖄󾖴󺫛󻞼󼒳󾖴󻐚󼒯󾖴󽐳󾖴󻨏󼓣󼀓󾖴󺩏󼖄󾖴
󼔔󼯇󻛫󾖴󼖋󽇷󾖴󻺓󻟴󻺋󼌿󾖴󻊟󻓫󾖴󻺓󼯇󽋇󼁜󼁋󼎓.
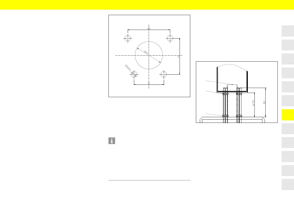
󺭧󻜫󾖴2: 󺫛󻞼󾖴󼯇󻾇
󼬘󼕳󻁯󾖴󽎯󻃃󼓇󾖴󻺓󼯇
󺫛󼗟󻢫󾖴󼮐󼌿󾖴󻨏󼓣󼀓󻛫󾖴󼕰󼕷󽋇󺧻󾖴󻜻󻉋󼁜󼁋󼎓.
󼍷󻛫󾖴󻉓󼌣󾖴HILTI HVA(70󽄇󼓣󼜯󼓇󾖴󻫯󻗌: 󻨏󼓣󼀓󾖴
󺩏󼖄󾖴󼔔󼯇󾖴Hilti󾖴󼦧󼗟) 󻍿󻀃󾖴󼒏󻸛󽋋󾖴󻦘󼁌󼒳󾖴󼓣󼐘󽋇󼍛󾖴
󺩏󼖄󽋇󼁜󼁋󼎓.
󺥳󺨘󼒳󾖴󻇃󾖴󻺓󼯇󾖴󼙯󻮳
1. 󼋤󼱓󾖴󻦃󻛫󾖴󺺓󾖴󺦋󼓇󾖴󻊃󼀓󼷛󾖴A13󺩫󾖴󺺓󾖴󺦋󼓇󾖴󼒐󺥰󾖴
󺹷󽀧󾖴M12󻛫󾖴󻸛󼐘󽋇󼍛󾖴󻨏󼓣󼀓󼌿󾖴󺩏󼖄󽋇󼁜󼁋󼎓.
󼫋󻁯󾖴󼗟󼓳󾖴󼼏󼷛: 40 Nm.
2. 󺺓󾖴󺦋󼓇󾖴󼒐󺥰󾖴󺹷󽀧󾖴M12󼎯󾖴󻊃󼀓󼷛󾖴A13󼒳󾖴
󼓣󼐘󽋇󼍛󾖴30 mm ~ 150 mm 󻸛󼓣󾖴󼐿󽋇󻀃󾖴
󺼁󼓣󻗋󾖴󻺓󼖄󽋇󼁜󼁋󼎓.
3. 󻮷󾖴󺩯:󾖴󻨏󼓣󼀓󻩣󻁓󾖴󼫋󻻻󾖴250 mm 󺼁󺧻󾖴󼎛󻓫󼎯󼋫󾖴
󽋘󻀷󻁓.
󺭧󻜫󾖴3: 󺥳󺨘󼒳󾖴󻇃󾖴󻺓󼯇
󼖄󻩣
󼬘󼕳󻁯󾖴󽎯󻃃󻀃󾖴󼐿󼯈󼕰󼒫󻗋󾖴󼜰󼖀(󺥳󺨘󾖴󼌵󼓣) 󼎳󻺠󻆋󾖴
󼀓󽁧/󼳇󼷛󻜛󽀧󾖴󻦃󻁔󼌿󾖴󻦃󻁔󼔛(󼍷: 󽅛󼔔󽋋󾖴󻦃󻁔󾖴󻍿󻀃󾖴
󼸯󻛣󾖴󻉠)󻛫󾖴󼉻󼐣󾖴󻸰󼹋󻗋󾖴󻺓󼯇󽋣󼋫󾖴󽋘󻀷󻁓(󺭧󻜫󾖴7
󼦧󼗟).
󻦃󻁔󼔛󻛫󾖴󺸇󼚀󼌿󾖴󻺓󼯇󽋣󼋫󾖴󽋏󾖴󺨬󼐟󾖴󺥳󺨘󼒳󾖴󻆿󺩏󾖴
󻺓󼯇󽋇󼍛󾖴󼬘󼕳󻁯󾖴󽎯󻃃󻛫󾖴󻞫󼕯󾖴󼍷󼖄󻆋󾖴󻦃󻁔󾖴󽂗󻉋󾖴󼑳󼌿󾖴
󻺓󼯇󽋏󾖴󻾇󻄳󾖴󼓷󼀤󻀷󻁓(󺭧󻜫󾖴3󾖴󼦧󼗟).
󽐳󻦘
󼕳󻦘
1
2
3

Related product manuals