EasyManua.ls Logo

Potter PFC-7500 - SNM Class B Style W Multiple Notification Appliance Circuits

Potter PFC-7500
28 pages
Print Icon
To Next Page IconTo Next Page
To Next Page IconTo Next Page
To Previous Page IconTo Previous Page
To Previous Page IconTo Previous Page
Loading...
19
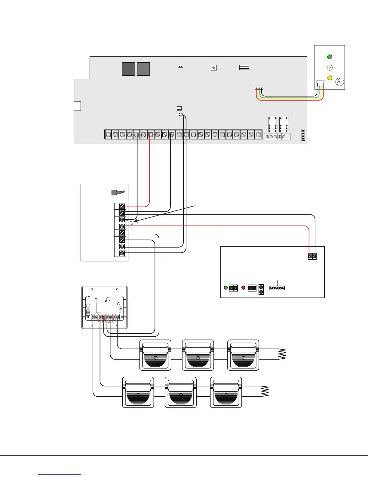
22.4 SNM Class B Style W Multiple Notication Appliance Circuits
1 AUX PWR
2 GND
3 Alarm In
4 Bell PWR In
5 Bell Out +
6 Bell Out -
7 Bell Trouble
8 Bell Trouble
Normal/Silence Switch
Potter Model SNM
45mA @ 12 VDC
The SNM Notification
Appliance Circuit
Module in alarm draws
up to 31mA through its
Terminal 3 Alarm Input
and 45mA from its
Terminal 1 Aux Power
Input.
Panel Reset
AC
12 34
78
10 11 12 13 14 15 16
AC B+ B-
9
REDYEL GRNBLK Z1B- Z2 -Z2+
1
2
3
4
J12
Z1A- Z1B+Z1A+
PFC-7500 Series Commercial Fire Command
Processor Panel
MAINBACKUP
J11
N/C COM N/O N/C COM N/ O
Telephone Connections
J10 Trouble Annunciator Header
56
BELL SMK
OUTPUT 1
OUTPUT 2
SILENCE/RESET
PUSH FOR ONE SECOND
Silence/Reset
Button
Silence/Reset
Header
17 18
Z3 -Z3+
19 20
Z4 -Z4+
21 22
Z5 -Z5+
Bell
Monitor
r
J13
J14
Power Supply
J6
+ DC -
AC
Trouble
Batt
Trouble
J4
J3J2
Green
LED
AC
AC
+ BAT -
Red
LED
DC
12 VDC @ 5 Amps
Battery
Start
TAM Module
Auxiliary Power Supply must be regulated, power
limited, and listed for Fire Protective Signaling Service.
Power Supplies must have battery backup.
Note: If an auxiliary power supply is not used, terminals
3 and 4 can be jumpered together to supply Bell Power
from the panel.
The Auxiliary Power Supply and Notification Circuit
Module trouble contact zone must be programmed as
a Supervisory Type zone.
MINUS 2MINUS 1+OUT 1 +IN 1 +IN 2-AUD+AUD +OUT 2
10K EOLR
DSM-12/24 Module
10K EOLR
Listed, Polarized Notification Appliances
Sync module required
when using multiple
notification appliances
When using a separate power supply, the maximum
current is 3 Amps.
See the Notification Appliance section for a list of appliances.
The Bell Output
programming for Fire type
zones must be set to
Steady.
The maximum voltage drop between
the panel Bell Output and the Model
308 is .5 VDC when a separate power
supply is not used.
Regulated 12
VDC

Table of Contents