EasyManua.ls Logo

Power SUA2000i - Schéma du Circuit

Power SUA2000i
108 pages
Print Icon
To Next Page IconTo Next Page
To Next Page IconTo Next Page
To Previous Page IconTo Previous Page
To Previous Page IconTo Previous Page
Loading...
Page 27
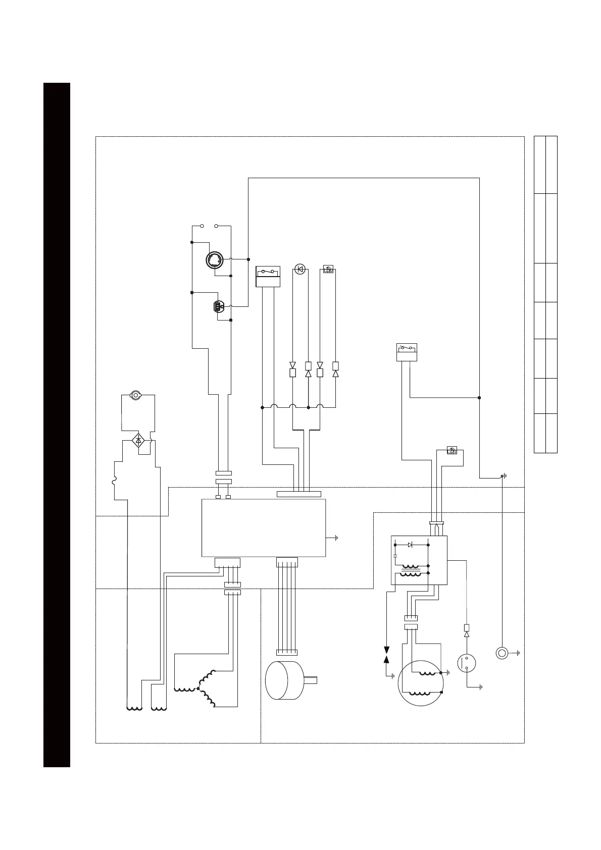
Schéma du Circuit
SCHÉMA DU CIRCUIT
Modèle:SUA2000i
Système de mise à la terre(AC): Neutre collé au cadre Sistema de puesta a tierra(DC):Flotación del Sistema
B:NOIR
Br:BROWN
G:VERT
Gy:GRIS
L:BLUE
O:ORANGE
R:ROUGE
W:BLANC
Y:JAUNE
P:ROSE
N/B:NOIR/BLANC
Y/G:JAUNE/VERT
R/W:ROUGE/BLANC
:
:
%
%
%
/
3
<
5
%U
5:
%
%
<
*<
%:
%
:
%
%U
5:
/
2
5
%
%:
%RELQH
VHFRQGDLUH
%RELQH&&
%RELQH
GHVWDWRU
0RWHXU
SDVi
SDV
0RGXOHGDUUmW
GHEDVQLYHDX
GKXLOHFDSWHXU
&RPPXWDWHXU
GH
GlPDUUDJH
*1'
%RELQH
GDOOXPDJH
0RGXOHGH
FRQWUROH
027(85
3$11($8'(&200$1'(
2
%
:
3RUWV
SDUDOOkOHV
/
/
5HGUHVVHXU
%%
:
:
:
*<
*<
*<
$/7(51$7(85
$
5
$
/5
*<
*<
/('GHVRUWLHSUmWH
:
%U
:
,QWHUUXSWHXUGHUDOHQWLEDV
/('LQGLFDWHXUGH
VXUFKDUJH
%
:
5
/('LQGLFDWHXU
GHEDVQLYHDX
GKXLOH
:
:
%
%
:
%RXJLHGDOOXPDJH
5
%
/
12V
$
9'&$

Table of Contents

Related product manuals