EasyManua.ls Logo

Power SUA2000i - Diagrama de Circuitos

Power SUA2000i
108 pages
Print Icon
To Next Page IconTo Next Page
To Next Page IconTo Next Page
To Previous Page IconTo Previous Page
To Previous Page IconTo Previous Page
Loading...
Página 28
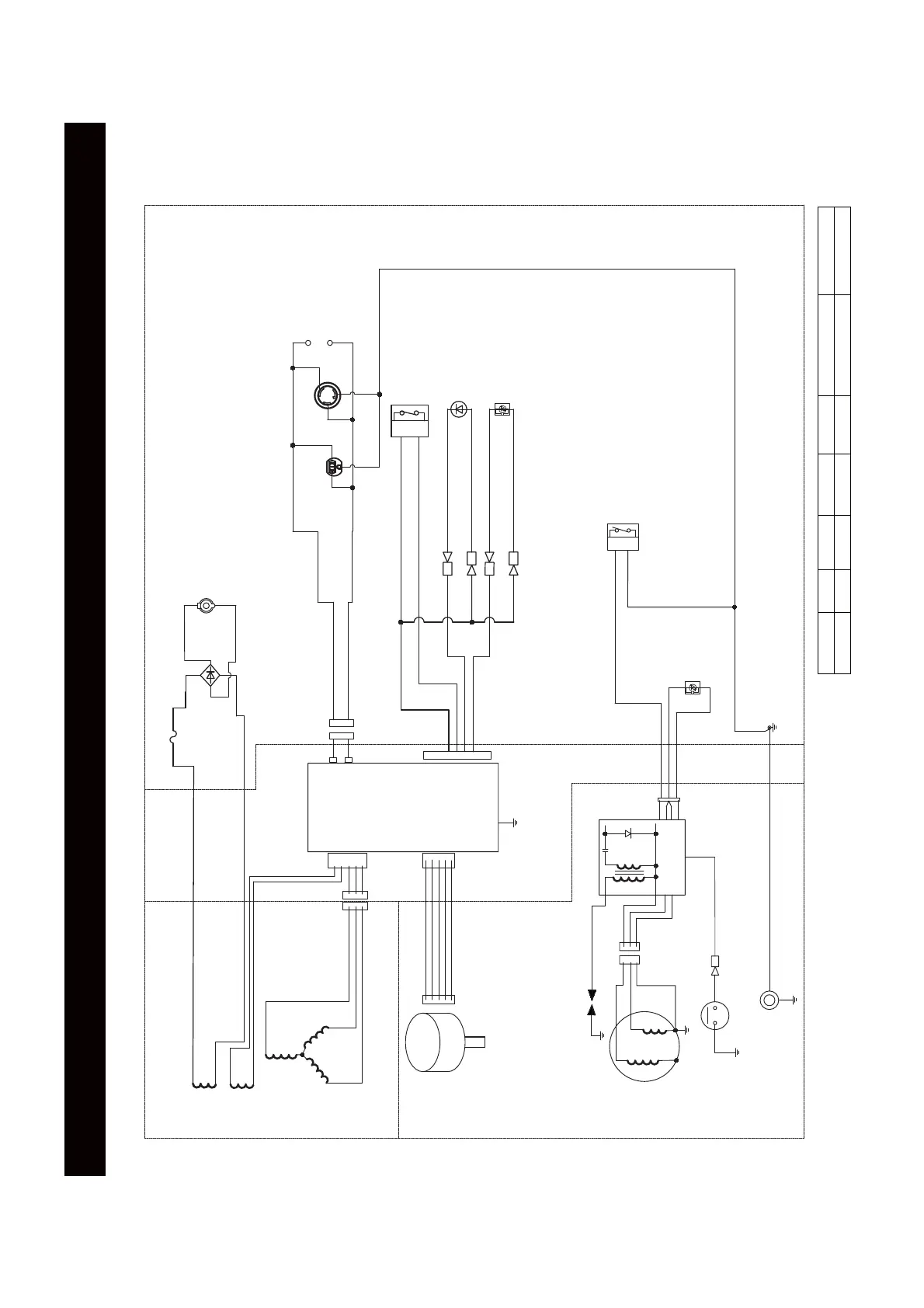
Diagrama de Circuito
:
:
%
%
%
/
3
<
5
%U
5:
%
%
<
*<
%:
%
:
%
%U
5:
/
2
5
%
%:
%RELQD
VHFXQGDULD
%RELQD'&
%RELQD
GHOHVWDWRU
0RWRU
SDVRD
SDVR
0qGXORGHDSDJDGR
SRUEDMRQLYHOGH
DFHLWHVHQVRU
,QWHUUXSWRUGH
GLDOGHLQLFLR
*1'
%RELQDGH
HQFHQGLGR
0qGXOR
GHFRQWURO
02725
3$1(/'(&21752/
2
%
:
3XHUWRVSDUDOHORV
/
/
5HFWLILFDGRU
%%
:
:
:
*<
*<
*<
$/7(51$'25
$
5
$
/5
*<
*<
/('GHVDOLGDOLVWD
:
%U
:
,QWHUUXSWRUGH
UDOHQWoEDMR
/('LQGLFDGRUGH
VREUHFDUJD
%
:
5
/('LQGLFDGRU
GHQLYHOEDMR
GHDFHLWH
:
:
%
%
:
DIAGRAMA DE CIRCUITO Modelo:SUA2000i
Sistema de puesta a tierra (CA): Neutro unido al marco Sistema de puesta a tierra (CC): Sistema flotante
B:NEGRO
Br:MARRÓN
G:VERDE
Gy:GRIS
L:AZUL
O:NARANJA
R:ROSA
W:MBLANCO
Y:AMARILLO
P:ROSA
B/W:NEGRO/BLANCO
Y/G:AMARILLO/VERDE
R/W:ROJO/BLANCO
%XMoD
5
%
/
12V
$
9'&$

Table of Contents

Related product manuals