EasyManua.ls Logo

Power SUA2000i - Circuit Diagram

Power SUA2000i
108 pages
Print Icon
To Next Page IconTo Next Page
To Next Page IconTo Next Page
To Previous Page IconTo Previous Page
To Previous Page IconTo Previous Page
Loading...
Page 26
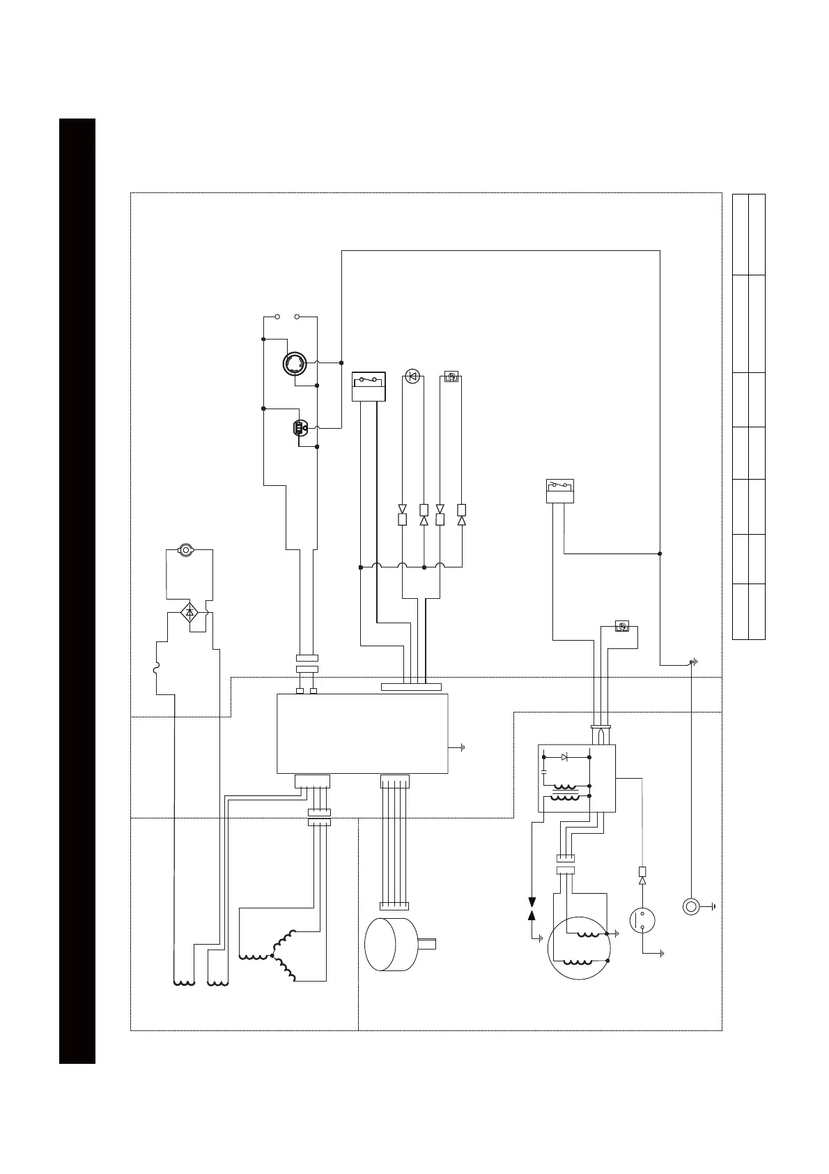
Circuit Diagram
:
:
%
%
%
/
3
<
5
%U
5:
%
%
<
*<
%:
%
:
%
%U
5:
/
2
5
%
%:
6HFRQGDU\
FRLO
'&FRLO
6WDWRU
FRLO
6WHSSLQJ
PRWRU
/RZRLOVKXWGRZQ
PRGXOH
6WDUWLQJ
GLDO
VZLWFK
*1'
,JQLWLRQFRLO
&RQWURO
PRGXOH
(1*,1(
&21752/3$1(/
2
%
:
3DUDOOHO
3RUWV
/
/
%%
:
:
:
*<
*<
*<
$/7(51$725
$
5
$
/5
6HQVRU
*<
*<
2XWSXWUHDG\/('
:
%U
:
/RZLGOHVZLWFK
2YHUORDG
LQGLFDWRU/('
%
:
5
/RZRLO
LQGLFDWRU/('
:
:
%
%
:
CIRCUIT DIAGRAM
Model:SUA2000i
Grounding system(AC): Neutral Bonded to Frame
B:BLACK
Br:BROWN
G:GREEN
Gy:GRAY
L:BLUE
O:ORANGE
R:RED
W:WHITE
Y:YELLOW
P:PINK
B/W:BLACK/WHITE
Y/G:YELLOW/GREEN
R/W:RED/WHITE
Grounding system(DC): System Floating
6SDUNSOXJ
5HFWLILHU
5
%
/
12V
$
9'&$

Table of Contents

Related product manuals