EasyManua.ls Logo

Power SUA6900 - Schéma du Circuit

Power SUA6900
108 pages
Print Icon
To Next Page IconTo Next Page
To Next Page IconTo Next Page
To Previous Page IconTo Previous Page
To Previous Page IconTo Previous Page
Loading...
Page 28
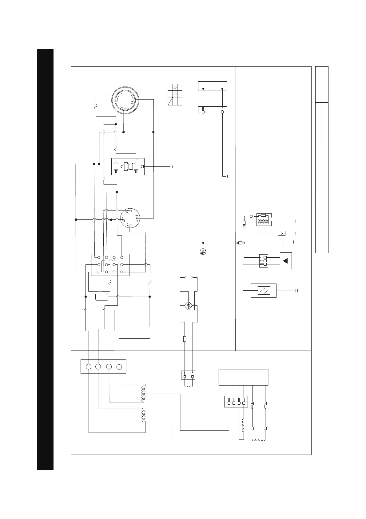
Schéma du Circuit
Système de mise à la terre (AC) : neutre lié au cadre Système de mise à la terre (DC) : système flottant
SCHÉMA DU CIRCUIT
Model:SUA6900
%U
/
21
2))
(
,*
%U
/
<
/
<
<
(
,*
5
%
'&ERELQH
/
/
)XVLEOH$
<
9h$86%
%
*
5HGUHVVHXU
:
%
:
%
%RELQHGH
VWDWRU
,QGLFDWHXUGHEDVQLYHDXGKXLOH/('
5
Y
$
%RELQHGH[FLWDWLRQ
5RWRU
,QWHUUXSWHXUGDUUmW
GHEDVQLYHDXGKXLOH
0RGXOHGDUUmW
SRXUPDQTXHGKXLOH
%RXJLH
GDOOXPDJH
%RELQHGDOOXPDJH
&RPPXWDWHXUGHPRWHXU
&RPPXWDWHXUGHPRWHXU
$/7(51$725
3$11($8'(&200$1'(
027(85




*<
$
$
$
&RPPXWDWHXUGHVlOHFWLRQGHWHQVLRQ
V. Hz. H.
%
%
:
:
:
:
:
:
*<
*<
%
%
%
%
:
%
%
%
%
*<
<
5
%
%
%
%
*
5
%
$
5*)&,
$
/5
$
/5
*<
'&SULVH
:
%
B:NEGRO
Br:MARRÓN
G:VERDE
Gy:GRIS
L:AZUL
O:NARANJA
R:ROSA
W:MBLANCO
Y:AMARILLO
P:ROSA
B/W:NEGRO/BLANCO
Y/G:AMARILLO/VERDE
R/W:ROJO/BLANCO
$

Table of Contents

Related product manuals