EasyManua.ls Logo

Power SUA6900 - Circuit Diagram

Power SUA6900
108 pages
Print Icon
To Next Page IconTo Next Page
To Next Page IconTo Next Page
To Previous Page IconTo Previous Page
To Previous Page IconTo Previous Page
Loading...
Page 26
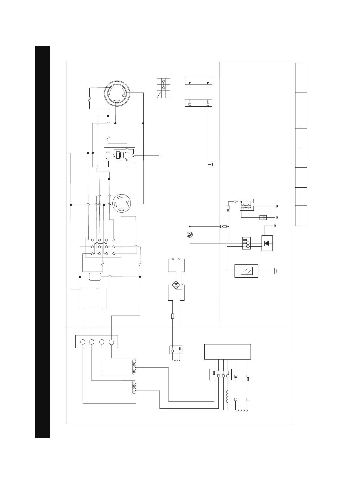
Circuit Diagram
B:BLACK
Br:BROWN
G:GREEN
Gy:GRAY
L:BLUE
O:ORANGE
R:RED
W:WHITE
Y:YELLOW
P:PINK
B/W:BLACK/WHITE
Y/G:YELLOW/GREEN
R/W:RED/WHITE
Grounding system(AC): Neutral Bonded To Frame Grounding system(DC): System Floating
CIRCUIT DIAGRAM
Model:SUA6900
%U
/
21
2))
(
,*
%U
/
<
/
<
<
(
,*
5
%
'&FRLO
/
/
)XVH$
<
9h$86%
%
*
5HFWLILHU
:
%
:
%
6WDURUFRLO
/RZRLOLQGLFDWRU/('
5
Y
$
([FLWDWLRQFRLO
5RWRU
/RZRLOVKXWGRZQ
VZLWFK
/RZRLOVKXWGRZQ
PRGXOH
6SDUN
SOXJ
LJQLWLRQFRLO
(QJLQHVZLWFK
(QJLQHVZLWFK
$/7(51$725
&21752/3$1(/
(1*,1(



*<
$
$
$
9ROWDJHVHOHFWVZLWFK
V. Hz. H.
%
%
:
:
:
:
:
:
*<
*<
%
%
%
%
:
%
%
%
%
*<
<
5
%
%
%
%
*
5
%
$
5*)&,
$
/5
$
/5
*<
'&VRFNHW
:
%
$

Table of Contents

Related product manuals